EXHIBIT 96.2

|
|
|
|
This Amended Report titled “SHIRLEY BASIN ISR URANIUM PROJECT, CARBON COUNTY, WYOMING, USA,” dated March 11, 2024, has been prepared under the supervision of, and signed by, the following Qualified Persons:
Prepared under the Supervision of:
WWC Engineering
1849 Terra Avenue
Sheridan, WY 82801
USA
Report Prepared for:

10758 W. Centennial Road
Suite 200
Littleton, CO 80127
Cover Photo by Rob Koelling (2009)
|
|
|
|
TABLE OF CONTENTS
| 1.0 | Executive Summary | 1 |
| 2.0 | Introduction | 7 |
| 2.1 | Registrant | 7 |
| 2.2 | Terms of Reference | 7 |
| 2.3 | Information Sources and References | 7 |
| 2.4 | Inspection of the Property by Each Qualified Person | 7 |
| 2.4.1 | QP Qualifications | 7 |
| 2.5 | Previous Technical Report Summaries | 7 |
| 3.0 | Property Description and Location | 8 |
| 3.1 | Location and Size | 8 |
| 3.2 | Mineral Tenure | 8 |
| 3.3 | Title to Property | 9 |
| 3.4 | Royalties, Taxes and Fees | 11 |
| 3.5 | Significant Encumbrances or Risks to Perform Work on the Property | 11 |
| 3.5.1 | Environmental Liabilities | 11 |
| 3.5.2 | Existing and Required Permits | 11 |
| 3.5.3 | Significant Factors and Risks That May Affect Access, Title or Right to Perform Work | 13 |
| 4.0 | Accessibility, Climate, Local Resources, Infrastructure and Physiography | 14 |
| 4.1 | Physiography | 14 |
| 4.2 | Means of Access | 14 |
| 4.3 | Proximity to Population Centers | 14 |
| 4.4 | Climate and Operating Season | 15 |
| 4.5 | Property Infrastructure | 15 |
| 5.0 | History | 16 |
| 5.1 | Prior Ownership and Ownership Changes | 16 |
| 5.2 | Exploration and Development by Previous Owners and Operators | 16 |
| 5.3 | Significant Historical Mineral Resource and Mineral Reserve Estimates | 17 |
| 5.4 | Production | 18 |
| 6.0 | Geological Setting, Mineralization, and Deposit | 20 |
| 6.1 | Regional Geological Setting | 20 |
| 6.2 | Shirley Basin Stratigraphy | 20 |
| 6.3 | Project Geology | 22 |
| 6.4 | Significant Mineralization | 28 |
| 6.5 | Deposit | 30 |
| Ur-Energy – Shirley Basin ISR Uranium Project |
|
|
| Amended Technical Report Summary – March 11, 2024 |
| Page i |
|
|
|
|
TABLE OF CONTENTS (Continued)
| 7.0 | Exploration | 34 |
| 7.1 | Drilling | 34 |
| 7.1.1 | Historic Drilling | 34 |
| 7.1.2 | Ur-Energy Confirmation Drillin | 34 |
| 7.1.3 | Geological Logging | 36 |
| 7.1.4 | Drill Holes Used in Mineral Resource Estimation | 36 |
| 7.1.5 | Material Results and Interpretation | 37 |
| 7.1.6 | QP Statements Concerning Drilling Results | 37 |
| 7.2 | Hydrogeology | 37 |
| 7.2.1 | Hydrogeology | 37 |
| 7.2.2 | Main Sand Hydraulic Properties | 38 |
| 7.2.3 | Historical Drill Holes | 39 |
| 7.2.4 | QP Comment on Results | 39 |
| 7.3 | Geotechnical Data, Testing, and Analysis | 39 |
| 8.0 | Sample Preparation, Analysis and Security | 40 |
| 8.1 | Down-hole Geophysical Logging | 40 |
| 8.2 | Coring | 41 |
| 8.3 | Drill Cuttings | 42 |
| 8.4 | Analyses and Security | 42 |
| 8.5 | Quality Control Summary | 43 |
| 8.6 | Opinion on Adequacy | 43 |
| 9.0 | Data Verification | 44 |
| 10.0 | Mineral Processing and Metallurgical Testing | 44 |
| 11.0 | Mineral Resource Estimate | 49 |
| 11.1 | Assumptions | 49 |
| 11.2 | Reasonable Prospects of Economic Extraction | 49 |
| 11.3 | Cutoff Selection | 49 |
| 11.4 | Resource Classification | 50 |
| 11.5 | Methodology | 51 |
| 11.6 | Resource Estimation Auditing | 53 |
| 11.7 | Summary of Resources | 53 |
| 11.8 | Mineral Resource Estimate Risk | 55 |
| 12.0 | Mineral Reserve Estimates | 58 |
| 13.0 | Mining Methods | 59 |
| 13.1 | Mineral Deposit Amenability | 59 |
| Ur-Energy – Shirley Basin ISR Uranium Project |
|
|
| Amended Technical Report Summary – March 11, 2024 |
| Page ii |
|
|
|
|
TABLE OF CONTENTS (Continued)
| 13.2 | Wellfield Design | 59 |
| 13.2.1 | Revised Resources | 60 |
| 13.2.2 | Wellfield Patterns | 60 |
| 13.2.3 | Monitor Wells | 63 |
| 13.2.4 | Mining Schedule | 63 |
| 13.3 | Piping | 64 |
| 13.4 | Header Houses | 64 |
| 13.5 | Wellfield Reagents and Electricity | 64 |
| 13.6 | Mining Fleet Equipment and Machinery | 65 |
| 13.7 | Mining Fleet Personnel | 65 |
| 14.0 | Processing and Recovery Methods | 66 |
| 14.1 | Satellite Operations | 66 |
| 14.2 | Transportation | 66 |
| 14.3 | Energy, Water, Process Materials, and Personnel | 67 |
| 14.4 | Liquid Disposal | 69 |
| 14.5 | Solid Waste Disposal | 69 |
| 15.0 | Infrastructure | 70 |
| 15.1 | Roads | 70 |
| 15.2 | Electricity | 70 |
| 15.3 | Holding Ponds | 70 |
| 15.4 | Water | 70 |
| 16.0 | Market Studies | 71 |
| 17.0 | Environmental Studies, Permitting, and Plans, Negotiations, or Agreements with Local Individuals or Groups | 72 |
| 17.1 | Environmental Studies | 72 |
| 17.2 | Waste Disposal and Monitoring | 72 |
| 17.2.1 | Waste Disposal | 72 |
| 17.2.2 | Site Monitoring | 72 |
| 17.3 | Permitting | 73 |
| 17.4 | Social or Community Impact | 73 |
| 17.5 | Mine Closure Cost | 73 |
| 17.5.1 | Well Abandonment / Groundwater Restoration | 73 |
| 17.5.2 | Demolition and Removal of Infrastructure | 74 |
| 17.5.3 | Site Grading and Revegetation | 74 |
| 17.6 | Adequacy of Current Plans | 74 |
| Ur-Energy – Shirley Basin ISR Uranium Project |
|
|
| Amended Technical Report Summary – March 11, 2024 |
| Page iii |
|
|
|
|
TABLE OF CONTENTS (Continued)
| 18.0 | Capital and Operating Costs | 75 |
| 18.1 | Capital Cost Estimation (CAPEX) | 75 |
| 18.2 | Operating Cost Estimation (OPEX) | 76 |
| 18.2.1 | Wellfield Development Costs | 76 |
| 18.3 | Accuracy of the CAPEX and OPEX Estimates | 76 |
| 18.4 | Risk | 77 |
| 19.0 | Economic Analysis | 79 |
| 19.1 | Assumptions | 79 |
| 19.2 | Cash Flow Forecast and Production Schedule | 79 |
| 19.3 | Taxation | 80 |
| 20.0 | Adjacent Properties | 81 |
| 21.0 | Other Relevant Data and Information | 82 |
| 22.0 | Interpretation and Conclusions | 83 |
| 22.1 | Conclusions | 83 |
| 22.2 | Sensitivity Analysis | 83 |
| 22.3 | Risk Assessment | 84 |
| 22.3.1 | Resource and Recovery | 84 |
| 22.3.2 | Markets and Contracts | 85 |
| 22.3.3 | Operations | 86 |
| 22.3.4 | Social and/or Political | 86 |
| 23.0 | Recommendations | 87 |
| 24.0 | References | 88 |
| 25.0 | Reliance On Information Provided by the Registrant | 89 |
| 26.0 | Date and Signature Page | 90 |
| Ur-Energy – Shirley Basin ISR Uranium Project |
|
|
| Amended Technical Report Summary – March 11, 2024 |
| Page iv |
|
|
|
|
TABLE OF CONTENTS (Continued)
|
| LIST OF TABLES
|
|
|
|
|
|
| Table 1. | Shirley Basin Uranium Project Resource Summary | 3 |
| Table 2. | Shirley Basin Project Mineral Title Position | 9 |
| Table 3. | 2010 Historical PMC Shirley Basin Project Resource Summary | 18 |
| Table 4. | Shirley Basin Historical Uranium Production (1960-1992) | 18 |
| Table 5. | Summary of Select Analytical Results from Shirley Basin Core | 27 |
| Table 6. | Semi-quantitative Mineral Abundance Analysis | 28 |
| Table 7. | Summary of URE Confirmation Drilling Results | 35 |
| Table 8. | Summary of Mineralized Intercepts – URE Confirmation Drilling | 35 |
| Table 9. | Leach Test Results, 1980 – Area 5 | 45 |
| Table 10. | Core Composite Sample Geochemistry | 46 |
| Table 11. | Natural Groundwater – Chemistry | 46 |
| Table 12. | Bottle Roll Leach Test Results – 2014 | 47 |
| Table 13. | Shirley Basin Project – Resource Summary by Mineral Horizon | 54 |
| Table 14. | Development Summary by Mine Unit | 63 |
| Table 15. | Summary of CAPEX Cost Estimation | 75 |
| Table 16. | Annual Operating Costs (OPEX) Summary | 77 |
| Table 17. | Cash Flow Statement | 78 |
| Table 18. | NPV Versus Discount Rate and IRR | 80 |
|
| LIST OF FIGURES
|
|
|
|
|
|
| Figure 1. | Location Map | 2 |
| Figure 2. | Photo from FAB Trend Looking Northeast Over Reclaimed PMC Pit 3 | 8 |
| Figure 3. | Property, Access and Infrastructure Map | 10 |
| Figure 4. | Shirley Basin Project Resource Areas | 17 |
| Figure 5. | Stratigraphic Column | 21 |
| Figure 6. | Geology Map | 23 |
| Figure 7. | Type Log | 24 |
| Figure 8. | Cross Sections FAB Trend & Area 5 | 25 |
| Figure 9. | Backscatter Electron Photomicrograph – Uranium Mineralization (Bright) Associated with Clays Surrounding Quartz and Feldspar Grains | 29 |
| Figure 10. | Mineralized Trends | 30 |
| Figure 11. | Photo of Shirley Basin Roll Front | 31 |
| Figure 12. | Conceptual Uranium Roll Front Deposit | 32 |
| Figure 13. | Photo of URE Confirmation Drilling | 44 |
| Figure 14. | Uranium Recovery Curves % Recovery Comparison-Final | 48 |
| Figure 15. | Uranium Recovery Curves Head Grade Comparison | 48 |
| Figure 16. | FAB Trend Resources | 56 |
| Figure 17. | Area 5 Resources | 57 |
| Figure 18. | Planned Mine Units FAB Trend | 61 |
| Figure 19. | Planned Mine Unit Area 5 | 62 |
| Figure 20. | Life of Mine Schedule | 64 |
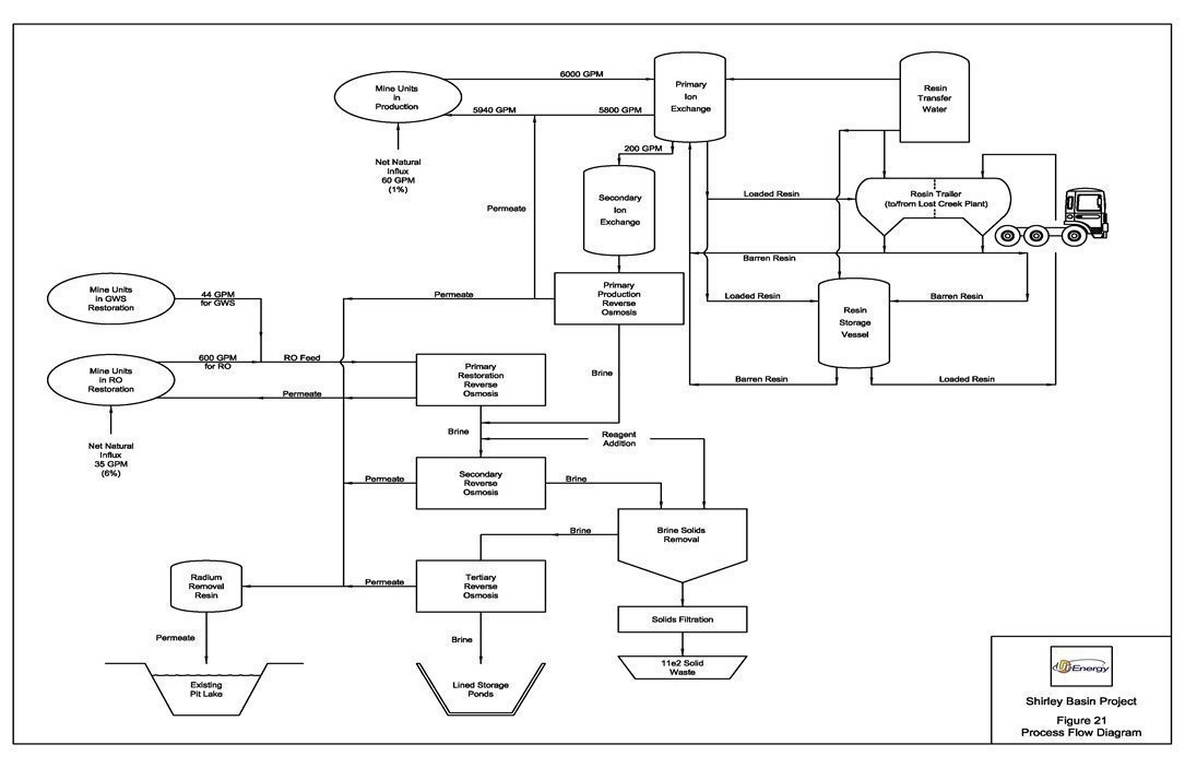
| Figure 21. | Process Flow Diagram | 68 |
| Figure 22. | Before Tax NPV Sensitivity to Price, OPEX and CAPEX | 83 |
| Figure 23. | After Tax NPV Sensitivity to Price, OPEX and CAPEX | 84 |
| Ur-Energy – Shirley Basin ISR Uranium Project |
|
|
| Amended Technical Report Summary – March 11, 2024 |
| Page v |
|
|
|
|
LIST OF ABBREVIATIONS
| AEA | Atomic Energy Act |
| AEC | U.S. Atomic Energy Commission |
| ALARA | As Low As Reasonably Achievable |
| API | American Petroleum Institute |
| BGS | Below Ground Surface |
| BLM | U.S. Bureau of Land Management |
| CAPEX | Capital Expenditures |
| COC | Chain of Custody |
| COGEMA | COGEMA Mining, Inc. |
| CPS | Counts per Second |
| cu. | Cubic |
| DEF | Disequilibrium Factor |
| District | Shirley Basin Mining District |
| DOE | U.S. Department of Energy |
| e-log | Electric Log |
| EA | Environmental Assessment |
| EMP | Electron Microprobe |
| EPA | U.S. Environmental Protection Agency |
| eU3O8 | U3O8 Content from Gamma Log |
| Ft. | Feet |
| FTE | Full Time Equivalent |
| Getty | Getty Oil Company |
| gpm | Gallons per Minute |
| GT | Grade x Thickness |
| Hazen | Hazen Research, Inc. |
| HDPE | High Density Polyethylene |
| ICP-MS | Inductively Coupled Plasma Mass Spectrometry |
| IML | Inter-Mountain Labs, Inc. |
| IRR | Internal Rate of Return |
| ISL | In-situ Leach |
| ISR | In-Situ Recovery |
| IX | Ion Exchange |
| kV | Kilovolt |
| kWh | Kilowatt Hours |
| Lbs. | Pounds |
| MU | Mine Unit |
| NI | 43-101 National Instrument 43-101 |
| NPV | Net Present Value |
| NWS | National Weather Service |
| OPEX | Operating Expenditures |
| Petrotomics | Petrotomics Company |
| PFN | Prompt Fission Neutron |
| PMC | Pathfinder Mines Corporation |
| The Project | Shirley Basin ISR Uranium Project |
| PVs | Pore Volumes |
| QP | Third-Party QP Firm WWC Engineering |
| Redox | Reduction-Oxidation Interface |
| Report | Technical Report Summary |
| Ur-Energy – Shirley Basin ISR Uranium Project |
|
|
| Amended Technical Report Summary – March 11, 2024 |
| Page vi |
|
|
|
|
LIST OF ABBREVIATIONS (Continued)
| S-K 1300 | Regulation S-K, Subpart 1300 “Modernization of Property Disclosures for Mining Registrants” |
| SEO | Wyoming State Engineer’s Office |
| SP | Spontaneous Potential |
| Teton | Teton Exploration |
| Tidewater | Tidewater Oil Company |
| Twdr | Tertiary Wind River Formation |
| Twr | Tertiary White River Formation |
| U3O8 | Uranium Oxide or Yellowcake |
| UIC | Underground Injection Control |
| UII | Utah International Inc. |
| URE | Ur-Energy Inc. |
| Utah | Utah Mining Corporation |
| Utah CM | Utah Construction and Mining Company |
| WDEQ | Wyoming Department of Environmental Quality |
| WDEQ-AQD | Wyoming Department of Environmental Quality Air Quality Division |
| WDEQ-LQD | Wyoming Department of Environmental Quality Land Quality Division |
| WDEQ-URP | Wyoming Department of Environmental Quality Uranium Recovery Program |
| WWC | Western Water Consultants, Inc. d/b/a/ WWC Engineering |
| XRD | X-ray Diffraction |
| Ur-Energy – Shirley Basin ISR Uranium Project |
|
|
| Amended Technical Report Summary – March 11, 2024 |
| Page vii |
|
|
|
|
1.0 EXECUTIVE SUMMARY
This independent Technical Report Summary (Report) for the Shirley Basin ISR Uranium Project (the Project) has been prepared for Ur-Energy Inc. (URE) and its subsidiary, Pathfinder Mines Corporation (PMC), under the supervision of Western Water Consultants, Inc., d/b/a WWC Engineering (WWC), pursuant to Regulation S-K Subpart 1300, “Modernization of Property Disclosures for Mining Registrants” (S-K 1300). This Report identifies and summarizes the scientific and technical information and conclusions reached concerning the initial assessment to support disclosure of mineral resources on the Project. The objective of this Report is to evaluate the technical and economic viability of the Project using the most current scientific, engineering and cost information available.
This Report analyzes the planned development of a commercial uranium satellite in-situ recovery (ISR) operation at the Project, combined with existing processing operations at URE’s Lost Creek Mine in Sweetwater County, Wyoming. The evaluation uses current operational information to develop capital (CAPEX) and operating (OPEX) cost estimates for the proposed wellfields, the satellite ion exchange (IX) plant and associated infrastructure. CAPEX and OPEX estimates are provided in this Report along with an economic analysis based on these costs and projected revenue from the recovery and sale of uranium.
The Project area geology is well understood. Shirley Basin is a small structural basin formed during the Laramide Orogeny of Late Cretaceous to Early Paleogene age. During this orogeny, basement uplifting within the surrounding Granite and Shirley Mountains to the west and southwest and within the Laramie Mountains to the east and northeast formed a broad, shallow, southward-plunging basin. Within this basin, post-Laramide Paleogene sediments were unconformably deposited onto an eroded surface of mid Cretaceous strata. These Cretaceous sediments dip approximately 2-12° to the southwest. The Paleogene sediments dip approximately 1° to the north. Coarse-grained arkosic sandstones of the Eocene-age Wind River Formation are the primary host rocks for uranium deposits in Shirley Basin. The uranium mineralization occurs as roll front type deposits formed where uranium precipitated from oxidizing groundwater when it contacted reduced host rock.
URE currently controls approximately 3,536 acres of property interests in the general area of the Project in central southeast Wyoming, approximately 40 miles south of the city of Casper (Figure 1). The fully permitted area (2,605 acres) of the Project consists of 1,770 acres of mineral lands controlled by URE. Together with the mineral rights held by URE, described in greater detail below, the Company controls 280 acres of additional surface access rights necessary to develop the Project. The Project lies within the northern portion of the historic Shirley Basin Mining District (District), the second largest uranium producing district in Wyoming with over 51 million pounds of U3O8 production from 1960 through 1992. The initial uranium discovery within this remote basin was made by Teton Exploration in 1955. URE’s Shirley Basin land holdings were largely established by Utah Mining Corporation in 1957 by staking unpatented mining claims and leasing State of Wyoming and private mineral rights. After several mergers and corporate name changes, all interests were conveyed to what is now PMC in 1976. PMC was purchased by COGEMA Mining, Inc. (COGEMA) in the 1980s. URE, through a U.S. subsidiary, acquired PMC in 2013.
| Ur-Energy – Shirley Basin ISR Uranium Project |
|
|
| Amended Technical Report Summary – March 11, 2024 |
| Page 1 |
|
|
|
|
After the cessation of open pit uranium mining operations at Shirley Basin in 1992, two historical resource areas on the Project were identified as potentially suitable for ISR mining. These two areas are the FAB Resource Area or FAB Trend and the Area 5 Resource Area.
| Ur-Energy – Shirley Basin ISR Uranium Project |
|
|
| Amended Technical Report Summary – March 11, 2024 |
| Page 2 |
|
|
|
|
PMC had completed over 3,200 drill holes (1.2 million ft. of drilling) in the delineation of these two resource areas, resulting in an approximate 100-ft. grid of drill holes throughout. These resources are primarily located within the “Main” and “Lower” Sands of the Eocene-age Wind River Formation.
In 2014, URE completed a confirmation drilling campaign within the FAB and Area 5 Resource Areas. The primary goals of the program were:
|
| · | Confirmation of the location and nature of mineralization as reported by historical PMC data; |
|
|
|
|
|
| · | Stratigraphic investigation to confirm lithology and to confirm overlying and underlying hydrogeological confinement; and |
|
|
|
|
|
| · | Collection of core for leach testing and analysis of uranium, mineralogy, trace metals, disequilibrium, permeability, porosity and density. |
Based upon data from the above-described historical and confirmation drilling, a Technical Report on Resources and a Preliminary Economic Assessment were prepared (Shirley Basin Uranium Project, Carbon County, Wyoming, USA, dated August 27, 2014 and Preliminary Economic Assessment Shirley Basin ISR Project, Carbon County, Wyoming, USA, dated January 27, 2015) pursuant to Canadian National Instrument 43-101 (NI 43-101). Subsequently, a Technical Report Summary pursuant to S-K 1300, as amended, was prepared and filed in 2022.
Due to the high density drilling at the Project, all resources were classified as Measured or Indicated. There are no resources in the Inferred category. The current mineral resources at the Project are listed in Table 1.
Table 1. Shirley Basin Uranium Project Resource Summary
| RESOURCE AREA | MEASURED | INDICATED | ||||
| AVG GRADE % eU3O8 | SHORT TONS (X 1000) | POUNDS U3O8 (X 1000) | AVG GRADE % eU3O8 | SHORT TONS (X 1000) | POUNDS U3O8 (X 1000) | |
| FAB TREND | 0.280 | 1,172 | 6,574 | 0.119 | 456 | 1,081 |
| AREA 5 | 0.243 | 195 | 947 | 0.115 | 93 | 214 |
| TOTAL | 0.275 | 1,367 | 7,521 | 0.118 | 549 | 1,295 |
| MEASURED & INDICATED | 0.230 | 1,915 | 8,816 | |||
Notes:
| 1. | Sum of Measured and Indicated tons and pounds may not add to the reported total due to rounding. |
| 2. | Based on grade cutoff of 0.020 % eU3O8 and a grade x thickness (GT) cutoff of 0.25 GT. |
| 3. | Measured and Indicated mineral resources as defined in 17 CFR § 229.1300. |
| 4. | All reported resources occur below the historical, pre-mining static water table. |
| 5. | Average grades are calculated as weighted averages. |
| 6. | The point of reference for mineral resources is in-situ at the Project. |
| 7. | Mineral resources that are not mineral reserves do not have demonstrated economic viability. |
To develop the above-described uranium resources, infrastructure, including wellfields, a satellite IX plant and liquid waste disposal facilities, will need to be constructed at the Project. Three mine units (MU) are planned. Within a production wellfield, the most fundamental component of mine development and production is the production pattern. A pattern consists of one production well and injection wells which feed lixiviant to it. Injection wells are commonly shared by multiple production wells. Header houses serve multiple patterns and function as both distribution points for injection flow and collection points for production flow from the production wells. The satellite IX plant feeds injection lixiviant to the header houses for distribution to the injection wells and receives and processes production flow from the header houses.
| Ur-Energy – Shirley Basin ISR Uranium Project |
|
|
| Amended Technical Report Summary – March 11, 2024 |
| Page 3 |
|
|
|
|
The economic analysis presented in this Report is based on a detailed wellfield design prepared as the company advances toward wellfield construction and operations. The design primarily utilizes 5-spot pattern configurations. Pattern sizing is based on consistent injection to production well spacing of approximately 70 ft., which is the distance the lixiviant will flow between wells. Based on detailed wellfield design it is estimated that there will be a total of 1,675 patterns project wide which are divided into three mining units: MU1, MU2 and MU3. The total cumulative pattern area accounting for the stacked nature of the roll fronts for the Project is approximately 283 acres. This wellfield design requires 2,945 injection wells and 1,675 production wells for a total of 4,620 wells. In addition, 271 monitor wells are required for the planned wellfield, including 121 perimeter monitor ring wells and 150 interior monitor wells. The average well depth for the Project is estimated to be 334 ft.
Using the estimated CAPEX, OPEX and closure costs presented herein, a cash flow statement is provided in Table 17. The statement assumes no escalation, no debt, no debt interest or capital repayment and no depreciation.
This Report includes tax estimates for state severance taxes, county ad valorem taxes and property taxes, all of which are directly attributable to the Project. Wyoming has no state income tax, however, before and after federal income tax estimates are included. Ur-Energy USA Inc., the parent company of PMC, files consolidated federal tax returns in the United States. Ur-Energy USA Inc. does not anticipate paying federal income taxes until the existing, and any future, tax loss carry forwards are utilized. In addition, reclamation costs can be deducted in the early years of the Project, thus also pushing out any tax liability.
The sale price for the produced uranium is assumed to vary based on a calculation of a simple average of (a) the average of the annual projections of Cantor Fitzgerald Canada Corporation, September 26, 2023; Roth MKM, October 10, 2023; PI Financial Corp. October 6, 2023 and (b) UxC, LLC Q4 2023 Market Outlook (Mid Price Scenario Projection from 2023 to 2040) (UxC, LLC Q4 2023) (See Chapters 16 and 24). UxC is a leading independent nuclear industry market research and analysis company that publishes comprehensive market outlook reports for uranium which include future price projections. The revenue for the cash flow estimate was developed using the GT contour mineral resource estimate for the Project, and further assumes that, based on an 80% recovery factor of those pounds potentially under pattern, approximately 6.0 million pounds of U3O8 will be recovered from the Project’s currently identified Mineral Resources.
The CAPEX cost estimates presented herein are based on personnel and capital equipment requirements, as well as wellfield layouts, process flow diagrams, tank and process equipment and buildings at URE’s Lost Creek Mine which were used to estimate costs at the Project. The Project has pre-mining development and capital costs of $40.7 million including: total plant capital of $24.4 million, initial wellfield installation cost of $13.1 million, labor costs of $2.9 million, and operating costs of $0.3 million. Remaining CAPEX costs are for sustaining capital requirements at the mine site and are primarily associated with water treatment additions as needed and replacement equipment used in future operations of the plant and the wellfields. The sustaining capital cost is estimated to be $9.2 million. The sustaining capital estimate is based on the actual previous purchases of the same equipment and/or vendor prices. There is no contingency included in the capital estimates as they are based on purchases at URE’s Lost Creek Mine and current budgets for water treatment equipment.
| Ur-Energy – Shirley Basin ISR Uranium Project |
|
|
| Amended Technical Report Summary – March 11, 2024 |
| Page 4 |
|
|
|
|
OPEX estimates were developed by evaluating each process unit operation and the associated required operating services (power, water, air, waste disposal), infrastructure (offices, shops and roads), salary plus benefit burden, and environmental control (heat, air conditioning, monitoring). The OPEX estimate is based on URE’s permitting and development plan, deliverables, process flow sheets, process design, materials balance and project manpower schedule. The annual OPEX and closure cost summary is provided in Table 16.
The Net Present Value (NPV) calculations assume that cash flows occur in the middle of the accounting periods. The NPV is calculated from the discounted cash flow model and is based on the CAPEX, OPEX and closure cost estimates, a variable future uranium price and the anticipated construction and production schedule. The Project is estimated to generate net cash flow over its life of $175.3 million before income tax and $119.0 million after income tax. Payback is estimated during the third quarter of 2027. The Project has a calculated before tax Internal Rate of Return (IRR) of 83.7 percent and a before tax NPV of $120.4 million applying an eight percent discount rate. When income taxes are included in the calculation, the after-tax IRR is 69.0 percent and the after tax NPV is $83.2 million applying an eight percent discount rate. The estimated cost of uranium produced is $54.89 per pound including severance taxes plus all operating and capital costs, with an estimated operating cost of $24.40 per pound.
URE utilized costing data for both CAPEX and OPEX available from the Lost Creek Mine, the costing numbers used in this analysis are therefore believed to be reliable. However, since the final detailed designs for the Project are not yet complete, and initial purchases and contracts have not been made for the project, the predicted level of accuracy of this Report is estimated at +/- 10 percent subject to the assumptions herein.
Cautionary Statement:
This Technical Report Summary is preliminary in nature and includes mineral resources. Mineral resources that are not mineral reserves do not have demonstrated economic viability. There is increased risk and uncertainty to commencing and conducting production without established mineral reserves that may result in economic and technical failure which may adversely impact future profitability. The estimated mineral recovery used in this Technical Report Summary is based on site-specific laboratory recovery data as well as URE personnel and industry experience at similar facilities. There can be no assurance that recovery of mineral resources at this level will be achieved. There is no certainty that the preliminary economic assessment will be realized.
WWC has assumed that URE’s operations at the Project will be conducted in conformance with applicable laws, regulations, and requirements of the various federal and state agencies. It is also assumed that organization and management controls have been and will continue to be established to ensure compliance with applicable regulations and implement URE’s policies for providing a safe working environment including the philosophy of maintaining radiation exposures as low as reasonably achievable (ALARA).
| Ur-Energy – Shirley Basin ISR Uranium Project |
|
|
| Amended Technical Report Summary – March 11, 2024 |
| Page 5 |
|
|
|
|
WWC has weighed the potential benefits and risks presented in this Report and have found the Project to be potentially viable and meriting further evaluation and development. There is no certainty that the mineral recovery or the economic analysis presented in this Report will be realized. In order to advance the Project to the full potential benefits described in this Report, positive results are required on the following recommended activities as discussed in Chapter 23.0.
|
| · | URE should continue with its work on advancing the project toward construction of facilities and installation of wellfields. The pre-mining development and capital costs to construct facilities and install wellfields, included in Table 15, are estimated to be $40.7 million. These activities and related costs are assumed to occur in 2024, 2025 and 2026 for the purposes of the economic analysis included here. The costs for construction design and management are included in this amount. |
|
|
|
|
|
| · | URE should complete its pre-construction design, engineering work, and installation of the first monitoring ring followed soon after by construction of the satellite facility and the first wellfield. Satellite construction should include wastewater management processes and procedures with the goal of concentrating and minimizing RO brine production and maximizing permeate output. |
|
|
|
|
|
| · | URE has a history of innovative research and development (R&D) projects that lower costs, improve operations, and minimize impacts of ISR operations. URE should continue evaluating opportunities to decrease costs and increase efficiencies, including related to its new injection well installation technology. |
| Ur-Energy – Shirley Basin ISR Uranium Project |
|
|
| Amended Technical Report Summary – March 11, 2024 |
| Page 6 |
|
|
|
|
2.0 INTRODUCTION
2.1 Registrant
This independent Report was prepared for URE by WWC. The Project is in Carbon County, Wyoming, USA. URE is incorporated in Canada with principal executive offices located at 10758 West Centennial Road, Suite 200, Littleton, Colorado 80127. The Report has been prepared for URE in accordance with the guidelines set forth under Regulation S-K, Subpart 1300 “Modernization of Property Disclosures for Mining Registrants” (S-K 1300). The purpose of this Report is to report mineral resources and assess the potential economic viability of ISR operations at the Project.
2.2 Terms of Reference
PMC is a wholly owned subsidiary of URE. The Project is operated by PMC and this Report has been prepared for URE to report mineral resources and assess the potential economic viability of ISR operations at the Project.
2.3 Information Sources and References
The information and data presented in this Report was gathered from various sources listed in Chapters 24 and 25. Technical information was provided to WWC by URE and includes data from other professional consultants and follows generally accepted uranium ISR practices. Mineral resource estimates are based on information presented in the Technical Report on Resources, Shirley Basin Uranium Project, Carbon County, Wyoming, USA. That NI 43-101 report is dated August 27, 2014 and was prepared by WWC.
Units of measurement unless otherwise indicated are feet (ft.), miles, acres, pounds (lbs.), and short tons (2,000 lbs.). Uranium production is expressed as pounds U3O8, the standard market unit. ISR refers to in-situ recovery, sometimes also termed in-situ leach (ISL). Unless otherwise indicated, all references to dollars ($) refer to United States currency.
2.4 Inspection of the Property by Each Qualified Person
WWC professionals have visited the site following the completion of confirmation drilling by URE in 2014. WWC professionals visited the site on January 28, 2022, and on February 1, 2022. The purpose of these visits was to observe the geography and geology of the Project site, verify work done at the site by URE, observe the potential locations of Project components, confirmation drilling and other site activities, and confirm existing site infrastructure. WWC professionals reviewed areal imagery captured on October 23, 2023 to confirm current site conditions.
2.4.1 QP Qualifications
Completion of this Report was under the direction and supervision of WWC. WWC is a third-party QP Firm (QP) as defined by Regulation S-K 1300. Additionally, WWC has approved the technical disclosure contained in this Report.
2.5 Previous Technical Report Summaries
URE filed a Technical Report Summary on the Project under S-K 1300 regulations in March 2022, as amended in September 2022. Additionally, reports conforming to NI 43-101 were also prepared and filed.
| Ur-Energy – Shirley Basin ISR Uranium Project |
|
|
| Amended Technical Report Summary – March 11, 2024 |
| Page 7 |
|
|
|
|
3.0 PROPERTY DESCRIPTION AND LOCATION
3.1 Location and Size
URE controls approximately 3,536 acres of property interests in the area of the Project in central southeast Wyoming, approximately 40 miles south of the city of Casper. Within the Project, the fully permitted area (2,605 acres) consists of 1,770 acres of mineral lands controlled by URE. Together with the mineral rights held by URE, described in greater detail below, the Company controls 280 acres of additional surface access rights necessary to develop the Project. As shown in Figure 1, the Project is in an unpopulated area located in the northeastern portion of Carbon County, Wyoming USA. It is centered at approximately 42 degrees, 22 minutes north latitude and 106 degrees, 11 minutes west longitude, in Township 28 North, Range 78 West, within the 6th principal meridian.
3.2 Mineral Tenure
The Project is in the northern portion of the second largest uranium producing district in Wyoming, with over 51 million pounds of U3O8 production from 1960 through 1992. Surface mining ceased in 1992 and the mined areas underwent extensive reclamation activities (i.e., backfilling of pits, re-contouring of overburden piles, re-vegetation, etc.). Figure 2 illustrates the results of this reclamation. Most of the old mine areas are now rolling grasslands, with five pit lakes occupying the lowlands.

Figure 2. Photo from FAB Trend Looking Northeast Over Reclaimed PMC Pit 3
The permitted Project area includes 1,770 acres of mineral rights to locatable minerals held by the Company. This total consists of 1,330 acres of U.S. lode mining patents (nine patents), 370 acres of federal unpatented lode mining claims (29 claims), and 70 acres (two tracts) of fee minerals. Table 2 summarizes the relevant mineral title position of URE within the permitted Project area.
| Ur-Energy – Shirley Basin ISR Uranium Project |
|
|
| Amended Technical Report Summary – March 11, 2024 |
| Page 8 |
|
|
|
|
The surface of all unpatented lode mining claims is controlled by the U.S. Bureau of Land Management (BLM), with URE possessing the right to use as much of the surface as is necessary for exploration and mining of the claims, subject to compliance with all federal, state and local laws and regulations. Surface use on BLM-administered federal lands is governed by federal regulations.
Table 2. Shirley Basin Project Mineral Title Position
| Property | US Patent Number, Claim Name or Legal Location | Acres |
| 9 Lode Mining Patents | 1198523, 1207111, 1207112, 1231199, 49-69-0017, 49-69-0020, 49-69-0025, 49-73-0072, and 49-73-0073 | 1,330 acres |
| 29 Unpatented Lode Mining Claims | DOE 1, DOE 2, DOE 14, DOE 15, DOE 16, DOE 17, DOE 26, DOE 27 and DOE 28; LMB 8, LMB 10, LMB 12, LMB 160 and LMB 162; COKE 1, COKE 3, COKE 4 and COKE 5; A5-1, A5‑2, A5-3, A5-4 and A5-5; FGAP 1, FGAP 2 and FGAP 3; LMB 234, LMB 235 and LMB 236 | 370 acres |
| Fee Minerals (2 tracts) | Portions of Sections 20, Township 28 North, Range 78 West, 6th Principal Meridian (e.g., SENE, Section 20; N1/2NWSE and NWNESE Section 20) | 70 acres |
| Total Mineral Acres: 1,770 acres | ||
3.3 Title to Property
URE, through its wholly owned subsidiary PMC, owns the patented lands at the Project and controls the federal unpatented lode mining claims, and other real property interests which make up the balance of the Project (Figure 3), and through which legal access to the Project is provided. The mineral interests for the lands on which reported resources are located are 100% owned or controlled by URE, subject to the royalty interests described below.
| Ur-Energy – Shirley Basin ISR Uranium Project |
|
|
| Amended Technical Report Summary – March 11, 2024 |
| Page 9 |
|
|
|
|
Title to the unpatented mining claims is subject to rights of pedis possessio against all third-party claimants as long as the claims are maintained. The unpatented mining claims do not have an expiration date. Affidavits have been timely filed with the BLM and recorded with the Carbon County Clerk’s Office attesting to the payment of annual maintenance fees to the BLM as those fees are established by law from time to time. In addition to routine periodic land status reviews by company personnel, formal mineral title reports are prepared from time-to-time for URE by mineral title attorneys.

| Ur-Energy – Shirley Basin ISR Uranium Project |
|
|
| Amended Technical Report Summary – March 11, 2024 |
| Page 10 |
|
|
|
|
3.4 Royalties, Taxes and Fees
There are no production royalties at the FAB Resource Area where the majority of the defined resources are located.
Within Area 5, approximately 202 acres are subject to a formulaic royalty interest which totals approximately 0.5%. On two other tracts at Area 5 (30 acres in the southern portion and 40 acres in the southeastern portion), uranium and associated minerals are subject to different formulaic royalties which are approximately 1%. Currently, there is no known mineral resource on these 70 acres. A 0.5% royalty was included for the resources in Area 5. Additionally, certain use fees are in place on some lands in Area 5, based upon an annual disturbance-level calculation.
URE is also required to pay various state and local taxes related to production and the assessed value of the property. These taxes are in the form of severance, ad valorem gross products, and personal and real property taxes. The economic analyses presented herein also provide the results of the analyses for before income tax and after income tax, which includes U.S. federal and Illinois state income taxes. There is no State of Wyoming income tax, and all sales are assumed to take place in Illinois where the conversion facility is located. There is no state income tax in Wyoming. Maintenance fees will be paid to the BLM on an annual basis, pursuant to the existing regulations, for the unpatented mining claims held at the Project.
3.5 Significant Encumbrances or Risks to Perform Work on the Property
3.5.1 Environmental Liabilities
The environmental liability for the Project falls under the jurisdiction of the State of Wyoming, Department of Environmental Quality (WDEQ) Land Quality Division (LQD).
The current cost estimate to reclaim the work that has been completed at the Shirley Basin ISR Mine to date is $91,900.
URE maintains separate reclamation bonds to reclaim disturbance resulting from historical conventional mining and the adjacent licensed tailings facility. The tailings facility is operated independently from the Project. Likewise, the reclamation of the historical mining is not dependent on the Project. These reclamation bonds are separate from the Project and are not included in the economic analysis in this Report.
3.5.2 Existing and Required Permits
In May 2021, the URP granted a Source and Byproduct Materials License (WYSUA-2010) and the LQD issued a Permit to Mine (PT0846) to recover uranium at the Project. These two authorizations, together with the U.S. Environmental Protection Agency (EPA) aquifer exemption for the Class III Underground Injection Control (UIC) area, were the final major authorizations required at Shirley Basin to be approved to construct and commence production operations at the Project. In April 2020, the BLM issued its final decision regarding an Environmental Assessment (EA) on the Project and approving the Plan of Operations for the Project. Accordingly, all major permits and authorizations required to operate the Project, are in place and include the following:
|
| · | BLM issued a Record of Decision on April 27, 2020. |
| Ur-Energy – Shirley Basin ISR Uranium Project |
|
|
| Amended Technical Report Summary – March 11, 2024 |
| Page 11 |
|
|
|
|
|
| · | WDEQ has issued several permits including: | |
|
|
|
|
|
|
|
| · | Permit PT0846, which includes an aquifer exemption, was granted on May 4, 2021. (EPA aquifer exemption received April 2021.) |
|
|
|
|
|
|
|
| · | URP issued a Source and Byproduct Material License WYSUA-2020 on May 4, 2021 which authorizes up to 6,500 gallons per minute from wellfield production and up to 2,000,000 pounds of dried U3O8 product though no CPP is proposed for the Project at this time. |
|
|
|
|
|
|
|
| · | Air Quality Permit P0027097 was issued on November 24, 2020. |
|
|
|
|
|
|
|
| · | WYPDES Permit WY0096466 was granted on December 31, 2019. |
Additional minor permits/authorizations that will be required before operations begin include the following. Each of these is routine, and may commonly be obtained in days or weeks:
|
| · | Approval by WDEQ-LQD of the Hydrologic Test Report assessing: aquifer conditions, monitor well locations and depths, pattern areas and depths, soil survey results, road and topsoil locations, baseline water quality data and potential between adjacent mine units; |
|
|
|
|
|
| · | Construction Storm Water NPDES Permits (WDEQ Title 35-11) are obtained under a general permit based on projected construction activities; |
|
|
|
|
|
| · | Industrial Stormwater NPDES Permit (WDEQ Title 35-11) - An Industrial Stormwater NPDES will be required for the plant area; |
|
|
|
|
|
| · | A Class V UIC permit (WDEQ Title 35-11) will be applied for following installation of an approved site septic system during facility construction; and |
|
|
|
|
|
| · | Wyoming State Engineer’s Office (SEO) groundwater appropriations will be applied for prior to the installation of water supply wells at the Project. |
The Project lies within Carbon County, Wyoming. Carbon County regulates certain land use and aspects of proposed operations including the septic system and building. Carbon County issued a letter on August 14, 2020, stating the in situ project is in accordance with the current zoning resolution. Therefore, no zoning amendment will need to be pursued.
| Ur-Energy – Shirley Basin ISR Uranium Project |
|
|
| Amended Technical Report Summary – March 11, 2024 |
| Page 12 |
|
|
|
|
3.5.3 Significant Factors and Risks That May Affect Access, Title or Right to Perform Work
There are ongoing reclamation and surface stabilization activities associated with historical mining. Although the Project does not lie within designated sage-grouse core area, there is a sage-grouse lek within two miles of the Area 5 Resource Area which will continue to be monitored.
Wind turbines, if built on top of a mineralized area, have the potential to limit the mineral owner’s ability to access a mineral resource. While there is ongoing wind energy development in Wyoming, there is likely only a slight risk of wind development in Shirley Basin moving north towards the Project. The nearest wind turbine is approximately seven miles to the south of the Project (U.S. Geological Survey 2024). The annual average wind speed at 80 meters at the Project would be suitable for commercial wind development (U.S. Department of Energy 2022). However, given the historical mining areas and the general topography of the area, it seems unlikely commercial wind development would seek to encroach on the Project area. This risk is non-existent on property owned by PMC. While such development could pose an issue on BLM managed lands, it is noted that there is a smaller amount of the mineral acreage directly involved in recovery areas at the Project which is BLM mining claims and, therefore, again, such a risk is viewed to be extremely slight. Furthermore, the current BLM Wind Energy Program Policies and Best Management Practices (Amendment 1) specifies that “[t]o the extent possible, wind energy projects shall be developed in a manner that will not prevent other land uses, including mineral extraction, livestock grazing, recreational use, and other ROW uses.” (BLM, 2005).
No other significant factors and risks have been identified that may affect access, title, or the right or ability to perform work on the Project.
| Ur-Energy – Shirley Basin ISR Uranium Project |
|
|
| Amended Technical Report Summary – March 11, 2024 |
| Page 13 |
|
|
|
|
4.0 ACCESSIBILITY, CLIMATE, LOCAL RESOURCES, INFRASTRUCTURE AND PHYSIOGRAPHY
4.1 Physiography
The Project is in the northeastern portion of the Shirley Basin, which is a high, intermontane basin encompassing approximately 500 square miles in south-central Wyoming. The Basin lies within the Wyoming Basin Physiographic Province within the Rocky Mountain System and is situated between the Central and Southern Rocky Mountain Provinces (Dyman et al. 2005). It is bounded on the north and east by the Laramie Range, on the west by the Granite Mountains and on the southwest by the Shirley Mountains.
Elevations in the District range from approximately 6,900 to 7,300 ft. Topography is dominated by low rolling hills mildly dissected by minor ephemeral drainages. This is locally modified by overburden dumps and mine pits from past operations which may diverge from natural ground level by as much as 250 ft. Most pits and dumps in the District have been re-contoured and re-vegetated.
Vegetation in the Project is dominated by cool season perennial grasses and sagebrush. The grasses are a combination of native species and re-vegetated species in reclaimed areas of historical mining. The sagebrush (Artemisia tridentata) is generally short and stunted but is well adapted to the cold winter temperatures and limited precipitation that characterize the Shirley Basin. Other vegetation identified at the Project includes perennial forbs, cushion plants, semi-shrubs, cacti, shrubs, and lichens.
4.2 Means of Access
The Project area is served by Wyoming Highway 487 as depicted on Figure 1. Wyoming Highway 487 is a state maintained, two-lane, sealed asphalt road providing year around access. Access to this highway from the north (Casper) is via Wyoming Highway 220, and access from the south (Laramie or Rawlins) is via US Highway 30/287. Once on the Project, there is a crown-and-ditched gravel access road to the former mill site area. The proposed access to the ISR production areas will require upgrading approximately 1.9 miles of an existing graded access road which is reached by Carbon County Road 2 (Shirley Ridge Road). In addition to the designated routes, there are a number of tertiary or “two-track” roads that traverse the area for recreation and grazing access, as well as various other uses, including mineral exploration. The nearest airport to the Project is Casper-Natrona County International Airport located just north and west of Casper, Wyoming. Both Laramie and Rawlins also have smaller regional airports. The BNSF Railroad runs through Casper, and the Union Pacific railroad runs through Medicine Bow.
4.3 Proximity to Population Centers
The Project is in a remote area. The nearest town is Medicine Bow with a population of 245 people (U.S. Census 2024), located about 32 miles south of the Project. Casper is approximately 40 miles north of the Project. Casper, with a population of 59,038 (U.S. Census 2024), has well-established infrastructure and service industry capabilities and is a source of experienced mining personnel. The city of Laramie with a population of 31,407 (U.S. Census 2024) is located approximately 78 miles south-southeast of the Project. Rawlins, Wyoming, with a population of 8,221 (U.S. Census 2024) is located approximately 66 miles to the southwest. Federal and Wyoming highways connect all these cities and towns to the Project (see Figure 1).
| Ur-Energy – Shirley Basin ISR Uranium Project |
|
|
| Amended Technical Report Summary – March 11, 2024 |
| Page 14 |
|
|
|
|
4.4 Climate and Operating Season
The climate of the Shirley Basin ranges from arid in the central portions to semi-arid along the flanks. There is a National Weather Service (NWS) meteorological station (Shirley Basin station number 488192) approximately one mile from the Permit Area that collected data for the period of record from 1978 to 2016. The average annual precipitation measured at this station was 10.57 inches. Temperatures range from moderate in the summer to harsh in the winter. As recorded at the Shirley Basin station, average maximum temperatures in the summer (June, July and August) range from 71.8° to 80.1° Fahrenheit (F), while average minimum temperatures in the winter (December, January and February) range from 1.6° to 3.3° F. Additionally, a meteorological station was installed within the Permit Area in 2014 which collected temperature, humidity, incoming solar radiation, wind speed, and wind direction. The data collected by this station are generally within range of the long term averages at the NWS station. Due to the high elevation of Shirley Basin, summers are short, but the weather is favorable for working throughout the year. However, there can be periods of time when exploration and drilling activities on the Project will be affected by winter weather, spring storms or adverse ground conditions.
4.5 Property Infrastructure
Site infrastructure is excellent. A well-graded road traverses the Project and provides access from the south and will be upgraded. The former mill facility has been dismantled and disposed of; however, several support facilities remain, including a modular field office building and a large, heated wash and lubrication bay which is currently used for storage and equipment maintenance. A regional power transmission line (69 kV) passes through the northern portions of the Project. Also, an existing energized power line leads to a substation near the field office, and from there a currently inactive powerline (power poles only) extends to the FAB Trend. A licensed active waste disposal site for 11e.(2) byproduct material is currently operating adjacent to the fully reclaimed tailings complex. Heavy equipment on site for that operation includes a D-9 bulldozer and a medium sized backhoe.
Water supply needs are currently limited to drilling water, supplied by well WW22 which is capable of producing over 25 gallons per minute (gpm). Several backup water wells are also present but have not been utilized to date. The existing water wells currently installed at the Project are capable of providing sufficient supply for domestic and other potential operational requirements. Additional new and appropriately sited water source wells will be considered for future site use. Also, water impounded in the reclaimed mine pits is suitable for use in drilling and other non-potable uses would be available pending construction of approach ramps.
| Ur-Energy – Shirley Basin ISR Uranium Project |
|
|
| Amended Technical Report Summary – March 11, 2024 |
| Page 15 |
|
|
|
|
5.0 HISTORY
The District is the second largest uranium producing district in Wyoming. It has a rich mining history that includes the first commercial uranium ISR operation in the United States and the earliest development of roll front geologic concepts. Over 51 million pounds of uranium were produced from this District from 1960-1992, including over 28 million pounds produced from the lands currently controlled by URE.
The initial uranium exploration and early discoveries within this remote basin were made by Teton Exploration (Teton) in 1954 - 1955. However, this remained largely unknown to the public until 1957 when a land rush swept the region. Utah Mining Corporation (Utah) acquired a large land position in search of additional resources to feed its Lucky Mc mill in the Gas Hills Uranium District. Utah’s position focused on the northern portions of the District.
Other significant early operators in the District were Tidewater Oil Company (Tidewater) later, Getty Oil Company (Getty), Petrotomics Company (Petrotomics) and Kerr-McGee Nuclear. These companies focused primarily on the southern portions of the District. Petrotomics started an open pit mine/mill operation in 1962 just south of the Utah property and operated through 1985. All of Kerr-McGee Nuclear’s production was processed through the Petrotomics mill. In addition, ore from the Jenkins Mine operated by the Uranium Supply Services Corporation in the southern portion of the District was processed at the Petrotomics mill.
5.1 Prior Ownership and Ownership Changes
Most of the initial land acquisition throughout what is now the Project was conducted by Utah and Tidewater (particularly Tidewater in the western FAB Resource Area) in the late 1950s. Area 5 and the eastern FAB Resource Area were initially acquired by Utah from third parties who had located unpatented lode claims. By 1963, Utah had acquired title and interest to the unpatented lode claims from various third parties, and after doing so, merged with Utah Construction and Mining Company (Utah CM). In 1968, Utah CM patented the lode claims, which make up the majority of the Area 5 and eastern FAB Resource Areas. In 1973, Utah CM conveyed its interests to Utah International Inc. (UII). In 1976, UII conveyed its interest to Lucky Mc Uranium Corporation, which subsequently changed its name to Pathfinder Mines Corporation (PMC). PMC was purchased by COGEMA in the 1980s, and, in 2013, URE acquired PMC.
With respect to portions of the FAB Resource Area, Tidewater initially located unpatented lode claims, then sought and received patents (early 1960s). Tidewater then merged with Getty, who received additional patents for lode and mill site claims (1973), which completes the interests in the western FAB Resource Area. In 1984, Getty conveyed its interest to Getty Mining Company, which subsequently conveyed the interest to Petrotomics. In 1985, Petrotomics deeded all its interest in what is now the FAB Resource Area to PMC. Additionally, PMC controls 29 unpatented lode mining claims within the FAB and Area Five Resource Areas. In 2005, PMC acquired a 100% interest on 70 contiguous acres from two mineral and surface fee owners southeast of, and contiguous to, the Area 5 Resource Area.
5.2 Exploration and Development by Previous Owners and Operators
Utah’s exploration operations at Shirley Basin were well managed and extremely efficient. After staking mining claims, Utah immediately commenced a successful exploratory drilling program in July 1957. Utah’s first ore-hole was drilled in August 1957 in what is now Pit 3, followed by an extensive exploration drilling program. Sufficient resources were soon discovered to warrant development, and in June 1959 underground mine construction was started in what is now the northern portions of Pit 2. Production by Utah/PMC over the years was by three different methods. Initial mining was by underground methods, with the ore shipped to Utah’s Lucky Mc mill in the Gas Hills. However, underground mine dewatering proved difficult. Consequently, underground activities were abandoned in 1963 and replaced by the first successful commercial ISR operation in the U.S., employing acid leach methods. In 1970, production demands caused Utah to switch to open pit mining. All mining past that point was by open pit mining. A mill to process the ore on site was commissioned in 1971.
| Ur-Energy – Shirley Basin ISR Uranium Project |
|
|
| Amended Technical Report Summary – March 11, 2024 |
| Page 16 |
|
|
|
|
Prior to acquisition by URE more than 9,400 exploration and development rotary drilled holes were drilled and logged by Utah/PMC and Petrotomics within or near the current Project area. Most had been drilled prior to 1984 as delineation holes for past mined open pits and as regional exploration holes; however, more than 3,200 holes were drilled within the current FAB Trend and Area 5. Pre-stripping of portions of the FAB Trend had been initiated adjacent to Pit 8, and at the east end of the trend adjacent to Pit 3. Pre-stripping had progressed to approximately 50-75 ft. in depth by the time mining ceased.
5.3 Significant Historical Mineral Resource and Mineral Reserve Estimates
When PMC open pit operations in the District ceased in 1992, substantial mineral resources remained in the ground. COGEMA formed an ISL Resource Assessment Group in 1994 to evaluate remaining resources in the Project and their suitability for ISR. The primary resource area was identified as the FAB Resource Area or FAB Trend, which is primarily located in the southern portions of Sections 33, 34 & 35, Township 28 North, Range 78 West (Figure 4). This resource represents the connecting mineral trend within the Main Sand between past production in the Pit 2/8 complex and Pit 3. The Pit 2/8 complex produced approximately 18 million lbs. of U3O8 and Pit 3 produced approximately 7 million lbs. U3O8. A second area (Area 5 Resource Area), in the northwest portion of the Project (Figure 4), was also evaluated by the ISL Resource Assessment Group.
In annual uranium reserve summary reports from 1994 to 1998, COGEMA identified approximately 7 million lbs. of U3O8 in the FAB Trend and Area 5 as resources that could potentially be mined by solution methods. These earlier resource estimates are relevant as they provide an indication of the mineralization in the area; however, they do not differentiate resources in terms of currently recognized resource categories (Measured, Indicated and Inferred), and they do not meet the professional definition standards and guidelines for the reporting of exploration information, mineral resources and mineral reserves for the purpose of S-K 1300. URE has not treated this historical estimate as current mineral resources or mineral reserves, and it is superseded by the current mineral resource estimate in this Report.
In 2010, AREVA (formerly COGEMA) completed a more comprehensive resource evaluation for the FAB Trend and Area 5. Termed a “GT Layer Resource Model,” it was largely a geostatistical approach based on mineralized intercept data from historical delineation drill holes completed in the two resource areas. GT values for mineralized holes were accumulated per each 10-ft. elevation slice. The resulting GT values were contoured for each elevation slice using a kriged or distance-weighted average GT contour method, and the sub-total resources for each slice were calculated. The totals listed in Table 3 represent the total of all slices and include some mineralization in the White River Formation. No geological interpretation was involved.

Figure 4. Shirley Basin Project Resource Areas
| Ur-Energy – Shirley Basin ISR Uranium Project |
|
|
| Amended Technical Report Summary – March 11, 2024 |
| Page 17 |
|
|
|
|
Table 3. 2010 Historical PMC Shirley Basin Project Resource Summary
| GT Cutoff | 0.01 | 0.10 | 0.25 | 0.50 | 1.00 | |
| FAB Area | lbs U3O8 Avg GT Avg Grade | 15.81M 0.025 0.030% | 12.43M 0.359 0.138% | 9.28M 0.631 0.218% | 6.25M 1.035 0.322% | 3.43M 1.784 0.493% |
| Area 5 | lbs U3O8 Avg GT Avg Grade | 2.58 M 0.022 0.016% | 1.47M 0.239 0.106% | 0.80M 0.450 0.188% | 0.35M 0.772 0.275% | 0.10M 1.334 0.461% |
| Total Resource | lbs. U3O8 | 18.39M | 13.90M | 10.08M | 6.60M | 3.53M |
Note: These resources were not modeled using GT contouring methods. URE believes that the kriging methods used to develop these resources were not appropriate and may have inflated the resources. This data is provided for informational purposes only and URE does not treat these estimates as mineral resources or mineral reserves.
The estimation was done using multiple GT cutoffs for both the FAB and Area 5 Resource Areas.
This historical resource estimate is relevant as it provides an indication of the magnitude of remaining resources in the FAB and Area 5 Resource Areas. However, not all the resources in this historical estimate should be considered as suitable for ISR production. Also, this historical resource estimate does not differentiate resources in terms of currently recognized resource categories (Measured, Indicated and Inferred), and does not meet the professional definition standards and guidelines for the reporting of exploration information, mineral resources and mineral reserves for the purpose of S-K 1300. URE has not treated this historical estimate (Table 3) as current mineral resources or mineral reserves, and it is superseded by the current mineral resource estimate in this Report.
5.4 Production
No production has taken place within the District since 1992. Prior to that time, based on internal PMC reports, a combined 51,263,100 lbs. U3O8 were mined from the District. Of this total, PMC (and its predecessor company - Utah) produced 28,263,100 lbs. U3O8. PMC’s total production was the result of a combination of underground mining, ISR operations and open pit mining within property currently controlled by URE. Historical production within the District is shown in Table 4.
Table 4. Shirley Basin Historical Uranium Production (1960-1992)
| Company | Method | Pounds U3O8 |
| Utah | Underground | 1,200,000 |
| Utah | ISR | 1,500,000 |
| Utah/PMC | Open Pit | 25,563,100 |
| Petrotomics | Open Pit | 22,000,000 |
| Homestake/Others | Open Pit | 1,000,000 |
|
| Total | 51,263,100 |
| Ur-Energy – Shirley Basin ISR Uranium Project |
|
|
| Amended Technical Report Summary – March 11, 2024 |
| Page 18 |
|
|
|
|
Underground Mining – Utah began underground mine construction in June 1959. Underground methods were selected because portions of the reserves were too deep for open pit mining under the small production quotas allocated at the time by the U.S. Atomic Energy Commission (AEC). The first ore was produced in March 1960. The ore was transported to Utah’s Lucky Mc mill in the Gas Hills Uranium District for processing. Unstable mining conditions, attributed to the unconsolidated nature of the ore sands and high flow of groundwater, resulted in high mining costs. Near the end of this mining phase, 4,000-5,000 gpm had to be pumped from the mine to maintain the operation. Underground drifting stopped in November 1963 when the decision was made to switch to solution mining. A total of 110,000 tons of ore were mined from underground operations containing 1.2 million lbs. U3O8.
ISR Operations – It was recognized early in the underground mining phase that the troublesome issues related to poorly consolidated permeable host sands and high groundwater flow could be positive factors for ISR. For this reason, research into ISR began in 1961. This research focused on the site hydrological conditions, optimum geometry of wellfield patterns and production/injection well designs.
Commercial ISR operations commenced in 1963 and continued into 1970, when dewatering associated with open pit mining stopped operations. These were the first commercial ISR operations in the U.S. and were considered technologically and economically successful. Produced mining solutions were pumped to a uranium recovery plant on the property, containing ion exchange, elution and stripping columns. A uranium slurry from this plant was concentrated and shipped to the Lucky Mc mill for final processing. A total of 1.5 million lbs. U3O8 were produced through ISR methods.
Open Pit Mining – In November 1968, Utah announced plans to initiate large-scale open pit mining operations and to construct an 1,800 ton/day mill on its Shirley Basin property. Overburden stripping began in 1969 and, in July 1970, ISR production was halted. The mill first began processing ore from open pit operations in 1971. Production came from three large open pits: Pits 2, 3 and 8. Pit 3 and most of Pit 2 were on ground initially acquired by Utah. Pit 8 was on ground acquired from Petrotomics. All historical underground workings and the area mined by ISR were eventually removed by open pit mining within Pit 2. PMC’s open pit mining operations were terminated in 1992 and produced a total of 25,563,100 lbs. U3O8.
| Ur-Energy – Shirley Basin ISR Uranium Project |
|
|
| Amended Technical Report Summary – March 11, 2024 |
| Page 19 |
|
|
|
|
6.0 GEOLOGICAL SETTING, MINERALIZATION, AND DEPOSIT
6.1 Regional Geological Setting
The Shirley Basin is a small structural basin with a complex structural history. The latest and most prominent structural events were associated with the Laramide Orogeny of Late Cretaceous to Early Paleogene age. During this orogeny, basement uplifting within the surrounding Granite and Shirley Mountains to the west and southwest and within the Laramie Mountains to the east and northeast formed a broad, shallow, southward-plunging basin. Within this basin, post-Laramide Tertiary sediments were unconformably deposited on an eroded surface of mid Cretaceous strata. These Cretaceous sediments dip approximately 2-12° to the southwest.
6.2 Shirley Basin Stratigraphy
Cenozoic and Mesozoic sediments present on the surface and in the sub-surface at Shirley Basin are illustrated stratigraphically on Figure 5. The following summarizes the geologic formations, from shallowest to deepest, below, above and including the host sandstones of the Eocene-age Wind River Formation.
Quaternary – Thin sequences of alluvial sediments occur along intermittent and perennial stream drainage systems. These fine-grained sediments have been eroded from Tertiary and Cretaceous rocks.
Arikaree Formation (Miocene), fluvial and lacustrine – This formation consists of alternating beds of fine to medium-grained, calcareous, light-gray, tuffaceous sandstones; lenticular conglomerates; and fresh-water limestones. The maximum thickness of this formation is 180 ft. While the Arikaree is not present within the District, exposures on the periphery of the structural basin have been described by Harshman, 1972.
White River Formation (Oligocene), fluvial and lacustrine – This thick sequence of tuffaceous sediments has a maximum thickness of 750 ft. An upper member consists of tuffaceous siltstones, interbedded with coarse-grained sandstone and boulder conglomerates. A lower member is predominately tuffaceous siltstones, but contains sequences of claystones, sandstones, conglomerates and fresh-water limestone. Locally, the White River Formation contains small concentrations of uranium mineralization.
Wagon Bed Formation (Eocene), fluvial and lacustrine – Where present, it consists of interbedded coarse-grained arkosic sandstones, silicified siltstones and claystones, and fresh-water limestones. The maximum observed thickness of this formation is 155 ft. It is not present in the Project area, having been removed by erosion prior to deposition of the White River Formation.
| Ur-Energy – Shirley Basin ISR Uranium Project |
|
|
| Amended Technical Report Summary – March 11, 2024 |
| Page 20 |
|
|
|
|
Figure 5. Stratigraphic Column

| Ur-Energy – Shirley Basin ISR Uranium Project |
|
|
| Amended Technical Report Summary – March 11, 2024 |
| Page 21 |
|
|
|
|
Wind River Formation (Eocene), fluvial – This formation is the primary host for uranium deposits in the Shirley Basin and consists of sequences of medium to coarse-grained arkosic sandstones, interbedded with claystone shale, clayey siltstones and thin lignites. Locally, there are intervals of boulder conglomerates, although these have not been observed within the Project area. The maximum thickness of this formation ranges from 450-550 ft.
Steele Shale (Cretaceous), marine – This is the youngest Cretaceous formation recognized in the Shirley Basin. This formation consists of thin-bedded, dark gray clay shale and some siliceous, medium-grained, light-gray sandstones. The Steele Shale is soft and easily eroded. It has an estimated thickness of 1,500-2,000 ft. This formation has been removed by pre-Tertiary erosion in the Project area and is present only in the far northeastern portion of the District.
Niobrara Formation (Cretaceous), marine – This formation consists of dark gray to black locally calcareous shale, interbedded with thin limey sandstones. Total estimated thickness of this formation is 900 ft.
Frontier Formation (Cretaceous), marine – The majority of the formation consists of gray to dark gray, thin-bedded carbonaceous shale. The top of the Frontier Formation is represented by the Wall Creek Sandstone member. This member consists of a series of fine to medium-grained sandstones, interbedded with dark gray shale. The sands are cemented with calcium carbonate and are very resistive to erosion. They have also been a prolific oil producer throughout Wyoming. Thickness is approximately 110 ft. Total estimated thickness of the Frontier Formation (including the Wall Creek Sandstone) is 900 ft.
6.3 Project Geology
In the Project area, the primary hosts for uranium mineralization are arkosic sandstones of the Eocene-age Wind River Formation. This formation was unconformably deposited on gently-dipping shales and sandstones of the Cretaceous-age Niobrara and Frontier Formations. The White River Formation unconformably overlies the Wind River Formation and outcrops on the surface throughout most of the Project, with thicknesses ranging from a thin veneer in the FAB Resource Area to over 250 ft. in Area 5 (see Figure 6).
The Wind River sediments in the Project area were deposited as part of a large fluvial depositional system. The lithology of the Wind River Formation is characterized by thick, medium to coarse-grained, arkosic sandstones separated by thick claystone units. Sandstones and claystones are typically 20 - 75 ft. thick. Minor thin lignite and very carbonaceous shale beds occur locally. These fluvial sediments are located within a large northwest-trending paleochannel system with a gentle 1° dip to the north (Bailey and Gregory 2011).
The average thickness of the Wind River Formation within the Project area is approximately 230 ft. (see Figure 7). The two most dominant sandstones are named the Main and Lower Sands as shown on Figure 8 (cross section locations are shown on Figures 6, 16 & 17).
| Ur-Energy – Shirley Basin ISR Uranium Project |
|
|
| Amended Technical Report Summary – March 11, 2024 |
| Page 22 |
|
|
|
|
Figure 6. Geology Map

| Ur-Energy – Shirley Basin ISR Uranium Project |
|
|
| Amended Technical Report Summary – March 11, 2024 |
| Page 23 |
|
|
|
|
Figure 7. Type Log

| Ur-Energy – Shirley Basin ISR Uranium Project |
|
|
| Amended Technical Report Summary – March 11, 2024 |
| Page 24 |
|
|
|
|
Figure 8. Cross Sections FAB Trend & Area 5

| Ur-Energy – Shirley Basin ISR Uranium Project |
|
|
| Amended Technical Report Summary – March 11, 2024 |
| Page 25 |
|
|
|
|
The Lower Sand represents the basal sand unit of the Wind River Formation and in places lies directly above the underlying Cretaceous formations. The Main Sand typically lies approximately 15 - 25 ft. above the Lower Sand. Locally, the two sands merge where the intervening claystone unit is absent. Typical thickness of the Lower Sand ranges from 25 - 50 ft. and that of the Main Sand from 40 - 75 ft. Less dominant sands are common within the Wind River Formation. One in particular has been referred to as the Upper Sand and is present within much of the FAB Trend, lying approximately 25 ft. above the Main Sand. Claystone units are normally at least 10 ft. thick and commonly are 20 - 50 ft. thick.
The average depth to the top of the Main Sand in the FAB Trend is approximately 270 ft. and the average depth to the base of the Lower Sand is 400 ft. Area 5 is down-dip; therefore, the units are slightly deeper. The average depth to the top of the Main Sand in Area 5 is approximately 360 ft. and the average depth to the base of the Lower Sand is 490 ft.
Regional alteration systems related to roll front development followed the Wind River Formation depositional patterns. Two major alteration systems developed, one in the Lower Sand and one in the Main Sand. Major historical ore bodies in the southern portions of the District were mainly in the Lower Sand and lower alteration system, while those in the central and northern portions of the District were in both the Lower and Main Sands. PMC’s Pit 3 was mined only in the Main Sand. Pits 2 and 8 were mined in both sands and both alteration systems.
Mineralized core of the Main Sand, collected during URE’s 2014 confirmation drilling program, was described by geologists as medium- to coarse-grained, friable sandstone, clean, uncemented but weakly to moderately compacted. Laboratory testing of physical parameters of these core samples yielded an average horizontal permeability (to air) of 3,319 millidarcies, and an average porosity of 26.8%. In addition, similar testing of an overlying claystone unit yielded a vertical permeability of 4.56 millidarcies, and a sample from the underlying claystone unit had a vertical permeability of 0.93 millidarcy. The results of these initial tests indicate conditions are suitable for uranium ISR, a high permeability host aquifer confined by low permeability aquitards.
Bulk density analyses were also conducted on two core samples from the Main Sand. These analyses yielded an average tonnage factor (density) of 15.7 cubic (cu.) ft. per ton for the host sandstone. This compares favorably to the historical PMC tonnage factor of 16.0 cu. ft. per ton, which was used in URE’s current resource estimate.
Chemical analyses for trace metals and accessory minerals of 33 samples collected from the two 2014 core holes were performed by Inter-Mountain Labs, Inc. (IML) now Pace Analytical. Trace metal analysis was done using inductively coupled plasma mass spectrometry (ICP-MS) methods employing 3-acid digestion (nitric, hydrochloric and hydrogen peroxide: EPA Method 3050). All samples represent approximately one-foot intervals and were collected from within, or adjacent to, mineralized intervals. Results for selected analytes which could potentially impact uranium ISR or processing are listed Table 5 below.
| Ur-Energy – Shirley Basin ISR Uranium Project |
|
|
| Amended Technical Report Summary – March 11, 2024 |
| Page 26 |
|
|
|
|
Table 5. Summary of Select Analytical Results from Shirley Basin Core
| Analyte | Average Concentration |
| As | 9.5 ppm |
| Mo | 10.4 ppm |
| Pb | 15.8 ppm |
| Se | 2.9 ppm |
| V | 71.0 ppm |
| C(org) | 0.17% |
| CaCO3 | 1.88% |
None of the analytes shows contents which would impede uranium recovery. Vanadium values are elevated; however, vanadium recovery during bottle roll leach tests was very low.
Petrographic and mineralogical analyses were conducted by Hazen Research, Inc. (Hazen) on behalf of PMC in 2014 on two mineralized core samples. The samples were selected from two core holes, each testing the “nose” environment of separate roll fronts in the Main Sand within the FAB Trend. Uranium analysis by Hazen showed the grade of sample FAB-8C 248.5 to be 0.26% U3O8, near the average grade for the FAB Trend. Sample FAB-9C 344.4 is of higher grade at 0.70% U3O8. Mineralogical analysis was performed on polished sections using QEMSCAN technology. Selected portions of the samples were also analyzed by x-ray diffraction (XRD).
Table 6 lists the semi-quantitative abundance analysis of the minerals identified in the two samples. The results are consistent with that of a clean uranium bearing arkosic sandstone. The main minerals are quartz, potassium-rich feldspar, and clay minerals (possibly swelling). The clay fraction varied from 9% to 14% (by mass). Clay mineralogy was not identified but is likely mostly smectite with some kaolin. Pyrite content is lower than expected, at 0.9% to 1.5%. Carbonate (calcite) content is variable. Sample FAB-8C 248.5 contained very little carbonate, while FAB-9C 344.4 was locally calcite cemented, showing a total of 6.1% carbonate. Uranium mineralization is not prevalent in calcite-rich zones. Microscopic estimation of porosity for both samples is 25%.
Other minerals identified in the sand include mica or clinochlore (or both) and trace levels of zircon, epidote, titanite (sphene), and calcium sulfate (probably gypsum). The “miscellaneous” and “unidentified” categories in Table 6 include minerals that occur at very low levels or analysis points that could not be positively identified.
Uranium mineralogy was identified as uraninite [UO2], possibly with coffinite [U(SiO4)1-x(OH)4x], occurring in an undiscernible crystal morphology smaller than 1µm. The uranium minerals are mainly finely disseminated and adhered to clays that occur in the interstitial spaces between quartz and feldspar grains. They also occur in clay-rich coatings on quartz and feldspar grains, as fracture fillings in the sand grains, in weathered or altered grains of feldspar, and locally as inclusions within pyrite grains.
| Ur-Energy – Shirley Basin ISR Uranium Project |
|
|
| Amended Technical Report Summary – March 11, 2024 |
| Page 27 |
|
|
|
|
Table 6. Semi-quantitative Mineral Abundance Analysis
| Sample | FAB-8C 248.5 | FAB-9C 344.4 |
| Mineral | Analysis, mass% | |
| Uraninite | 0.001 | 0.09 |
| Uraninite or coffinite with clay | 3.9 | 9.3 |
| Quartz | 47 | 38 |
| Feldspar | 31 | 32 |
| Mica or clinochlore | 2.1 | 2.8 |
| Clay (Mg–Ca–K–Fe–Al silicate) | 14 | 9 |
| Pyrite | 0.9 | 1.5 |
| Carbonate | 0.1 | 6.1 |
| Zircon | 0.03 | 0.01 |
| Epidote | 0.4 | 0.1 |
| Titanite | 0.02 | 0.03 |
| Ca-sulfate | 0.001 | 0.2 |
| Miscellaneous | 0.3 | 0.8 |
| Unidentified | 0.1 | 0.1 |
| Total | 100 | 100 |
Figure 9 is a backscatter electron photomicrograph of a polished section from sample FAB-9C 344.4. It illustrates the presence of uranium associated with interstitial clay and with clay-rich coatings on sand grains.
The results of the Hazen petrographic analyses indicate that the mineralogical characteristics of the FAB Trend should be amenable to uranium ISR and are similar in most respects to those of other Wyoming deposits which have been successfully mined by ISR methods.
6.4 Significant Mineralization
All uranium mineralization at the Project occurs as roll front deposits. Virtually all significant mineralization, including the past production, is hosted by the Main Sand or the Lower Sand. Limited uranium mineralization has also been encountered in the less pervasive upper Wind River Formation sandstones and in sandstones of the overlying White River Formation. These upper sandstones, however, are viewed as marginal targets and evaluation to date has been limited.
Each of the primary host sands is occupied by a regional roll front alteration system which closely follows the depositional patterns established by Wind River-age fluvial paleo channels. The alteration systems, in turn, develop multiple stacked roll fronts at their terminal ends or lateral edges, such that the Main Sand has as many as ten distinct roll fronts and the Lower Sand up to five roll fronts.
| Ur-Energy – Shirley Basin ISR Uranium Project |
|
|
| Amended Technical Report Summary – March 11, 2024 |
| Page 28 |
|
|
|
|

Figure 9. Backscatter Electron Photomicrograph – Uranium Mineralization (Bright) Associated with Clays Surrounding Quartz and Feldspar Grains
The FAB Trend is the primary target for potential uranium ISR. Mineralization occurs primarily in the Main Sand and represents an arcuate trend which links past Main Sand production in Pits 2/8 to that in Pit 3. (see Figure 10). The trend represents a composite of multiple stacked roll front mineral horizons spanning a length of approximately 11,000 ft. (2 miles) and varying in width from 250-1,000 ft. Mineralization occurs within a 200-ft. depth interval, ranging from 200-400 ft. Within a given roll front, mineralization exhibits strong horizontal continuity parallel to the orientation of the reduction-oxidation (redox) interface.
Mineralization in Area 5 is also a target for ISR. Mineralization in Area 5 is hosted in both the Main and Lower Sands near the northern terminus of those regional alteration tongues. Resources occur in two loosely defined, north-south oriented trends which are located along the lateral flanks of the alteration tongues. The western flank contains the highest occurrences of mineralization. The eastern trend is less defined and holds fewer resources. The western trend is approximately 3,000 ft. long by 1,000 ft. wide, and the eastern trend is approximately 2,500 ft. long by 500 ft. wide. Together, the two trends represent a resource area approximately 3,000 ft. long by 2,000 ft. wide. Similar to the FAB Trend, each sand hosts multiple stacked roll fronts. Depth to mineralization in the Main Sand in Area 5 ranges from 380-500 ft. and from 470-530 ft. in the Lower Sand. Geometry of the individual roll fronts in this area is very similar to that described above for the FAB Trend.
| Ur-Energy – Shirley Basin ISR Uranium Project |
|
|
| Amended Technical Report Summary – March 11, 2024 |
| Page 29 |
|
|
|
|

Figure 10. Mineralized Trends
6.5 Deposit
Uranium mineralization identified throughout the District occurs as roll front-type deposits. Because of the extensive uranium exploration activities conducted in the Shirley Basin during the early years of the U.S. uranium industry (the late 1950s through early 1960s), many of the fundamental concepts of the roll front model were developed by early Shirley Basin geologists studying the underground and open pit workings. Harshman, 1972, provides a detailed analysis of the geology and uranium deposits of the Shirley Basin area.
The photograph shown in Figure 11 was taken in one of the Shirley Basin open pits and illustrates a cross sectional view of a roll front. In this case, the roll front has migrated from left to right. The crescent shape configuration of the mineralization within the sand is clearly evident. Oxidized sand is observed to the left of the roll. Colors in this photo are distorted due to the age of the photo.
| Ur-Energy – Shirley Basin ISR Uranium Project |
|
|
| Amended Technical Report Summary – March 11, 2024 |
| Page 30 |
|
|
|
|
| In the western U.S. and south Texas, roll front-type deposits have been successfully produced through ISR mining for nearly 60 years. The formation of roll front deposits is largely a groundwater process that occurs when uranium-rich, oxygenated groundwater interacts with a reducing environment in the subsurface and precipitates uranium. The most favorable host rocks for roll fronts are permeable sandstones within large aquifer systems. Interbedded mudstone, claystone and siltstone are commonly present and aid in the formation process by focusing groundwater flux. The geometry of mineralization is dominated by the classic roll front “C” shape or crescent configuration at the alteration interface as shown conceptually in Figure 12. The highest grade portion of the front occurs in a zone termed the “nose” within reduced ground just ahead of the alteration front. Ahead of the nose, at the leading edge of the solution front, mineral quality gradually diminishes to barren within the “seepage” zone. Trailing behind the nose, in oxidized (altered) ground, are weak remnants of mineralization referred to as “tails” which have resisted re-mobilization to the nose due to association with shale, carbonaceous material or other lithologies of lower permeability. Tails are generally not amenable to ISR because the uranium is typically found within strongly reduced or impermeable strata, therefore making it difficult to leach.
|
|
Figure 11. Photo of Shirley Basin Roll Front |
There are two potential sources of the uranium for the District: (1) leaching of uraniferous Oligocene volcaniclastics which once covered the region and (2) weathering and leaching of uraniferous Archean granite of the Laramie and Shirley Mountains (north, east and southwest of the District) which also represent the provenance of the arkosic sands within the Wind River Formation in the District.
Oxygenated surface water passing through the overlying thick sequences of volcaniclastic material may have leached metals, including uranium. These metal-enriched fluids may have also leached additional uranium from the granitic content of the arkosic sands which compose the aquifers. The enriched, oxidizing fluids subsequently entered the regional groundwater systems within the basin and migrated down-gradient through the aquifers as large oxidizing geochemical cells referred to as solution fronts.
Uranium precipitated in the form of roll front deposits at the leading edge of the geochemical cells where it encountered reducing geochemical environments within the host sands. Mineral quality was enhanced where groundwater flux was focused horizontally by paleochannels or vertically by aquitards. Continuity of these conditions produced a significant accumulation of uranium at the redox interface. Renewed supply of oxygen to the system allowed slow migration of the uranium deposit down-dip over geologic time.
| Ur-Energy – Shirley Basin ISR Uranium Project |
|
|
| Amended Technical Report Summary – March 11, 2024 |
| Page 31 |
|
|
|
|
Figure 12. Conceptual Uranium Roll Front Deposit

| Ur-Energy – Shirley Basin ISR Uranium Project |
|
|
| Amended Technical Report Summary – March 11, 2024 |
| Page 32 |
|
|
|
|
The oxidized mineralizing solutions typically carry and precipitate other metals in addition to uranium. At Shirley Basin, Harshman (1974) documented the deposition of vanadium, selenium and epigenetic iron as pyrite in close association with the uranium roll front.
The reducing environment in the host sand is generally the result of carbonaceous material within the formation or leaked reductant gases originating from deep hydrocarbon sources. Pyrite is inherently associated with both and is a significant indicator of a reducing environment. Reduced sands are typically light to medium gray and represent the regional framework prior to mineralization. The reducing environment is subsequently altered by the passage of the oxidizing solution front. Alteration typically involves oxidation of pyrite and other iron-bearing minerals to limonite/goethite, or locally hematite, and destruction of carbonaceous material. As a result, altered (oxidized) sands in Shirley Basin are typically yellowish green, pale yellow, tan and, less commonly, reddish brown in color.
Mineralization within a roll front varies considerably in size and shape, but is generally long, narrow and sinuous in map view. The total length of a mineral trend may extend for several miles. Commonly, a deposit or mineral trend will consist of a composite of multiple roll fronts. Typical width of an individual roll front is generally 25-50 ft. However, in the case of multiple fronts, the composite width may be several hundred feet across. Typical thickness of an individual roll front is roughly 5-25 ft. and the composite thickness of multiple fronts may be as much as 70 ft.
Roll front development in the District was the product of two large, regional geochemical alteration systems, or tongues, each occupying either the Main Sand or the Lower Sand of the Wind River Formation. Multiple individual roll fronts developed at the terminal ends and also along the lateral perimeters of these regional tongues.
| Ur-Energy – Shirley Basin ISR Uranium Project |
|
|
| Amended Technical Report Summary – March 11, 2024 |
| Page 33 |
|
|
|
|
7.0 EXPLORATION
Since acquiring the Project, URE performed no exploration, other than the confirmatory drilling program and pump tests described below. An extensive review of historical PMC drill hole data, however, was undertaken by URE in order to estimate existing uranium resources within the property boundaries. Over 3,200 drill holes in the FAB and Area 5 Resource Areas were evaluated.
This evaluation included the use of historical down-hole electric logs, lithology logs, drill hole location maps, summaries of mineralized drill hole intercepts and survey coordinates for drill holes.
7.1 Drilling
7.1.1 Historic Drilling
Prior to acquisition by URE more than 9,400 exploration and development rotary drilled holes were drilled and logged by Utah/PMC and Petrotomics within or near the current Project area. Most had been drilled prior to 1984 as delineation holes for past mined open pits and as regional exploration holes; however, more than 3,200 holes were drilled within the current FAB Trend and Area 5.
7.1.2 Ur-Energy Confirmation Drilling
In 2014 URE completed a limited confirmation drilling program within the FAB and Area 5 Resource Areas. The primary goals of the program were:
|
| · | Confirmation of the location and nature of mineralization as reported by historical PMC data; |
|
|
|
|
|
| · | Stratigraphic investigation to confirm lithology and to confirm overlying and underlying hydrogeological confinement; and |
|
|
|
|
|
| · | Collection of core for leach testing and analyses of uranium, mineralogy, trace metals, disequilibrium, permeability, porosity and density. |
The confirmation drilling program consisted of 14 near-vertical rotary drill holes, including two core holes for a total drilling footage of 6,588 ft. (see Table 7). In the FAB Trend, drilling consisted of eight rotary holes and the two core holes (see Figure 16). The remaining four rotary holes were drilled in Area 5 (see Figure 17). All drilling was mud-rotary type conducted by contracted drill rigs. The drill rigs were truck-mounted, water well-style rigs rated to depths of 1,000-1,500 ft. The non-core holes served a dual purpose of mineral confirmation and stratigraphic investigation. All were positioned in locations intended to approximate that of selected historical drill holes with the goal of replicating reported mineralization. In addition, the lithology of overlying and underlying clay units was evaluated as potential aquitards for ISR. The total depth of these holes extended at least 60 ft. below the mineralized zones to evaluate the lithology and hydrogeological characteristics of underlying Wind River claystones and Cretaceous shales.
| Ur-Energy – Shirley Basin ISR Uranium Project |
|
|
| Amended Technical Report Summary – March 11, 2024 |
| Page 34 |
|
|
|
|
Table 7. Summary of URE Confirmation Drilling Results
| Resource Area | # Holes | Total Drilled Depth (ft.) | Avg Depth (ft.) | # Holes with Potentially Economic Mineral | # Mineral Intercepts (gamma) | # PFN Logged Holes | # PFN Logged Intercepts |
| FAB | 10 | 4,260 | 426 | 8 | 9 | 6 | 8 |
| Area 5 | 4 | 2,328 | 582 | 2 | 4 | 1 | 2 |
| Total | 14 | 6,588 | 10 | 13 | 7 | 10 |
The rotary drill hole data confirmed the presence and nature of the uranium mineralization and substantiated the validity of historical PMC data. Open-hole gamma and prompt fission neutron (PFN) logging of the confirmation drill holes verified the presence of high-grade roll front uranium mineralization in locations identified by historical PMC data and exhibited similar grade and thickness values. The majority of the mineral intercepts were interpreted as encountering the “nose” portion of the roll front system within the targeted sandstone. Deviation surveys were conducted on these near-vertical drill holes, revealing an average bottom-hole deviation of only 3.19 ft. As shown in Table 8, the gamma results include a total of 13 intercepts containing mineralization which meets or exceeds criteria defined by URE as potentially economic for the Project (i.e., GT ≥ 0.25 with a minimum grade cutoff of 0.020% eU3O8). The PFN results on 10 of these logged gamma intercepts show an average Disequilibrium Factor (DEF) of 1.03, indicating that the uranium mineralization is at or near chemical equilibrium and confirms that measurement of mineralization by gamma methods is a valid tool at the Project.
Table 8. Summary of Mineralized Intercepts – URE Confirmation Drilling
| Hole No. | Depth (ft.) | Thickness (ft.) | Grade (eU3O8(1)) | GT (gamma) | GT (PFN) |
| A5-002 | 427.5 | 9.5 | 0.067% | 0.64 | --- |
| A5-004 | 403.0 | 6.5 | 0.147% | 0.96 | 1.03 |
| A5-004 | 415.0 | 6.5 | 0.059% | 0.39 | 0.38 |
| A5-004 | 528.5 | 11.0 | 0.039% | 0.43 | --- |
| FAB-002 | 311.5 | 8.0 | 0.502% | 4.02 | 3.27 |
| FAB-004 | 223.5 | 6.0 | 0.056% | 0.34 | 0.33 |
| FAB-004 | 255.0 | 12.0 | 0.230% | 2.76 | 2.30 |
| FAB-005 | 242.0 | 12.5 | 0.321% | 4.01 | 4.51 |
| FAB-006 | 331.0 | 19.0 | 0.160% | 3.04 | --- |
| FAB-007 | 312.0 | 9.0 | 0.224% | 2.02 | 2.01 |
| FAB-007 | 322.0 | 7.0 | 0.076% | 0.53 | 0.62 |
| FAB-008C | 242.0 | 13.0 | 0.225% | 2.93 | 3.32 |
| FAB-009C | 331.0 | 19.0 | 0.189% | 3.59 | 4.02 |
(1) % eU3O8 is a measure of gamma intensity from a decay product of uranium and is not a direct measurement of uranium. Numerous comparisons of eU3O8 and chemical assays of Shirley Basin core samples, along with historical mining experience, indicate that eU3O8 is a reasonable indicator of the chemical concentration of uranium.
| Ur-Energy – Shirley Basin ISR Uranium Project |
|
|
| Amended Technical Report Summary – March 11, 2024 |
| Page 35 |
|
|
|
|
The drilling results also provided valuable information regarding the distribution and character of the Main and Lower Sands of the Wind River Formation. Hydrogeological confinement above the host sandstones is provided by competent overlying Wind River Formation shale, generally in excess of 20 ft. thick, and underlying confinement is provided by both Wind River and Cretaceous shales, which, in combination, are typically in excess of 800 ft. thick.
The seven best intercepts had GTs ranging from 2.02 to 4.01, with an average grade of 0.24% eU3O8. Included within these mineralized intercepts are several significantly higher grade intervals:
2.5 ft. of 1.02% eU3O8 (hole FAB‐002)
2.5 ft. of 0.74% eU3O8 (hole FAB‐004)
2.5 ft. of 0.67% eU3O8 (hole FAB‐005)
The two core holes were approximately 10 ft. offsets of two URE non-core holes which were representative of the mineral character in the FAB Trend. Mineralization in the two core holes exhibited continuity of grade and thickness with mineralization encountered in the offset rotary drill holes. Coring was done only in selected intervals for the purpose of collecting undisturbed samples for various types of analyses. A total of 64.9 ft. was cored. Average core recovery for the two holes was 80.3%. All holes were logged from surface to total depth by a geophysical logging unit owned and operated by URE. Both core holes were PFN logged in addition to gamma logging. Coring provided 33 samples on one-foot intervals which were sent to laboratories for various chemical analyses and testing of physical properties.
All 14 drill holes and core holes were plugged and abandoned in accordance with LQD regulations. The holes were cemented from the bottom of the hole to the surface. After the cement dried and settled, the holes were topped-off with bentonite chips to within 10 ft. of the surface. A cement cap was placed from a depth of 10 ft. to 2 ft. from the surface. The remaining 2 ft. of hole was filled with soil.
No drilling, sampling or recovery factors were recognized that could materially impact the accuracy and reliability of the resource estimates presented in this Report.
7.1.3 Geological Logging
Standard operating procedure for all previous operators was for the driller or his helper to collect cuttings samples on 5-ft intervals and lay those samples out on the ground in rows of 20 samples (100 ft). The site geologist examined the cuttings in the field and recorded lithology and geochemical alteration (redox state), which assists in roll front mapping.
Geological logging of uranium exploration holes relies heavily on interpretation of gamma and electrical logs. All holes, by all operators, were probed using a calibrated downhole gamma ray detector to determine eU3O8 as well as provide lithological information. Most holes had electrical logs that provided, resistivity, gamma, SP (spontaneous potential), single point resistance, and neutron logs, all of which are useful for either grade estimation (gamma) or lithology correlation (all logs). Neutron logs are used primarily for porosity estimation. Hard and electronic copies of lithological and geophysical logs are stored by URE in their Casper, Wyoming office.
7.1.4 Drill Holes Used in Mineral Resource Estimation
All drillholes in URE’s database that had geological or geophysical logs were used to support modeling the redox front and the mineral resource estimate.
Drill holes for which no, or questionable, geological or geophysical data were available were excluded from the mineral resource estimate.
| Ur-Energy – Shirley Basin ISR Uranium Project |
|
|
| Amended Technical Report Summary – March 11, 2024 |
| Page 36 |
|
|
|
|
7.1.5 Material Results and Interpretation
Drilling was done using methods that were common to the industry at the time the holes were drilled and are still widely used for uranium exploration. Samples of drill cuttings are not sampled for any type of analysis so no factors relating to sampling of cuttings impact the mineral resource estimate.
Core was sampled for disequilibrium, metallurgical, geochemical and hydrogeological studies. Core drilling methods were and are consistent with industry practices at the time the program was conducted. Sampling was consistent with best practices in the uranium industry. There are no factors relating to core sampling that might impact the mineral resource estimate.
The mineralization is nearly flat lying with dips of approximately 1°. Drill intercept thicknesses are thus essentially equivalent to true thickness.
7.1.6 QP Statements Concerning Drilling Results
Considering the number of drill holes and associated data, the QP did not review all of the drilling information relative to the Project. Rather, the QP reviewed select logs from the FAB Trend and Area 5 and evaluated the quality and nature of the work done by URE and previous owners. In the opinion of the QP, work was conducted using standard industry practices and procedures meeting regulatory requirements in place at the time the work was conducted.
7.2 Hydrogeology
7.2.1 Hydrogeology
Within the Project area, groundwater occurs in three different geologic strata: the surficial alluvial sediments along Spring Creek, the underlying White River Formation and the underlying Wind River Formation. Only the White River and Wind River Formations are present in the proposed ISR mining areas.
The White River Formation consists of a series of arkosic sand and clay layers aggregating to 150 to 200 ft. in thickness. This formation is exposed at the surface across most of the project area and receives direct aquifer recharge via precipitation. Within the Project area, the White River Formation shields the underlying Wind River Formation from direct recharge. However, due to the Wind River Formation’s shallow northeasterly dip, the formation outcrops about 0.75 mile south of the FAB Trend where direct recharge occurs.
Underlying the White River Formation, the uppermost Wind River Formation is characterized by a 50 to 80 ft. thick silt and clay sequence containing scattered lenses of arkosic sands and thin limestone beds. As cited by Jacob and Fisk (1961), Robert E. Melin comments, and the drill data confirm, that these arkosic sands are “discrete channel deposits rather than extensive sheets” and therefore, hydraulically separate.
The 50 to 80 ft. thick silty clay layer acts as an aquitard between the White River Formation and underlying Wind River Formation sands.
| Ur-Energy – Shirley Basin ISR Uranium Project |
|
|
| Amended Technical Report Summary – March 11, 2024 |
| Page 37 |
|
|
|
|
For hydrogeologic discussion purposes, the Wind River Formation is subdivided into three zones: the Lower Sand, Main Sand and Upper Sand. Uranium mineralization is found in all three zones. Melin again states that “the bottom most member of the Wind River Formation is a clay lying on an eroded Cretaceous surface overlain by as much as 100 ft. of conglomeratic arkose,” which is commonly called the “Lower or Basal Sand.” (as cited by Jacob, 1961). This is overlain by up to 50 ft. of clay, which is overlain by another conglomeratic arkosic sand as much as 75 ft. thick (commonly called the “Main Sand”). Quoting Melin, “In much of Section 28, south of the Utah shaft, the ore-bearing unit is medium to very coarse-grained, and is locally pebbly, and locally contains carbonized wood. The unit becomes silty west, and it wedges out against Cretaceous formations to the northeast. Near the shaft (Pit 2 area) the lower part is conglomeratic and uncommonly clean and is highly permeable. The upper part is medium-grained and silty, carbonaceous in places, moderately to heavily cross-bedded, and affected locally by slumping shortly after deposition.” Jacob and Fisk (1961).
Jacob and Fisk (1961) state that “the Main Sand is overlain by a silty clay layer approximately 15 ft. thick that has been eroded through in places before deposition of the overlying arkose layer, which is up to 30 ft. thick.” This arkosic layer is called the “Upper Sand.”
Pump test results (1980s) indicated that the surficial aquifer is hydraulically separate from the underlying White River Formation. Various historical hydrologic studies as well as URE’s pump tests have demonstrated that the White River and underlying Wind River Formations are also hydrologically separated. Further confirmation of this separation is evident by the measured head differences whereby the static water level in the Wind River is lower than the level in the overlying White River Formation, thus creating a vertical downward gradient. The 2014 static water level in the Main Sand is 57 to 105 ft. above the top of the sand in the FAB Resource Area and 188 to 211 ft. above the mineralized sand in the Area 5 Resource Area. A limited amount of mineralization occurs in the Upper Sand within the FAB Resource Area where the static water level is approximately 20 ft. above the top of the sand.
Within the mineralized horizons in the Wind River Formation, the Upper, Main and Lower Sand horizons are all in direct contact one place or another in Area 5 and the FAB Trend, thus in direct hydrologic communication in these areas.
According to Harshman (1972), the groundwater flow direction in the White River and Wind River Formations was to the southeast prior to the commencement of open pit mining. However, as the result of years of open pit mining, pit lakes at the Sullivan/Walker, Jenkins, Petrotomics and Pathfinder properties were created. The pit lakes have altered the natural groundwater flow direction and gradient as they continue to fill and equilibrate with the surrounding aquifers.
7.2.2 Main Sand Hydraulic Properties
Numerous hydrogeologic investigations of the Project have been conducted over the years that generated an abundance of aquifer characteristics data. Between 1959 and 1991, consultants for PMC performed 24 single and/or multiple well pump tests throughout the Project. Pump test results indicated that flow characteristics of the Main Sand vary considerably across the FAB Resource Area. Transmissivity values ranged from 2,000 to 5,200 gpd/ft. in the Pit 3 area, increasing westward from 5,000 to 10,000 gpd/ft. in the Pit 2/8 area. Typical storage coefficient values range from 2 x 10-2 to 1 x 10-4. The transmissivity variability is likely attributable to different fluvial depositional environments: one that created a deeper, coarser-grained primary paleo-stream channel traversing through what is now Pit 2/8, versus a secondary paleo-side tributary comprised of finer-grained sediments that traversed through the Pit 3 area.
| Ur-Energy – Shirley Basin ISR Uranium Project |
|
|
| Amended Technical Report Summary – March 11, 2024 |
| Page 38 |
|
|
|
|
In 2014, URE conducted five Main Sand pump tests: four located in the FAB Trend and one in Area 5. The test durations ranged from four hours for a single well test to 51 hours for multiple well tests. Transmissivity values ranged from 2,500 to 3,500 gpd/ft. in the eastern FAB resource area, increasing westward from 5,500 to 8,300 gpd/ft. in the Pit 2/8 area (western FAB). Area 5 transmissivity values were less variable, ranging from 2,460 to 2,560 gpd/ft. Storage coefficient values ranged from 1.53 x 10-4 to 1.17 x 10-3. A representative storage coefficient for both Resource Areas is 1.8 x 10-4.
In summary, current pump test results are consistent with and validate historical test results. Utah successfully operated an ISR mine from 1963 to 1970 in the Pit 2 area. The hydrogeological data obtained by URE also indicate that the FAB and Area 5 Resource Areas are amenable to solution mining. Furthermore, sufficient head is available within the Main Sand to conduct ISR operations.
7.2.3 Historical Drill Holes
The five pump tests conducted in 2014 were all completed in areas with extensive historical drilling activities which could represent potential avenues of leakage between aquifers. However, there was no observed communication between the Wind River sandstones and the overlying White River Formation during the URE pump tests. This is due to the presence of a thick (up to 80 ft.) Wind River Formation claystone, which overlies the Wind River host sandstones.
There is a high content of bentonite clay in this claystone unit, causing it to swell and quickly create a natural seal. During the 2014 drilling program, down-hole electric logs of the drill holes had to be conducted within one to two hours of drilling completion or the bore hole would swell to the point that the hole could not be re-entered without additional washing with a drill rig. This swelling characteristic has created an effective barrier to groundwater migration between the Wind River and White River Formations. This natural sealing of historical drill holes, in combination with historic hole abandonment, will eliminate intra-formational groundwater movement during pump testing and planned ISR mining on the Project.
7.2.4 QP Comment on Results
The numerous historic and modern pump test results provide sufficient characterization of Project hydrogeology to demonstrate that the Project has sufficient geologic confinement and transmissivity for ISR operations.
In the opinion of the QP, adequate aquifer testing has been conducted to characterize the Project for regulatory and high-level operational purposes. The permit to mine requires additional, mine unit scale aquifer tests to confirm past work and demonstrate communication to perimeter monitor wells along with production zone confinement.
7.3 Geotechnical Data, Testing, and Analysis
In 2021, URE contracted with Inberg-Miller Engineers, a well-respected engineering and surveying company with greater than 50 years’ experience in Wyoming to complete geotechnical drilling, testing, and analysis for the proposed plant foundation and two westernmost proposed holding ponds. The final report, issued in September 2021, indicated the “proposed uranium processing facility can be constructed at the site.” The report further stated that “the proposed two-story office building connected with the maintenance shop, and the plant building can be supported on conventional shallow foundations….” Additional geotechnical work will be required after operations begin if it becomes necessary to construct additional holding ponds.
| Ur-Energy – Shirley Basin ISR Uranium Project |
|
|
| Amended Technical Report Summary – March 11, 2024 |
| Page 39 |
|
|
|
|
8.0 SAMPLE PREPARATION, ANALYSIS AND SECURITY
All mineralization at the Project occurs at depth and does not outcrop. Therefore, investigation of the mineralization is accomplished solely by means of drilling. Similarly, “sampling” of mineralization is accomplished by one or more of three methods derived from the drilling activities, including: down-hole geophysical logging, coring, and drill cuttings. These are described in the following subsections.
8.1 Down-hole Geophysical Logging
All holes drilled on the Project by URE, and its predecessors have been geophysically logged using a down-hole electronic probe. This is standard practice for the U.S. uranium industry. There are two basic types of logs for uranium measurement, gamma logs and PFN logs. A discussion of these follows.
Gamma Logs:
Gamma logs provide an indirect measurement of uranium content in the host rock. They detect the gamma irradiated by a daughter product of uranium decay (214 Bi) under the presumption that chemical equilibrium exists between the source uranium and its progeny. A vehicle-mounted electronic probe is lowered down the hole to total depth and then the natural gamma radiation of the formation is measured as the probe is drawn to the surface. Modern logging instruments collect gamma radiation measurements on 0.1-ft. depth intervals. An industry standard U.S. Department of Energy (DOE) algorithm is used by the logging unit software to convert the gamma ray readings, measured in counts per second (cps), into mineral grade reported as equivalent percent uranium (% eU3O8). The results are reported in 0.5-ft. increments. Mineralized thickness from gamma logs is considered an accurate representation of the true thickness because the strata are essentially horizontal and drill holes are nearly vertical. Mineralized intervals (intercepts) are then defined by applying these pre-established grade cutoffs to the report:
|
| · | Thickness of each mineralized zone (ft.) exceeding grade cutoff; |
|
|
|
|
|
| · | Average grade within the thickness interval (% eU3O8); |
|
|
|
|
|
| · | Depth (below ground surface [bgs]) to the top of the intercept (ft.); and |
|
|
|
|
|
| · | GT (Grade x Thickness) Calculated as the average grade multiplied by thickness for each intercept interval (%-ft., but usually expressed without units). |
Gamma logs are customarily accompanied by SP and Single-Point Resistance (Res) or multi-point resistivity curves. In combination, SP and Resistance curves are commonly referred to as an electric log (E-Log) and are used to interpret formation lithology.
Historical logging by Utah/PMC was done by company-owned and operated units. Log formats that were employed by Utah/PMC varied considerably over the years. Despite the variation in this historical down-hole gamma data, the overall quality of the data was sufficient to successfully guide PMC mining efforts for over 30 years and to allow consistent mapping of subsurface sandstones and mineralized intervals.
| Ur-Energy – Shirley Basin ISR Uranium Project |
|
|
| Amended Technical Report Summary – March 11, 2024 |
| Page 40 |
|
|
|
|
URE geophysical logging data were obtained using a Company-owned and operated logging unit which employs technology originally developed by GeoInstruments, Inc. of Nacogdoches, Texas. Down-hole measurements include gamma logs, Res, SP, and hole deviation. Quality control on the logging unit is performed by calibration of the logging unit at the Casper, Wyoming DOE test pit (a known source concentration) no less than once a month during periods of drilling activity. Calibration is performed using industry established procedures. URE maintains detailed calibration records. When retained by URE, logging contractors are required to calibrate using the same test pit and method and on a similar schedule.
PFN Logs:
The PFN tool provides a direct down-hole analysis of true uranium content by means of in-place fission of 235U initiated by the emission of high energy neutrons. It was used by URE to verify the grades of mineral intercepts previously reported by gamma logging. PFN logging is accomplished by a down-hole probe in much the same manner as gamma logs; however, only the mineralized interval plus a buffer interval above and below are logged. After review of the gamma log from each drill hole, the URE field geologists would determine if any intercepts warranted PFN logging based on the GT of the gamma intercepts (GT ≥ 0.10). Quality control for the PFN is performed at the DOE test pit in a manner similar to that described previously for the gamma tool and records are maintained by URE. Satisfied with the confirmatory results of the PFN logging at Shirley Basin and other projects, URE made the decision to decommission the tool when the first term of the tool’s NRC license expired, as the expense and administrative effort to maintain the tool were not cost beneficial. The tool remains available for future licensing and recommissioning if the need were to arise.
Comparison of the gamma and PFN values yields a DEF reported as the ratio of GT values: PFN GT ÷ Gamma GT. Thus, a value greater than 1.0 indicates chemical enrichment compared to gamma, and a value less than 1.0 represents chemical depletion (Rosholt, 1959).
8.2 Coring
In the U.S. uranium industry, coring is typically performed on only a small percentage of drill holes. The primary purposes for collecting core have been to provide relatively undisturbed samples for chemical analyses and host rock physical properties. Chemical analyses typically are conducted to evaluate uranium disequilibrium as well as to evaluate trace elements and constituents of interest. Physical properties of interest are typically permeability, porosity and density. Cored intervals are normally limited to geologically selected intervals. Rarely are holes cored from surface to total depth.
Utah/PMC drilled more than 58 core holes within the FAB Trend, Area 5 and the mined open pits. Some evaluation reports and memos are in the historical files, but complete records of these activities are not available; however, it is understood that most of the chemical analyses were conducted by in-house laboratories at either the Lucky Mc or Shirley Basin mill sites. Records indicate that, based on the results of these coring studies, a DEF of 1.066 (slightly enriched with respect to chemical uranium) was uniformly applied to all down-hole gamma logging intervals by Utah/PMC.
| Ur-Energy – Shirley Basin ISR Uranium Project |
|
|
| Amended Technical Report Summary – March 11, 2024 |
| Page 41 |
|
|
|
|
Core samples were obtained from two core holes drilled by URE within the FAB Trend in 2014. Core holes were located as close offsets of URE confirmation holes that showed mineral intercepts of interest. Select intervals within the holes were cored by means of a mud-rotary drilling rig employing a 10-ft. long, split-tube core barrel. Core recovery for the two holes was 80.3%. URE-specified field procedures for handling of core included:
|
| · | Core was measured after removal from core barrel to determine percentage of core recovery; |
|
|
|
|
|
| · | Core was described in detail by URE geologists; |
|
|
|
|
|
| · | Core was photographed in the field; |
|
|
|
|
|
| · | Core was scanned in the field on 0.5-ft. intervals with a hand-held scintillometer to identify sections of higher radioactivity for sampling. The scintillometer results were also employed at a later date to provide a detailed depth correlation and comparison between the gamma log and driller’s core depths. Depth correlation accuracy of approximately 0.5 ft. is normally obtained; and |
|
|
|
|
|
| · | Core was then vacuum sealed in plastic bags. |
Samples selected for laboratory chemical analyses were later cut in 1-ft. intervals, split by hand longitudinally and bagged by URE employees for shipping. In addition, selected samples were tested for specific gravity, permeability and other physical features, as well as leach amenability. Samples for leach testing were vacuum sealed again immediately after selection and prior to shipping to the lab.
8.3 Drill Cuttings
During drilling of all holes, cuttings are collected at 5-ft. depth intervals. Detailed descriptions of each of these samples are then documented by the Company’s field geologists. Drill cutting samples are valuable for lithologic evaluation, confirmation of E-Log interpretation, and for description of redox conditions based on sample color. Identifying redox conditions in the host formation is critical for the interpretation and mapping of roll fronts. Note, however, that cuttings samples are not analyzed for uranium content because there is considerable dilution and mixing that occurs as the cuttings are flushed to the surface. In addition, the samples are not definitive with regard to depth due to variation in the lag time between cutting at the drill bit and when the sample is collected at the surface.
8.4 Analyses and Security
After collection and documentation in the field, core samples derived from URE’s drilling at the Project were delivered to IML (now Pace Analytical) for chemical and gamma analyses for uranium, as well as analyses for associated elements. At the time of sample analysis, IML was, and continues to be under their new ownership, an independent, commercial laboratory in Sheridan, Wyoming and considered to be qualified to secure, handle and analyze samples in accordance with industry standards. IML has an industry-standard, internal QA/QC system including routine equipment calibration and the use of standards, blanks, duplicates and spikes. The lab is licensed by the NRC, is EPA-certified and accredited by the National Environmental Laboratory Accreditation Program. EPA Method 200.8 was used for radionuclide analyses and EPA Method ASA9 29-2.2 was used for the analyses of organic compounds. For multi-element analysis, results were obtained using ICP-MS using EPA Method 6010C. For these analyses, core samples were subjected to a three-acid digestion (EPA Method 3050).
Physical properties of the core (porosity, permeability and density) were measured by Weatherford Laboratories of Casper, Wyoming (now Stratum Reservoir). Weatherford Laboratories is an independent lab that provides rock property analyses, geochemical testing and specialized core testing services to the oil and gas industry worldwide. Testing procedures were performed in accordance with standards presented in the American Petroleum Institute (API) Report 40 – Recommended Practices for Core Analysis. Two samples from the mineralized Main Sand of the Wind River Formation (the primary host rock for the Project) were submitted for analyses, along with a core sample from the overlying and underlying clay horizons.
| Ur-Energy – Shirley Basin ISR Uranium Project |
|
|
| Amended Technical Report Summary – March 11, 2024 |
| Page 42 |
|
|
|
|
Hazen was contracted to perform mineralogical studies on two selected core samples. This work consisted of three separate analyses:
|
| · | X-Ray Diffraction (XRD) analysis - Each sample was analyzed by XRD to determine the major mineral constituents. |
|
|
|
|
|
| · | Electron Microprobe (EMP) analysis - Each as-received sample was mounted in a polished section for EMP analysis to characterize the uranium minerals in terms of their mode of occurrence, textural features, specific associations, and intergrowth relationships. |
|
|
|
|
|
| · | QEMSCAN analysis - For quantitative mineralogy, each polished section was subjected to QEMSCAN analysis, which provides a detailed mineral abundance analysis. |
Data from historical sampling were obtained from Utah/PMC records. Procedural details are unavailable, but because these companies were considered to be reputable exploration/production companies, previous samples are assumed to have been collected, secured and analyzed in accordance with standard industry practices at the time.
8.5 Quality Control Summary
URE maintains quality control procedures associated with its coring program:
|
| · | Scanning the core with a scintillometer to provide a detailed depth correlation and comparison between the gamma log and driller’s core depths; |
|
|
|
|
|
| · | Vacuum sealing core in plastic bags to prevent contamination and oxidation; |
|
|
|
|
|
| · | Completing a Chain of Custody (COC) Record for all core samples sent to laboratories for analyses; |
|
|
|
|
|
| · | Obtaining a signature on the COC Record (along with instructions) from the URE employee who relinquished the samples to the laboratory; |
|
|
|
|
|
| · | Receiving a signed COC Record from the laboratory with the signature of the individual who received the samples; |
|
|
|
|
|
| · | Validation of laboratory quality control procedures which typically include method blanks of low metal concentrations and spikes of known metal concentrations; |
|
|
|
|
|
| · | Evaluation and comparison of results against previous analysis and other projects (outlier test or similar, i.e., “straight face check”); and |
|
|
|
|
|
| · | Reference samples and subsequent analysis sent to other laboratories. |
Other quality control procedures included the detailed logging of drill cuttings by URE geologists to gain an understanding of redox conditions within host sandstones and the consistent calibration of both the in-house gamma logging and PFN logging units at the Casper, Wyoming DOE test pit.
8.6 Opinion on Adequacy
In the opinion of the QP, URE sample collection methods, preparation, security and analytical procedures used by contract laboratories are adequate and typical of the U.S. uranium industry.
| Ur-Energy – Shirley Basin ISR Uranium Project |
|
|
| Amended Technical Report Summary – March 11, 2024 |
| Page 43 |
|
|
|
|
9.0 DATA VERIFICATION
Drilling data used to support this Report come from historical drilling activities by previous operators and those conducted by URE since acquisition of the Project. The tabulations of mineral intercepts compiled by URE are consistent with the original down-hole gamma logs and the geophysical operator’s mineral intercept calculations. URE has verified historical drill data by conducting confirmation drilling and coring in the Project adjacent to historical exploration holes with results which validate the historical data (see Figure 13). The tabulations of mineral intercepts compiled by URE have been confirmed by the QP to be consistent with the original down-hole E-Logs and the geophysical operator’s mineral intercept estimates.
| Furthermore, historical mineral intercept data collected by previous operators on the Project have been evaluated and selectively checked for accuracy. For those historical drill holes with gamma log interpretation sheets and down-hole probe K-factors (calibration factors), a selective confirmation of uranium intercept grade and thickness was performed by re-calculation, using standard methods established by the AEC. For those historical drill holes with gamma log interpretation sheets and no K-factors, a selective review of the process used for conversion from cps on gamma logs to percentage eU3O8 was made. In these cases, the previous operators had developed a conversion factor, which included dead time correction, a water factor, a DEF and a K-factor that were applied to the cps values from the gamma log in order to derive a percentage of eU3O8.
After a review of that data, it is the QP’s opinion that the historical mineral intercept data are valid, do not require re-calculation and are suitable for resource estimation in this Report. |
|
Figure 13. Photo of URE Confirmation Drilling |
10.0 MINERAL PROCESSING AND METALLURGICAL TESTING
Previous mineralogical studies by Utah/PMC and Harshman (1972), consisting of thin sections and polished sections of Shirley Basin mineralization, show the primary uranium mineral in these deposits to be uraninite (UO2). It is found coating sand grains, filling interstitial spaces between sand grains and filling fractures within sand grains. Uraninite is a common uranium mineral in sedimentary-hosted roll front deposits and is soluble in the bicarbonate lixiviants used in modern ISR operations. As previously discussed URE collected core samples from uranium mineralization for additional mineralogical studies.
Preliminary analyses using a down-hole PFN logging tool indicate that the uranium mineralization from URE’s confirmation drilling program is at or near chemical equilibrium. PFN logging provides a direct measurement of chemical uranium, and a positive DEF of 1.03 was determined for the 2014 confirmation drill holes that were logged with this method. Utah/PMC analyzed sufficient uranium mineralization at its Shirley Basin mining operation to assign a positive DEF to its historical ore reserve calculations. This DEF, as shown on many down-hole gamma logs, was 1.066 as discussed in Chapter 8.2. A complete and meaningful comparison between PFN results and ICP-MS analyses was not possible due to the 20% core loss on URE’s confirmation drilling program.
There is a suite of trace metals that is commonly precipitated along with uranium in roll front deposits. Harshman (1974) published diagrams showing the relationship between various trace metals and uranium at several uranium mining districts, including the District. These diagrams show a strong correlation between uranium and pyrite (FeS2), along with minor correlations between uranium and vanadium, arsenic and selenium. As expected, ICP-MS analytical results on 33 individual samples for iron (Fe) and sulfur (S) were high, confirming the strong relationship between uranium and FeS2. Iron values averaged 1.2% and sulfur values averaged 1.1%. The minor relationships were also confirmed with vanadium averaging 71 mg/kg, arsenic averaging 9.5 mg/kg and selenium being detected in only one sample with a value of 18 mg/kg. These trace metals are common and expected in sedimentary roll front deposits and should not have a significant effect on potential economic extraction.
Energy Laboratories of Casper, Wyoming performed duplicate analyses for chemical uranium and 11 other analytes on four randomly selected core samples using the same analytical testing methodologies. The results from Energy Laboratories compared favorably with those from IML. Not surprisingly, there were variations seen in analytes with very low concentrations; however, average chemical uranium values were very close. On a composite basis, the relative percent difference in uranium values between the two labs was only 3.6%.
Energy Laboratories is independent of PMC and URE and has been accredited by the National Environmental Laboratory Accreditation Council, the NRC, Multi-Agency Radiological Laboratory Analytical Protocols via the USEPA, U.S. Department of Defense, U.S. Geological Survey, U.S. Department of Energy, NRC, U.S. Food and Drug Administration, and the National Institute of Standards and Technology.
Historical metallurgical testing was performed in 1980 by In-situ Consulting, Inc. on behalf of PMC on sandstone core samples collected in the northwestern portion of Area 5. Core was gathered from two mineralized intervals, one in the Main Sand and the other from the Lower Sand. A composite of these intervals was then compiled and used for metallurgical testing. The average uranium grade of the composite sample was not recorded. No historical metallurgical testing was performed on mineralization within the FAB Trend.
| Ur-Energy – Shirley Basin ISR Uranium Project |
|
|
| Amended Technical Report Summary – March 11, 2024 |
| Page 44 |
|
|
|
|
Six sealed bottle-roll tests were conducted by PMC on splits of the composite sample. Four of the tests employed an ammonium carbonate lixiviant and are therefore not currently considered of relevance. The other two tests used a sodium carbonate lixiviant with either oxygen or hydrogen peroxide as the oxidant. The results of these tests are shown in Table 9. Uranium extraction rates ranged from 91.8% to 93.5%; however, tabulation of these test results were related to hours of leaching rather than to pore volumes, as is currently standard. The QP did note that the testing period represented the equivalent of approximately 50 pore volumes (PVs).
Table 9. Leach Test Results, 1980 – Area 5
| Sample ID | Sodium Carbonate (Na2CO3) Concentration | Oxidant Concentration or Pressure | pH | Uranium Recovery |
| SX-816C | 3,000 mg/L | O2 100 psi | 10.4 | 91.8 % |
| SX-816C | 3,000 mg/L | H2O2 1,000 mg/L | 10.4 | 93.5 % |
In 2014 URE submitted ten core samples to IML for agitation leach (bottle-roll) testing. The samples were obtained from core-hole FAB-8C located in the eastern portion of the FAB Trend. The core samples were from mineralized sand in the Main Sand occurring in a “nose” roll front environment. The samples consisted primarily of gray, medium to coarse-grained sandstone, locally with minor to moderate amounts of carbonaceous fragments and minor to abundant fresh pyrite. All of the samples represented a reduced geochemical environment. Core recovery within this interval was 87%. Some of the mineral intercept was not recovered.
The gamma log of FAB-8C showed the target mineral intercept to be:
|
| · | 13.0 ft. of 0.225% eU3O8 at 242.0 ft. / GT 2.93 |
The PFN log for the same intercept showed:
|
| · | 14.0 ft. of 0.237% U3O8 at 241.5 ft. / GT 3.32 |
The 10 one-foot interval core samples were composited and homogenized by IML to create a composite representative of a 12 ft. mineralized depth interval (driller’s depths 242ft.-254ft.). The chemical analysis of the composite sample is shown in Table 10. Core samples from the mineralized interval showed an average dry bulk density of 2.07 grams per cubic centimeter and 27% porosity. The uranium content of the composite sample was determined to be 0.266% which corresponds closely to the average grade (0.23%) of Measured plus Indicated Resources within the Project. Trace metal contents (As, Mo, Se, V) are low to very low. Sulfur and SO4 contents are noticeably higher.
| Ur-Energy – Shirley Basin ISR Uranium Project |
|
|
| Amended Technical Report Summary – March 11, 2024 |
| Page 45 |
|
|
|
|
Table 10. Core Composite Sample Geochemistry
| Analyte | Concentration in mg/kg |
| Uranium (ICP-MS) | 2,660 |
| Arsenic | 9.0 |
| Molybdenum | 15.4 |
| Selenium | <5 |
| Thorium | 8 |
| Vanadium | 80 |
| Sulfate | 26,130 |
| Sulfur | 8710 |
| Moisture | 14.4% |
Native groundwater for the testing was drawn from well WI-3, which is completed in the Main Sand in the south-central portion of the FAB Trend. Analysis of the groundwater is shown in Table 11.
Table 11. Natural Groundwater – Chemistry
| Analyte | Result | Units |
| pH | 6.9 | s.u. |
| Electrical Conductivity | 247 | µmho/cm |
| Alkalinity | 45 | mg/L |
| Bicarbonate | 55 | mg/L |
| Calcium | 21 | mg/L |
| Arsenic | <0.005 | mg/L |
| Molybdenum | <0.005 | mg/L |
| Selenium | <0.005 | mg/L |
| Sulfur | 20.7 | mg/L |
| Sulfate | 62.1 | mg/L |
| Uranium (ICP-MS) | 0.0068 | mg/L |
| Vanadium | 0.016 | mg/L |
Seven bottle roll leach tests were performed at ambient pressure on splits of the composite. The objective of the testing was to analyze several chemical lixiviant combinations to provide information on uranium recovery relative to the various lixiviants. The testing was not designed to approximate in situ conditions but intended only to provide indications of the reaction rates. Three variables were evaluated during the tests:
| Water character: | Natural groundwater or distilled |
| Concentration of HCO3: | 500, 1,000 mg/L, 1,500 or 2,000 mg/L |
| Strength of Oxidant (H2O2): | 250 or 500 mg/L |
The initial plan called for testing to proceed to 30 PVs. At 30 PVs the testing was extended to 60 PVs, and then once again to 90 PVs. Testing was halted at 90 PVs. The final test results after tails analyses of the tested material are shown in Table 12 and in the recovery curves illustrated in Figures 14 and 15. Bumps in the head grade curves in Figure 15 at 35 PVs and 65 PVs are due to short delays between the testing stages (at 30 PVs and 60 PVs), which allowed for greater reaction time relative to the next subsequent sampling.
| Ur-Energy – Shirley Basin ISR Uranium Project |
|
|
| Amended Technical Report Summary – March 11, 2024 |
| Page 46 |
|
|
|
|
Table 12. Bottle Roll Leach Test Results – 2014
| Sample ID | Solution Base | Bicarbonate (NaHCO3) (mg/L) | Peroxide (H2O2) (mg/L) | Uranium Recovery* % | Average Solution Concentration ppm |
| FAB-8C Test #1 | Native Groundwater | Natural | 250 | 8.1% | 20.3 |
| FAB-8C Test #2 | Native Groundwater | 1,000 | 250 | 78.3% | 210.5 |
| FAB-8C Test #3 | Native Groundwater | 1,500 | 250 | 86.9% | 261.4 |
| FAB-8C Test #4 | Native Groundwater | 2,000 | 250 | 89.6% | 264.3 |
| FAB-8C Test #5 | Native Groundwater | 2,000 | 500 | 90.0% | 257.5 |
| FAB-8C Test #6 | Distilled Water | 500 | 500 | 28.8% | 87.3 |
| FAB-8C Test #7 | Distilled Water | 1,000 | 500 | 66.0% | 192.0 |
*Uranium recovery after 90 PVs except for Test 4, which was terminated after 85 PVs.
These results show that the core is leachable under ambient laboratory conditions using native groundwater from the host sandstones. Bicarbonate content appears to be the most significant parameter. Reasonable recoveries can be achieved with lixiviant concentrations equal to or greater than 1,000 mg/L bicarbonate and 250 mg/L peroxide, and optimum recoveries can be achieved with a higher bicarbonate concentration of 2,000 mg/L. The percent recovery of uranium shown in Table 12 is based on 90 PVs. The recovery of arsenic, selenium and vanadium from these solutions was very low.
In the economic analysis of this Report, uranium production is based on an average wellfield head grade of 37 mg/L (ppm). This estimated head grade is conservatively lower than the average solution concentration encountered in the agitation leach (bottle-roll) testing (Table 12).
The QP considers the metallurgical and physical test work and results to date to be adequate to support general process design and selection. Pump testing and core analysis demonstrates that the aquifers have sufficient porosity, permeability and transmissivity to support ISR operations. Equilibrium testing demonstrates that, in general, positive equilibrium exists which indicates that uranium is present where gamma data suggest it is present and at the grade indicated by the probe data. Laboratory leach testing demonstrates that the uranium can be solubilized using a carbonate and oxygen based lixiviant.
| Ur-Energy – Shirley Basin ISR Uranium Project |
|
|
| Amended Technical Report Summary – March 11, 2024 |
| Page 47 |
|
|
|
|
Figure 15. Uranium Recovery Curves Head Grade Comparison

| Ur-Energy – Shirley Basin ISR Uranium Project |
|
|
| Amended Technical Report Summary – March 11, 2024 |
| Page 48 |
|
|
|
|
11.0 MINERAL RESOURCE ESTIMATE
The mineral resources for the Project reported in this section have been estimated utilizing the GT contour method. The GT contour method is well accepted within the uranium ISR industry and is suited to guide detailed mine planning and estimates of recoverable mineral resources for roll front-type deposits such as those found in the Project.
11.1 Assumptions
Resources within the Project are identified recognizing that roll front mineralization occurs in long, narrow, sinuous bodies which are found adjacent and parallel to alteration (redox) fronts. These commonly occur in multiple, vertically stacked horizons, each of which represents a unique resource entity. Resource classification requires horizontal continuity within individual horizons. Accumulation of resources in a vertical sense (i.e., accumulating multiple intercepts per drill hole) is not valid in ISR applications. Individual roll front mineral horizons are assumed to be no wider than 50 ft. unless sufficient information is available to establish otherwise.
In addition, certain assumptions were incorporated throughout all estimates:
|
| · | The unit density of mineralized rock is 16.0 cu. ft. per ton, based on numerous core density measurements by PMC. |
|
|
|
|
|
| · | All geophysical logs are assumed to be calibrated per normally accepted protocols, and grade calculations are accurate. |
|
|
|
|
|
| · | All mineral classified as a resource occurs below the historical, pre-mining static water table. |
11.2 Reasonable Prospects of Economic Extraction
Based on the depths of mineralization, average grade, thickness, GT, and selected cutoffs below, it is the QP’s opinion that the mineral resources at the Project have a reasonable prospect of economic extraction by ISR methods using a variable long-term price as discussed in Chapter 16.
11.3 Cutoff Selection
Mineral reportable as resources must be below the historical, pre-mining static water level and meet the following cutoff criteria:
Minimum Grade: 0.020% eU3O8.
Grade measured below this cutoff is considered as zero value.
Minimum GT (Grade × Thickness): 0.25.
Intercepts with GT values below this cutoff are mapped exterior to the GT contours employed for resource estimation, given zero resource value and, therefore, excluded from reported resources.
Minimum Thickness: No minimum thickness is applied but is inherent within the definition of GT (Grade × Thickness).
| Ur-Energy – Shirley Basin ISR Uranium Project |
|
|
| Amended Technical Report Summary – March 11, 2024 |
| Page 49 |
|
|
|
|
The cutoffs used in this Report are typical of ISR industry standard practice and represent appropriate values relative to current ISR operations. Experience at other ISR operations including URE’s experience at its Lost Creek Mine have demonstrated that grades below 0.020% can technologically be successfully leached and recovered, given supporting economics. Due to the nature of roll front deposits and production well designs, the incremental cost of addressing low grades is minimal (given the presence of higher grades). Furthermore, a GT cutoff of 0.25 is representative of past ISR operations in similar geologic and economic conditions. Definition of the term potentially economic as applied by URE is subjective and employed simply to identify higher quality mineralization which could potentially be pursued for production.
11.4 Resource Classification
Resource estimates were prepared using parameters relevant to the proposed mining of the deposit by ISR methods. The methodology relies on detailed mapping of mineral occurrences to establish continuity of intercepts within individual host sandstone units. The mineral resource estimates in this Report were reviewed and accepted by the QP.
URE employs a conservative resource classification system which is consistent with established professional standards and guidelines for reporting mineral resources for the purposes of S-K 1300. Mineral resources are identified as Measured, Indicated and Inferred based on the density of drill hole spacing, both historical and recent, and continuity of mineralization within the same mineral horizon (roll front).
In simplest terms, to conform to each classification, resources determined using the GT contour method must meet the following criteria:
|
| · | Meet the 0.020% grade cutoff; |
|
|
|
|
|
| · | Occur within a singular mineral horizon (roll front); |
|
|
|
|
|
| · | Fall within the mapped 0.25 GT contour; and |
|
|
|
|
|
| · | Extend no farther from the drill hole than the radius of influence specified below for each category. |
Employing these considerations, mineral which meets the above criteria is classified as a resource and assigned a level of confidence based on the following drill spacing guidelines:
|
| Measured: |
|
|
| ≤100 ft. | (i.e., mineral on trend, within the 0.25 GT contour, and which does not extend beyond 100 ft. from any given drill hole with potentially economic mineralization) |
|
|
|
|
|
| Indicated: |
|
|
| 100 - 200 ft. | (i.e., mineral on trend, within the 0.25 GT contour, and which extends from 100-200 ft. from any given drill hole with potentially economic mineralization) |
|
|
|
|
|
| Inferred: |
|
|
| 200 - 400 ft. | (i.e., mineral on trend, within the 0.25 GT contour, and which extends from 200-400 ft. from any given drill hole with potentially economic mineralization) |
URE’s mineral resources are contained in the designated FAB and Area 5 Resource Areas. PMC’s historical drilling had focused on these designated resource areas to support future open pit mining operations. This drilling consisted of a 100-ft. grid throughout the FAB and most of Area 5 Resource Areas and included multiple drill hole fences at 10-ft. to 50-ft. spacing. Due to the very high density drilling within the resource areas, all resources were classified as Measured or Indicated. There are no mineral resources estimated in the Inferred category.
| Ur-Energy – Shirley Basin ISR Uranium Project |
|
|
| Amended Technical Report Summary – March 11, 2024 |
| Page 50 |
|
|
|
|
11.5 Methodology
Fundamentals
The Project resources are defined by utilizing both historical and URE drilling information. The basic unit of mineral identity is the mineral intercept, and the basic unit of a mineral resource is the mineral horizon, which is generally synonymous to a roll front. Mineral intercepts are assigned to named mineral horizons based on geological interpretation by URE geologists founded on knowledge of stratigraphy, redox, and roll front geometry and zonation characteristics. Resources are derived and reported per mineral horizon (i.e., per roll front). In any given geographic area, resources in multiple mineral horizons may be combined into a resource area.
Mineral Intercepts
Uranium intercepts are derived from drill hole gamma logs and represent where the drill hole has intersected a mineralized zone. Calculation of uranium content detected by gamma logs is traditionally reported in terms of mineral grade as eU3O8% on 0.5-ft. depth increments. A mineral intercept is defined as a continuous thickness interval in which the uranium concentration meets or exceeds the grade cutoff value, which is 0.020% for the Project. Uranium values below the cutoff grade are treated as zero value with regard to resource estimation. A mineral intercept is defined in the following terms:
|
| · | Thickness of the mineralized interval that meets cutoff criteria; |
|
|
|
|
|
| · | Average Grade of mineral within that interval; and |
|
|
|
|
|
| · | Depth below ground surface (bgs) to the top of that interval. |
In addition, a GT value is assigned to each mineral intercept. GT is a convenient and functional single term used to represent the overall quality of the mineral intercept. It is employed as the basic criterion to characterize a potentially economic intercept, which at the Project is defined as GT ≥ 0.25. Intercepts which do not make the potentially economic GT cutoff are excluded from the resource calculation but may be taken into consideration when drawing GT contours. As noted above, use of the term “potentially economic” by URE is applied in a generic sense and has no direct relation to any associated commodity price.
Each intercept is assigned to a stratigraphic and mineral horizon by means of geological evaluation. The primary criterion employed in assignment of mineral intercepts to mineral horizons is roll front correlation. Depth and elevation of intercepts are secondary criteria which support correlation. The evaluation also involves interpretation of roll front zonation (position within the roll front) by means of gamma curve signature, redox state, lithology, stratigraphic relationship and relative mineral quality. Mineral intercept data and associated interpretations are stored in a drill hole database inventoried per drill hole and mineralized horizon. This database includes mineral intercept data from approximately 2,482 historic and current drill holes. Using GIS software, this database is employed to generate map plots displaying GT values and interpretive data for each mineral horizon of interest. These maps become the basis for GT contouring as described below.
| Ur-Energy – Shirley Basin ISR Uranium Project |
|
|
| Amended Technical Report Summary – March 11, 2024 |
| Page 51 |
|
|
|
|
GT Contouring and Resource Estimation
For the map plots of GT values mentioned above, the GT contour lines are drafted honoring all GT values. Contours are carefully drawn by URE geologists to reflect knowledge of roll front geology and geometry. The GT contour maps thus generated for each mineral horizon form the foundation for resource calculation. In terms of geometry, the final product of a GT-contoured mineral horizon typically represents a mineral body that is fairly long, narrow, sinuous, and which closely parallels the redox front boundary. The following parameters are employed to characterize the mineral body:
|
| Thickness: | Average thickness of intercepts assigned to the mineral horizon (inherent in GT values) |
|
|
|
|
|
| Grade: | Average grade of mineral intercepts assigned to the mineral horizon (inherent in GT values) |
|
|
|
|
|
| Depth: | Average depth of mineral intercepts below surface assigned to the top of the mineral horizon |
|
|
|
|
|
| Area: | Defined as the area interior to the 0.25 GT contour lines, more specifically: |
|
|
|
|
|
|
| Width: Defined by the plan-view breadth of the 0.25 GT contour boundaries. Where sufficient data are unavailable (i.e., wide-spaced drilling) the width is assumed to be no greater than 50 ft. |
|
|
|
|
|
|
| Length: Defined by the endpoints of the 0.25 GT contour boundaries. Where sufficient data are unavailable, length is limited to 400 ft. (i.e., 200 ft. on either side of a drill hole containing potentially economic intercept(s) – Indicated Resource category). |
For resource estimation, the area of a mineral horizon is further partitioned into banded intervals between GT contours, to which the mean GT of the given contour interval is applied. Area values for each contour interval are then determined by GIS software and resources are then calculated for each contour interval employing the following equation.
|
| POUNDS = | AREA x GT x 20 |
|
|
|
| TF |
|
| Where: | ||
| POUNDS | = Resources (lbs.) | |
| AREA | = Area measured within any given GT contour interval (ft.2) | |
| GT | = Mean GT within any given contour interval (%-ft.) | |
| 20 | = Conversion constant: grade percent and tons to unit lbs. | |
| (1% of a ton) | ||
| TF | = Tonnage Factor: Rock density, a constant (=16.0 cu. Ft./ton) | |
| (enables conversion from volume to weight) |
In map-view, resources for any given mineral horizon commonly occur in multiple “pods” rather than as a single, continuous body. Individual pods are then compiled per mineral horizon, summed and categorized by level of confidence (Measured or Indicated). The resource calculation process is streamlined using the same GIS software in which the mapping and GT contouring took place.
| Ur-Energy – Shirley Basin ISR Uranium Project |
|
|
| Amended Technical Report Summary – March 11, 2024 |
| Page 52 |
|
|
|
|
As is evident, the GT contour method for resource estimation is dependent on competent roll front geologists for accurate correlation and accurate contour depiction of the mineral body. Uranium industry experience has shown that the GT contour method remains the most dependable for reliable estimation of resources for roll front uranium deposits.
11.6 Resource Estimation Auditing
The resource estimate detailed herein was evaluated for quality control and assurance using the following methods.
|
| 1. | Random historical log files from PMC and others within the FAB and Area 5 Resource Areas were examined in detail to confirm gamma interpretations as well as grade calculations. |
|
|
|
|
|
| 2. | Multiple historical logs were reviewed to confirm geologic and grade continuity in both the FAB Trend and Area 5 Resource Areas. |
|
|
|
|
|
| 3. | Drilling density as depicted on maps and observed in the field was evaluated to demonstrate that the uranium mineralization at the Project was consistent with resource definitions. |
|
|
|
|
|
| 4. | Gamma and PFN probe calibration logs were reviewed. |
|
|
|
|
|
| 5. | Detailed examination of significant resource bearing roll front systems was conducted in collaboration with URE geologists to confirm log interpretations, continuity of mineralization and nature of GT contour development. |
|
|
|
|
|
| 6. | Random mineralized pods within the resource model were evaluated to confirm the area assigned to the particular GT contour. |
|
|
|
|
|
| 7. | Resource classification methods and results were reviewed against standard industry practices and professional standards, including CIM resource definitions (Canadian Institute of Mining, Metallurgy and Petroleum (Definition Standards, 2014)), for at least 25 pods of mineralization. |
In summary, the QP accepts PMC and URE interpretations as having been properly done and as reasonable representations of the mineral present. These interpretations provide a reasonable basis for the calculation of uranium mineral resources at the Project.
11.7 Summary of Resources
Mineral resources are summarized in Table 1 and also in Table 13. In the latter table, the estimated mineral resources are listed by Resource Area and mineral horizon. Individual mineral horizons are related to the stratigraphy at the Project as illustrated in Figure 7 and consist of mineralized trends (roll fronts) in the 1) White River Formation (Twr) sandstones and 2) Wind River Formation (Twdr) sandstones. The Wind River sandstones are further split into the Upper, Main and Lower sand units.
| Ur-Energy – Shirley Basin ISR Uranium Project |
|
|
| Amended Technical Report Summary – March 11, 2024 |
| Page 53 |
|
|
|
|
Table 13. Shirley Basin Project – Resource Summary by Mineral Horizon
| FAB | ||||||||||
| Measured | Indicated | Measured+Indicated | ||||||||
| Mineral Interval | Avg. Grade (%e U3O8) | Short Tons | Pounds U3O8 | Avg. Grade (%e U3O8) | Short Tons | Pounds U3O8 | Avg. Grade (%e U3O8) | Short Tons | Pounds U3O8 | |
| Twr | 0.101 | 71,273 | 143,818 | 0.060 | 10,940 | 13,156 | 0.095 | 82,214 | 156,975 | |
| Twdr | Upper | 0.180 | 44,434 | 159,761 | 0.136 | 30,461 | 82,768 | 0.162 | 74,895 | 242,529 |
| Main | 0.297 | 972,857 | 5,779,880 | 0.115 | 374,445 | 859,718 | 0.246 | 1,347,302 | 6,639,598 | |
| Lower | 0.294 | 83,288 | 490,433 | 0.158 | 39,845 | 125,834 | 0.250 | 123,133 | 616,266 | |
| 0.280 | 1,171,853 | 6,573,891 | 0.119 | 455,691 | 1,081,476 | 0.235 | 1,627,544 | 7,655,368 | ||
| Area 5 | ||||||||||
| Measured | Indicated | Measured+Indicated | ||||||||
| Mineral Interval | Avg. Grade (%e U3O8) | Short Tons | Pounds U3O8 | Avg. Grade (%e U3O8) | Short Tons | Pounds U3O8 | Avg. Grade (%e U3O8) | Short Tons | Pounds U3O8 | |
| Twr | --- | --- | --- | --- | --- | --- | --- | --- | --- | |
| Twdr | Upper | --- | --- | --- | --- | --- | --- | --- | --- | --- |
| Main | 0.250 | 152,128 | 762,143 | 0.116 | 71,084 | 164,769 | 0.208 | 223,212 | 926,912 | |
| Lower | 0.217 | 42,591 | 184,647 | 0.112 | 21,830 | 48,791 | 0.181 | 64,421 | 233,438 | |
| 0.243 | 194,719 | 946,790 | 0.115 | 92,914 | 213,559 | 0.202 | 287,633 | 1,160,350 | ||
| Project Total | ||||||||||
| Measured | Indicated | Measured+Indicated | ||||||||
| Mineral Interval | Avg. Grade (%e U3O8) | Short Tons | Pounds U3O8 | Avg. Grade (%e U3O8) | Short Tons | Pounds U3O8 | Avg. Grade (%e U3O8) | Short Tons | Pounds U3O8 | |
| Twr | 0.101 | 71,273 | 143,818 | 0.060 | 10,940 | 13,156 | 0.095 | 82,214 | 156,975 | |
| Twdr | Upper | 0.180 | 44,434 | 159,761 | 0.136 | 30,461 | 82,768 | 0.162 | 74,895 | 242,529 |
| Main | 0.291 | 1,124,986 | 6,542,023 | 0.115 | 445,528 | 1,024,48 | 0.241 | 1,570,514 | 7,566,509 | |
| Lower | 0.268 | 125,878 | 675,080 | 0.142 | 61,676 | 174,624 | 0.227 | 187,554 | 849,704 | |
| 0.275 | 1,366,572 | 7,520,682 | 0.118 | 548,606 | 1,295,036 | 0.230 | 1,915,177 | 8,815,717 | ||
Notes:
|
| 1. | Twr – Tertiary White River Formation |
|
| 2. | Twdr – Tertiary Wind River Formation |
|
| 3. | Sum of Measured and Indicated tons and pounds may not add to the reported total due to rounding. |
|
| 4. | Based on grade cutoff of 0.020% eU3O8 and a grade x thickness cutoff of 0.25 GT. |
|
| 5. | Measured and Indicated Mineral Resources as defined in 17 CFR § 229.1300. |
|
| 6. | Resources are reported as of December 31, 2023 (there is no change since December 31, 2021). |
|
| 7. | All reported resources occur below the historical, pre-mining static water table. |
|
| 8. | Sandstone density is 16.0 cu. ft./ton. |
|
| 9. | The point of reference for mineral resources is in-situ at the Project. |
|
| 10. | Mineral resources that are not mineral reserves do not have demonstrated economic viability. |
| Ur-Energy – Shirley Basin ISR Uranium Project |
|
|
| Amended Technical Report Summary – March 11, 2024 |
| Page 54 |
|
|
|
|
The current mineral resource estimate for the Project has a total of 8.816 million lbs. in the Measured and Indicated categories. This total consists of 7.521 million lbs. of Measured Resources and 1.295 million lbs. of Indicated Resources. There are no reported Inferred Resources because of the high drilling density at the site. Historical delineation drilling was conducted on a 100-ft. grid, including multiple drill hole fences with drill holes spaced as close as 10-50 ft. The average depth to the top of these resources is 312 ft. bgs.
There are numerous reasons that mineralization was interpreted as Measured Resources at the Project. First, the drill spacing used to categorize the Measured Resource category is less than or equal to the well spacing in a typical 5-spot production pattern (100 ft. spacing from injector to injector) described in Chapter 13.2.2 which enabled a detailed wellfield design to be completed. Second, as shown on the geologic cross sections, (Figure 8) the sub-surface geology at the Project is very well known with correlatable aquifers, consistent host sandstone intervals and reliable aquitards across the resource areas. Third, as shown in the map of mineralized trends, roll front picture, and roll front conceptual model (Figures 10, 11, and 12) mineralization occurs along the redox interface and the oxidized sands have different coloration than the reduced sands. These color variations are visible in drill cuttings and are used to map the redox interface and to guide drilling and wellfield design. Finally, the roll front deposit model used globally was developed at the Shirley Basin Mine in the early 1960s (Bailey & Gregory, 2011). This combination of drillhole spacing, well known subsurface geology, well understood deposit model, and the variety of data collected lead WWC to conclude that the mineralization in areas with drillhole spacing of less than or equal to 100 ft. fit the definition for Measured Resources.
Figure 16 illustrates the location of resources as defined by outlines of the 0.25 GT contour mineral pods and trends for the FAB Trend, and Figure 17 shows the same for Area 5. Figure 8 is a pair of cross sections that illustrates the mineralization and strata in both the FAB and Area 5 Resource Areas. Note the change in the original topography, due to pre-stripping in areas adjacent to historical open pit mining operations.
11.8 Mineral Resource Estimate Risk
To the extent known, there are no current environmental, permitting, legal, title, taxation, socio-economic, marketing, or political factors which could materially affect the accessibility of the estimated resources.
Potential future risks to the accessibility of the estimated resource may include further consideration of the designation of the greater sage-grouse as an endangered species by the U.S. Fish and Wildlife Service. The Project is not within a greater sage-grouse core area as defined by the State of Wyoming, (Governor’s Executive Orders 2019-3 and 2020-1) and therefore there are no stipulations or restrictions on the Project. However, URE intends to work closely with the Wyoming Game and Fish Department and the BLM to mitigate any potential impacts on greater sage-grouse in adjacent areas.
As is typical for mineral resource estimates, there is risk of improper interpretation of geological data such as grade or continuity. Improper geological data interpretation could impact the estimated resource estimate, either positively or negatively. URE has expended considerable effort to ensure the accuracy and validity of drilling and mineral data used as the foundation of the resource estimates. Additionally, geologists contributing to this Report are thoroughly trained and experienced in understanding the nature of roll front uranium deposits to ensure realistic and accurate interpretations of the extent of mineralization.
| Ur-Energy – Shirley Basin ISR Uranium Project |
|
|
| Amended Technical Report Summary – March 11, 2024 |
| Page 55 |
|
|
|
|
Figure 16. FAB Trend Resources

| Ur-Energy – Shirley Basin ISR Uranium Project |
|
|
| Amended Technical Report Summary – March 11, 2024 |
| Page 56 |
|
|
|
|
Figure 17. Area 5 Resources

| Ur-Energy – Shirley Basin ISR Uranium Project |
|
|
| Amended Technical Report Summary – March 11, 2024 |
| Page 57 |
|
|
|
|
12.0 MINERAL RESERVE ESTIMATES
There are no current mineral reserves on the Project.
| Ur-Energy – Shirley Basin ISR Uranium Project |
|
|
| Amended Technical Report Summary – March 11, 2024 |
| Page 58 |
|
|
|
|
13.0 MINING METHODS
The mining method addressed in this Report is ISR. There is no excavation of ore and no mining dilution with this method. Only minerals that can be taken into solution are recovered.
13.1 Mineral Deposit Amenability
URE plans to use the ISR mining technique at the Project. The District was the site of the first successful, commercial ISR operations in the U.S. From 1963-1970, 1.5 million lbs. U3O8 were produced through ISR methods. This historical production demonstrated the host Wind River Formation sandstones and the hydrological conditions of the site to be suitable for ISR production.
ISR is employed because this technique allows for the low cost and effective recovery of roll front mineralization. An additional benefit is that ISR is relatively environmentally benign when compared to conventional open pit or underground recovery techniques. ISR does not require the installation of tailings facilities or significant surface disturbance.
This mining method utilizes injection wells to introduce a lixiviant into the mineralized zone. The lixiviant is made of native groundwater fortified with oxygen as an oxidizer, sodium bicarbonate as a complexing agent, and carbon dioxide for pH control. The oxidizer converts the uranium compounds from a relatively insoluble +4 valence state to a soluble +6 valence state. The complexing agent bonds with the uranium to form uranyl carbonate, which is highly soluble. The dissolved uranyl carbonate is then recovered through a series of new production wells and piped to a processing plant where the uranyl carbonate is removed from the solution using ion exchange. The groundwater is re-fortified with the oxidizer and complexing agent and sent back to the wellfield to recover additional uranium.
In order to use the ISR technique, the mineralized body must be saturated with groundwater, transmissive to water flow, and amenable to dissolution by an acceptable lixiviant. While not a requirement, it is beneficial if the production zone aquifer is relatively confined by overlying and underlying aquitards so it is easier to maintain control of the mining lixiviant. In addition to numerous historical monitor wells, URE completed 13 monitor wells at the Project in 2014 to determine the elevation of the water tables. The natural hydrostatic pressure within the Main and Lower Sands causes the water to rise in the well casing to approximately 145 to 240 ft. bgs. The Main and Lower Sands are completely saturated at the Project. Five hydrogeologic pump tests were performed within the Project in 2014 to demonstrate that the Main and Lower Sands are sufficiently transmissive to allow the lixiviant to flow through the production zone and dissolve the uranium mineral. The transmissivity of these sands measured during these pump tests ranged from 2,460 to 8,300 gpd/ft. This range of transmissivities is consistent with the rates at other successful ISR operations. Production well flow rates observed to date confirm aquifer characteristics are suitable for ISR.
Several agitation leach (bottle-roll) tests have been carried out on core samples from the Project to ensure leachability with an acceptable lixiviant. Test results show that recoveries of approximately 80% can be expected.
13.2 Wellfield Design
The most fundamental component of ISR mine development and production is the production pattern. A pattern consists of one production well and the injection wells which feed lixiviant to it. Injection wells are commonly shared by multiple production wells. Header houses serve multiple patterns and function as both distribution points for injection flow and collection points for production flow from the production wells. The processing plant feeds injection lixiviant to the header houses for distribution to the injection wells and receives and processes production flow from the header houses.
| Ur-Energy – Shirley Basin ISR Uranium Project |
|
|
| Amended Technical Report Summary – March 11, 2024 |
| Page 59 |
|
|
|
|
13.2.1 Revised Resources
The total resource base was evaluated based on physiographic and depth criteria to judge whether it can be addressed with current ISR methods. The evaluation determined that portions of the total mineral resource are not able to be addressed using current ISR methods. For purposes of this Report, those portions of the mineral resource were excluded from economic consideration. These excluded resources may still be available to non-conventional ISR techniques and other mining methods.
Groundwater Table
For ISR operations, it is necessary that the uranium resources are located below the static water table. Within the Project, all resources within the Wind River Formation meet this important criterion, being at least 20-40 ft. below the water table. However, some of the resources within the overlying White River Formation are located at or very near the static water table and therefore have insufficient hydraulic head for ISR production. This was identified by evaluating monitoring results from 13 monitor wells drilled by URE throughout the Project area for the purpose of measuring water levels and conducting pump tests. As a result, all the White River resources, totaling 156,975 lbs., have been removed from consideration as economically mineable resources.
Topography
Some resources have been removed from consideration as economically mineable resources due to adverse topographic conditions. Reclamation of the historical open pit mines did not involve complete backfilling. Rather, the pit walls were sloped and partially backfilled and the pit floors were allowed to flood, creating pit lakes as exist today. Locally the pit walls remain quite steep. Portions of the mineral resource in the western regions of the FAB Trend extend too close to pit lakes or occur on pit slopes too steep to efficiently construct ISR production patterns. Resources in these areas totaling 710,821 lbs. consequently have been removed from consideration as economically mineable resources.
The total resource base has been reduced by 867,796 lbs. due the above factors to yield a resource estimate of 7,947,921 lbs that is addressable by ISR wellfield patterns.
13.2.2 Wellfield Patterns
Traditionally, the industry standard wellfield pattern is a 5-spot configuration consisting of four injection wells 100 ft. apart squarely placed around a central production well, resulting in a pattern of approximately 10,000 sq./ft. in area with an injection to production well distance of approximately 70 ft. However, in practice, patterns are designed to best fit the sinuosity of the target mineral trends, and thus in most cases are not perfectly square. Based on resource mapping and its geometry, it is sometimes prudent to combine 5-spots with other pattern configurations such as “line-drives” or 6-spots for maximum layout efficiency. A line-drive pattern is a sequence of two injection wells feeding a single production well. A 6-spot is a 5-spot pattern modified to include an additional injection well for added sweep efficiency. The wellfield design presented in this report is dominantly composed of 5-spot patterns with the occasional 6-spot.
| Ur-Energy – Shirley Basin ISR Uranium Project |
|
|
| Amended Technical Report Summary – March 11, 2024 |
| Page 60 |
|
|
|
|
In plan-view, patterns have been designed to overlay mapped roll fronts. Well completion intervals in each pattern will be carefully evaluated using available data to optimize lixiviant flow paths through targeted resources. Typically, patterns are planned to target up to two or three individually mapped and vertically stacked roll fronts. Targeting more would result in an undesirably thick and inefficient well completion interval. Operational experience has demonstrated the optimum injection/production well completion thickness to be between 10 and 25 ft. Consequently, to maintain desirable completion thicknesses, overlapping patterns have been planned in certain areas and occur when two or more mining completions are required to address multiple mineralized horizons or the presence of more mineralized thickness than can be efficiently mined with a single well completion.
The Project-wide wellfield areas have been divided into three mine units: MU1 and MU2 in the FAB Trend and MU3 in Area 5. Figures 18 and 19 illustrate the pattern layout for each of the mine units. A general description of the dimensions of each mine unit follows. MU1 is approximately 5,500 ft. long, varies in width from 500 to 1,800 ft. and has a composite wellfield area of approximately 108 acres. MU2 is approximately 5,400 ft. long, varies in width from 300 to 3,000 ft. and has a composite wellfield area of approximately 122 acres. MU3 is approximately 3,300 ft. long and 1,800 ft. wide with a composite wellfield area of approximately 53 acres. These mine units contain a planned 2,945 injection wells, 1,675 production wells, for a total of 4,620 wells (Table 14). The average estimated well depth and completion thickness for the Project are approximately 334 ft. and 16 ft., respectively. In some areas of MU1 and MU2, partial stripping of overburden by past mining operations will result in significant reduction of total well depths and subsequently a reduction in development costs.
It should be noted that due to the location of the existing permit boundary along the southern border of Section 33, T28N, R78W there would be a reduction of approximately 398,500 lbs. of mineral resource that would be unable to be recovered due to the 250 ft. buffer required between mining wells and perimeter monitor wells. A permit revision that moves the permit boundary to the south, would enable the installation of perimeter monitor wells with a sufficient buffer to prevent loss of mineral resource. URE will pursue negotiations with the surface owner to the south to revise the permit boundary. The mineral resource estimate in this Report assumes that these pounds are recovered as there is little risk that the permit revision would be denied by WDEQ-LQD. The number of patterns estimated for each mine unit is then used to calculate an average resource per pattern and an average recoverable resource per pattern, as shown in Table 14. The Project is estimated to have an overall average under pattern resource of 4,455 lbs./pattern and an average recoverable resource of 3,564 lbs./pattern.
Figure 18. Planned Mine Units FAB Trend

| Ur-Energy – Shirley Basin ISR Uranium Project |
|
|
| Amended Technical Report Summary – March 11, 2024 |
| Page 61 |
|
|
|
|
Figure 19. Planned Mine Unit Area 5

| Ur-Energy – Shirley Basin ISR Uranium Project |
|
|
| Amended Technical Report Summary – March 11, 2024 |
| Page 62 |
|
|
|
|
Table 14. Development Summary by Mine Unit
| Mine Unit | Resource Area | Resource (lbs. x 1000)1 | Recoverable Resource (lbs. x 1000) | Average lbs./Pattern | Average Recoverable lbs./Pattern | Injection Wells | Production Wells | Header Houses | Average Well Depth (ft.)2 | Monitor Wells |
| MU1 | FAB Trend | 3,070 | 2,455 | 5,357 | 4,286 | 854 | 573 | 19 | 283 | 100 |
| MU2 | FAB Trend | 3,324 | 2,659 | 4,649 | 3,719 | 1,323 | 715 | 24 | 306 | 120 |
| MU3 | Area 5 | 1,050 | 840 | 2,741 | 2,193 | 768 | 387 | 13 | 461 | 51 |
| Project Total |
| 7,444 | 5,955 | 4,455 | 3,564 | 2,945 | 1,675 | 56 | 334 | 271 |
1 Sum of pounds may not add to the reported total due to rounding.
2 Project totals reflect weighted average.
13.2.3 Monitor Wells
The planned monitor well network associated with the mine units is based on applicable regulatory requirements and guidance set forth by the WDEQ and the URP. In total, 271 monitor wells are planned, including 121 perimeter monitor ring wells and 150 interior monitor wells.
Perimeter monitor wells will surround each mine unit at an estimated spacing of 500 ft. from each other and 500 ft. from the nearest production pattern (Figures 18 and 19). Locally, an alternative closer spacing of perimeter monitor wells is assumed in areas where production patterns are planned near existing pit lakes or backfill, both resulting from past mining operations. These areas exhibit hydrologic conditions that are anticipated to require a more robust monitor well network with spacing of 250 ft. from each other and 250 ft. from the nearest production pattern.
Monitor wells interior to the wellfield are also required for every four acres of pattern area. These interior wells typically consist of a suite of three monitor wells: one completed in the overlying aquifer, one in the underlying aquifer and one in the production zone. However, in the Project area the Wind River production zone is underlain by thick Cretaceous marine shales and consequently no underlying aquifer has been identified. Therefore, the interior monitor wells are assumed to consist of only overlying and production zone monitor wells. These wells will be placed in pairs evenly distributed through each mine unit, with each pair composed of one of each type of well.
13.2.4 Mining Schedule
The mine life sequence can be described as development, production and groundwater restoration followed by surface reclamation (Figure 20). Construction activities which include development drilling, wellfield construction, and the installation of initial monitor wells will occur first and is anticipated to take approximately nine months. Annual production is estimated to be approximately one million pounds per year. Restoration and reclamation activities are scheduled to start soon after production is completed in a given mine unit. Final decommissioning will occur simultaneously with reclamation of the last production area. The schedule shown below has been prepared for the purpose of facilitating the preparation of the accompanying economic analysis. The actual timing on which URE decides to commence construction will be dependent on a variety of market factors.
| Ur-Energy – Shirley Basin ISR Uranium Project |
|
|
| Amended Technical Report Summary – March 11, 2024 |
| Page 63 |
|
|
|
|
Figure 20. Life of Mine Schedule

13.3 Piping
Pipelines transport the wellfield solutions to and from the planned satellite IX plant. The flow rates and pressures of the individual well lines are monitored in the header houses. Flow and pressure of the field production systems are also monitored and controlled as appropriate at the header houses. High density polyethylene (HDPE), PVC, stainless steel, or equivalent piping is used in the wellfields and will be designed and selected to meet design operating conditions. The lines from the satellite IX plant, header houses, and individual well lines will be buried for freeze protection and to minimize pipe movement.
13.4 Header Houses
Header houses are used to distribute lixiviant injection fluid to injection wells and collect pregnant solution from production wells. Each header house is connected to two trunk lines, one for receiving barren lixiviant from the satellite IX plant and one for conveying pregnant solutions to the satellite plant. The header houses include manifolds, valves, flow meters, pressure gauges, instrumentation and oxygen for incorporation into the injection fluid, as required. Each header house may service up to 90 wells (injection and production) depending on pattern geometry.
13.5 Wellfield Reagents and Electricity
The evaluation presented in this Report assumes, based on the production schedule and plan at full satellite flow, the use of the following reagents and electricity in the wellfields and satellite plant on an annual basis:
|
| Oxygen | 59 | million standard cu. ft. |
|
| Carbon dioxide | 657 | tons |
|
| Electricity | 8.4 | million kilowatt-hours (kWh) |
| Ur-Energy – Shirley Basin ISR Uranium Project |
|
|
| Amended Technical Report Summary – March 11, 2024 |
| Page 64 |
|
|
|
|
13.6 Mining Fleet Equipment and Machinery
This evaluation includes the cost of the required equipment and machinery to support the installation and operation of wellfields, a 6,000 gpm satellite IX plant and post-mining reclamation activities. A summary listing of this initial equipment and machinery includes: two (2) ½-ton pickup trucks; 14 ¾-ton pickup trucks; one (1) ¾ ton electrician pickup truck; five (5) 1 ton trucks; one (1) 1 ton welding pickup truck; two (2) logging trucks; one (1) well testing truck; two (2) pulling units; two (2) vacuum trucks; two (2) resin trailers; two (2) flatbed trailers; six (6) cementers; (5) backhoes; one (1) motor grader; one (1) wheel loader; four (4) forklifts; one (1) tractor with various implements; two (2) hose reels; Fusion equipment; two (2) portable generators; and various hand tools, radios and computers.
13.7 Mining Fleet Personnel
This evaluation includes the cost of the personnel required to operate the wellfield, satellite IX plant, and mine administration. The wellfield department will have up to 35 full time equivalent (FTE) positions which include all personnel required for drilling, casing, logging, operations, and reclamation. The satellite plant department will have up to 11 FTE positions which would include personnel required to operate and maintain the satellite plant. The mine administration will require seven FTE positions to oversee mine operations, safety, and technical support staff. These FTE positions represent the total over the life of the Project and will not occur simultaneously. The maximum number of FTE positions at any one time is anticipated to be 48.
| Ur-Energy – Shirley Basin ISR Uranium Project |
|
|
| Amended Technical Report Summary – March 11, 2024 |
| Page 65 |
|
|
|
|
14.0 PROCESSING AND RECOVERY METHODS
ISR operations consist of four major solution circuits, and because the Project is anticipated to be a satellite to URE’s Lost Creek Mine, only the first major solution circuit will be located at the Project. Loaded resin will be contract transported to the Lost Creek Mine, where the remainder of the processing will be completed. The four major solution circuits are:
|
| 1. | Uranium recovery/extraction circuit (IX); |
|
|
|
|
|
| 2. | Elution circuit to remove the uranium from the IX resin; |
|
|
|
|
|
| 3. | Yellowcake precipitation circuit; and the |
|
|
|
|
|
| 4. | Dewatering, drying and packaging circuit. |
Figure 21 presents a simplified process flow diagram illustrating the relationship between the Project satellite facility and the Lost Creek Mine.
14.1 Satellite Operations
Production fluid containing dissolved uranyl carbonate from the wellfields is pumped to the satellite IX plant for beneficiation as described below.
IX Circuit – The IX circuit will be housed in a metal building which will also house the resin transfer equipment as well as the restoration circuit. Uranium liberated from the underground deposits is extracted from the pregnant solution in the 6,000 gpm IX circuit. Subsequently, the barren lixiviant is reconstituted to the proper bicarbonate strength, as needed, and pH is corrected using carbon dioxide prior to being pumped back to the wellfield for reinjection. A low-volume bleed is permanently removed from the lixiviant flow in order to maintain an inward hydraulic gradient to the wellfields. The bleed is treated by RO to remove metals and salts (e.g., calcium, sodium, sulfate) and the clean permeate is either reused in the process or recycled to suitable aquifers. This clean permeate is of better quality than the native groundwater. Brine will be disposed of in evaporation ponds and excess permeate will be disposed of in historical pit lakes at the site.
Associated with the satellite operations will be office, construction, maintenance, warehouse and drilling support buildings.
14.2 Transportation
Once the IX resin is loaded to a point where it is no longer economically capturing uranium from the production solution, the IX resin column is taken offline and the loaded resin is moved to a trailer. The resin typically will be shipped in 500 cu. ft. loads and will have the majority of the water drained off prior to shipping. Bulk pneumatic trailers are planned to transport the resin to and from the Lost Creek Mine processing plant approximately 32 miles north of Wamsutter, Wyoming. The mode of hauling is proposed to be a contract carrier licensed to haul radioactive materials in the State of Wyoming. An example of such a carrier would be RSB Logistics who is currently contracted to haul the end product, yellowcake, from the Lost Creek Mine to Metropolis, Illinois for final processing.
| Ur-Energy – Shirley Basin ISR Uranium Project |
|
|
| Amended Technical Report Summary – March 11, 2024 |
| Page 66 |
|
|
|
|
There are two possible routes from the Project to the Lost Creek Mine. The preferred route is south on Wyoming Highway 487, west on U.S. Highway 30/287 continuing west on Interstate 80, then north on the Wamsutter – Crooks Gap road to the Lost Creek Mine. The total length for this route is approximately 175 miles. The alternate route is north on Wyoming Highway 487, west on Wyoming Highway 220, continuing northwest on Wyoming Highway 287 then south on the Wamsutter – Crooks Gap road. The total length for this route is approximately 160 miles. While this route is shorter by 15 miles, it is the lesser traveled trucking route of the two.
Once the truck delivers the loaded trailer to Lost Creek Mine, a trailer with barren resin will be immediately returned to the Project satellite facility.
14.3 Energy, Water, Process Materials, and Personnel
Estimates used in the evaluation presented in this Report assume the annual consumption of approximately 46,200 gallons of propane and 10.7 million kWh of electricity to heat and light the satellite plant and operate the process equipment and wellfields.
Chemicals that are anticipated to be used in the plant processes at the full design flow rate and the assumed annual consumption rates include:
|
| Hydrochloric acid (37.5%) | 773 tons/year |
|
| WL-2000 (anti-scalent) | 12.5 tons/year |
|
| Diatomaceous Earth | 580 tons/year |
|
| Resin (make-up/replacement) | 100 cu. ft./year or less |
The chemicals will be stored, used and managed to ensure worker and environmental safety in accordance with standards developed by regulatory agencies and vendors. Additional resin will only be purchased and added as necessary if resin is lost or damaged during normal operating processes. Under normal operating conditions, the resin is anticipated to last the life of the project or longer. For this Report, due to the potential wear associated with the trucking of resin, the cost of an additional resin each year was factored into the analysis.
Consumptive water usage for the satellite plant is based on the wellfield bleed and RO plant brine production rates which are described in more detail in Chapter 14.4.
Personnel requirements are described in Chapter 13.7.
| Ur-Energy – Shirley Basin ISR Uranium Project |
|
|
| Amended Technical Report Summary – March 11, 2024 |
| Page 67 |
|
|
|
|
Figure 21. Process Flow Diagram

| Ur-Energy – Shirley Basin ISR Uranium Project |
|
|
| Amended Technical Report Summary – March 11, 2024 |
| Page 68 |
|
|
|
|
14.4 Liquid Disposal
Typical ISR and restoration operations generate limited quantities of wastewater that cannot be returned to the production aquifers. The wastewater will be derived from: wellfield production bleed, satellite processes and wastewater treatment reject. The production bleed is a net withdrawal of water that generates an area of low hydrostatic pressure within the mining zone. Water surrounding the mining zone flows toward the area of low pressure thereby preventing mining solutions from migrating away from the mining zone toward protected waters. The wellfield production bleed rate is estimated at 0.5 to 1.5% of the total mine unit flow rate. The wastewater flow rate from the satellite plant will be minimal, on the order of 1 gpm, because the facility will house only the IX circuit without the elution, precipitation, filtration or drying circuits. The wastewater from restoration is related to initial purging of the production area (known as groundwater sweep, or GWS) and the untreatable brine related to multiple volumes of groundwater treated using RO where the permeate is reinjected. Because of the various degrees of wastewater treatment and concentration planned at the satellite facility, the rate of brine generated will average approximately 6 gpm, all of which will be evaporated in the two (2) onsite ponds. The permeate generated from all these operations will pass through a radium IX resin before being disposed in the historic pit lakes pursuant to URE’s WYPDES permit (WY0096466). An average of 48 gpm of permeate recycling is expected over the production and restoration life of the project.
14.5 Solid Waste Disposal
Solid wastes consist of empty packaging, miscellaneous pipes and fittings, tank sediments, solids related to wastewater concentration, used personal protective equipment and domestic trash. These materials are classified as contaminated or non-contaminated based on their radiological characteristics.
Non-contaminated solid waste is waste which is not contaminated with radioactive material or contaminated waste which can be decontaminated and re-classified as non-contaminated waste. This type of waste may include trash, piping, valves, instrumentation, equipment and any other items which are not contaminated or which may be successfully decontaminated. Current estimates are that the site will produce approximately 400 cubic yards of non-contaminated solid waste per year. Non-contaminated solid industrial waste will be collected in designated areas at the Project site and disposed of within the permitted, on-site industrial solid waste land fill. Non-contaminated solid household waste will be shipped by a contractor to a local land fill.
Contaminated solid waste consists of solid waste contaminated with radioactive material that cannot be decontaminated. This waste will be classified as 11e.(2) byproduct material as defined by federal and state regulations. This byproduct material consists of solids generated through concentration of wastewater, filters, personal protective equipment, spent resin, piping, etc. URE owns a licensed, 11e.(2) byproduct material disposal site at Shirley Basin which can receive these materials. It is estimated that the Project will produce approximately 90 cubic yards of 11e.(2) byproduct material as waste per year. This estimate is based on the waste generation rates of similar uranium ISR facilities.
| Ur-Energy – Shirley Basin ISR Uranium Project |
|
|
| Amended Technical Report Summary – March 11, 2024 |
| Page 69 |
|
|
|
|
15.0 INFRASTRUCTURE
15.1 Roads
Four types of roads will be used for access to the Project and its production areas. They include primary access roads, secondary access roads, temporary wellfield access roads, and well access roads. The Project area is served by Wyoming Highway 487 as depicted on Figure 1. Wyoming Highway 487 is a state maintained, two-lane, sealed, asphalt road providing year around access. Access to this highway from the north (Casper) is via Wyoming Highway 220, and access from the south (Laramie or Rawlins) is via US Highway 30/287. Once on the Project, there is a crown-and-ditched gravel access road to the former mill site area (Figure 3). The proposed access to the ISR production area will require upgrading approximately 1.9 miles of an existing graded access road which is reached by Carbon County Road 2, Shirley Ridge Road. In addition to the designated routes, there are a number of tertiary or “two-track” roads that traverse the area for recreation and grazing access, as well as various other uses, including mineral exploration and access to monitor wells.
Snow removal and periodic surface maintenance will be performed as needed. The secondary access roads are used at the Project to provide access to the wellfield header houses. The secondary access roads are constructed with limited cut and fill construction and may be surfaced with small sized aggregate or other appropriate material.
The temporary wellfield access roads are for access to drilling sites, wellfield development, or ancillary areas assisting in wellfield development. When possible, URE will use existing two-track trails or designate two-track trails where the land surface is not typically modified to accommodate the road. The temporary wellfield access roads will be used throughout the mining areas and will be reclaimed at the end of mining and restoration.
15.2 Electricity
A regional power transmission line (69 kV) passes through the northern portions of the Project. Also, an existing energized power line leads to a substation with transformer bank near the field office, and from there a currently inactive power line (poles only) extends to the FAB Trend. The line was originally installed to serve the Pathfinder Mine. Service to the area is through High Plains Electric. On-site power will be owned by PMC and will be constructed by contract overhead power electricians. Prior to operation of the Project, the substation will be upgraded and new lines run to the proposed satellite plant and wellfields. Power lines from header houses to production wells will be placed underground using direct burial wire.
15.3 Holding Ponds
Up to six holding ponds will be used to contain process wastewater and brine, however only two are initially estimated for construction. It is anticipated the ponds will be built immediately east of the planned plant site (shown on Figure 18). Each of the earthen banked ponds will be designed to be approximately 295 by 385 ft., as measured from centerline, crest to crest. The ponds will have a triple lined containment system, two synthetic liners and a single clay liner, with leak detection between the synthetic liners. The rigorous procedures established at the Lost Creek Mine to ensure proper inspection, operation, and maintenance of the holding ponds will be employed at the Project.
15.4 Water
There are existing water wells located at the Project capable of providing sufficient supply for domestic and other potential operational requirements. Well WW22 is currently used as a supply well and is capable of producing over 25 gpm. There are several backup water wells that are installed but have not been utilized to date. Additional new and appropriately sited water source wells will be considered for future site use. Water impounded in the reclaimed mine pits is also suitable for use in drilling and would be available pending construction of approach ramps.
| Ur-Energy – Shirley Basin ISR Uranium Project |
|
|
| Amended Technical Report Summary – March 11, 2024 |
| Page 70 |
|
|
|
|
16.0 MARKET STUDIES
Unlike other commodities, uranium does not trade on an open market. Contracts are negotiated privately between buyers and sellers. Sales contracts vary in quantity and duration from spot market transactions, typically one-time, near-term deliveries involving as little as 25,000 lbs. U3O8, to long term sales agreements covering deliveries over multiple future years with quantities in the hundreds of thousands to millions of pounds of U3O8. This economic analysis assumes a variable price per pound for U3O8 over the life of the Project ranging from a high of $86.21 in 2026 to a low of $82.46 in 2030.
The sale price for the produced uranium is assumed to vary based on a calculation of a simple average of (a) the annual average of the projections of Cantor Fitzgerald Canada Corporation, September 26, 2023; Roth MKM, October 10, 2023; PI Financial Corp. October 6, 2023 and (b) UxC, LLC Q4 2023.
The QP believes these estimates are appropriate for use in the evaluation, and the results support the assumptions herein.
URE has not entered into uranium supply contracts that are tied to production from the Project. The price projection model includes components reflective of URE’s market strategy of blending term and spot market pricing mechanisms within contracts. The anticipated sales prices are considered within the sensitivities in this Report. The income from the estimated production at the anticipated sales price is included in the cash flow estimate.
The marketability of uranium and acceptance of uranium mining is subject to numerous factors beyond the control of URE. The price of uranium may experience volatile and significant price movements over short periods of time. Factors beyond URE’s control affect the market, including demand for nuclear power; changes in public acceptance of nuclear power generation; political and economic conditions in uranium mining, producing and consuming countries; costs and availability of financing of nuclear plants; changes in governmental regulations; global or regional consumption patterns; speculative activities and increased production due to new extraction developments and improved production methods; the future viability and acceptance of small modular reactors or micro-reactors and the related fuel requirements for this new technology; reprocessing of spent fuel and the re-enrichment of depleted uranium tails or waste; and global economics, including currency exchange rates, interest rates and expectations of inflation. Any future accidents, or threats of or incidents of war, civil unrest or terrorism, at nuclear facilities are likely to also impact the conditions of uranium mining and the use and acceptance of nuclear energy. The economic analysis and associated sensitivities are within the range of current market variability.
During the construction phase of the plant, several contracts will be required with various construction related venders. No construction contracts have been entered into at the date of this Report. Operational purchasing agreements will be required with the primary chemical suppliers. None of these agreements has been entered into. Finally, agreements will be required with a transportation company for the transport of loaded resin from the Project to the Lost Creek Mine for processing of yellowcake and transport of the yellowcake to the conversion facility.
| Ur-Energy – Shirley Basin ISR Uranium Project |
|
|
| Amended Technical Report Summary – March 11, 2024 |
| Page 71 |
|
|
|
|
17.0 ENVIRONMENTAL STUDIES, PERMITTING, AND PLANS, NEGOTIATIONS, OR AGREEMENTS WITH LOCAL INDIVIDUALS OR GROUPS
17.1 Environmental Studies
Extensive environmental studies, including geology, surface hydrology, sub-surface hydrology, geochemistry, fisheries, wetlands, air quality, vegetation, wildlife, archeology, meteorology, background radiometrics, and soils were conducted for various permitting actions. The geology, hydrology, meteorology, and radiometric studies were performed by URE professionals and staff, while the remaining studies were performed by contracted experts. Permitting commenced following the completion of all baseline field work. All major authorizations to construct and operate the Project have been received. At this time, there are no known environmental factors which could materially impact the ability to recover uranium resources and to maintain permitted authorizations.
17.2 Waste Disposal and Monitoring
17.2.1 Waste Disposal
Non-household waste generated from an ISR facility generally consists of water from the wellfield and processing plant and solid waste generated from the plant. Both types of waste are classified as 11e.(2) byproduct material pursuant to the Atomic Energy Act (AEA). During production, the wastewater will be treated by RO and radium IX resin. The brine will be disposed of in evaporation ponds, while the excess permeate will be disposed of into the historic pit lakes pursuant to the WYPDES permit (WY0096466).
The solid 11e.(2) waste generated on-site will consist of solids related to wastewater concentration, personal protective equipment, filters, and used process equipment. The 11e.(2) byproduct material will be disposed of in the on-site tailings facility, which is operated under a URP license as a commercial disposal facility.
17.2.2 Site Monitoring
Once mining begins there will be considerable site monitoring to ensure protection of the environment and protection of employees and the public from radionuclide effluent. Each mine unit will be surrounded laterally and vertically with a series of monitor wells to ensure mining solutions do not migrate out of the mining zone. The wells will be sampled twice per month with the results compared against pre-determined upper control limits.
Significant environmental monitoring for radionuclide effluents will also take place during mining and reclamation. Nine sites have been pre-selected for monitoring gamma radiation and radon levels. Sampling devices will be replaced each quarter during operations and continue through groundwater restoration. Additionally, five sites have been selected for monitoring the concentration of airborne radionuclides. The air filters in the devices are changed out about every two weeks and quarterly composites are submitted to a contract laboratory for analysis. The laboratory results will be compared against baseline values to determine if any upward trending is occurring. The radionuclide concentration in local soils, surface water and vegetation will also be monitored to determine if mine effluent is causing impacts.
| Ur-Energy – Shirley Basin ISR Uranium Project |
|
|
| Amended Technical Report Summary – March 11, 2024 |
| Page 72 |
|
|
|
|
Finally, wildlife monitoring will continue throughout the life of the mine and will cover a variety of species including greater sage-grouse, big game, migratory birds, fish, lagomorphs, songbirds and other species deemed to be of concern by permitting agencies. Third-party contractors will be utilized to perform wildlife monitoring.
17.3 Permitting
Several significant federal, state, and county authorizations must be obtained prior to construction and operation of an ISR project. The Project has received all major environmental permits. See Chapter 3.5.2 for a description of the permits that have been received or are in process.
17.4 Social or Community Impact
The Project is proximate to the communities of Casper and Medicine Bow. Casper is approximately 40 miles north of the Project and has a population of 59,038 people according to the 2020 census. Medicine Bow is located 32 miles south of the site and has a population of 245 people (U.S. Census 2024). URE expects to hire site personnel from these communities as well as from other small, more distant communities. Employment will likely have a positive impact on these communities not only through direct payroll, but through primary and secondary purchases of goods and services.
The immediate area around the facility is very sparsely populated. The nearest home is approximately 2.7 miles from the Project. The next nearest home is greater than nine miles away.
URE has committed to significant monitoring and regulatory oversight in support of its mining activities. These commitments assist in protecting the mining area and its surrounding resources. In addition, a surety bond is in place to ensure the proper restoration and reclamation of existing infrastructure. The surety will be updated annually during the life of the Project to account for changes in reclamation liability. Nuisance and hazardous conditions which could affect local communities are not expected to be generated by the facility. The level of traffic in the region will increase slightly but the impact to local roads is expected to be minor.
17.5 Mine Closure Cost
Throughout the life of the mine URE will be required to annually assess the reclamation liability and submit the estimate to the URP, BLM, and LQD for review and approval. Upon approval by the agencies, a surety instrument sufficient to cover the reclamation liability must be established and maintained. Upon complete facility reclamation, the remaining surety would be returned to URE. The current facility surety amounts, which are intended to cover the cost of reclaiming historical activities, are presented in Chapter 3.5.1.
17.5.1 Well Abandonment / Groundwater Restoration
Groundwater restoration will begin as soon as practicable after uranium recovery in each wellfield is completed (as determined by project economics). If a depleted wellfield is near an area that is being actively mined, a portion of the depleted area’s restoration may be delayed to limit interference with the ongoing recovery operations.
Restoration completion assumes up to six PVs of groundwater will be extracted and treated by RO. Following completion of successful restoration activities, the injection and production wells will be plugged and abandoned in accordance with LQD regulations. Monitor wells will also be abandoned following verification of successful groundwater restoration.
| Ur-Energy – Shirley Basin ISR Uranium Project |
|
|
| Amended Technical Report Summary – March 11, 2024 |
| Page 73 |
|
|
|
|
17.5.2 Demolition and Removal of Infrastructure
Simultaneous with well abandonment operations, the trunk and feeder pipelines will be removed, tested for radiological contamination, segregated as either solid 11e.(2) or non-11e.(2) byproduct material, then chipped and disposed of in the appropriate on-site disposal facilities. The header houses will be disconnected from their foundations, decontaminated, segregated as either solid 11e.(2) or non-11e.(2) byproduct material, and disposed of on-site in the appropriate disposal facilities or recycled. The processing equipment and ancillary structures will be demolished, tested for radiological properties, segregated and either scrapped or disposed of on-site in the appropriate disposal facilities based on their radiological properties.
17.5.3 Site Grading and Revegetation
Following the removal of wellfield and plant infrastructure, site roads will be removed, and the site will be re-graded to approximate pre-development contours and the stockpiled topsoil placed over disturbed areas. The disturbed areas will then be seeded.
17.6 Adequacy of Current Plans
In the QP’s opinion the current plans to address any environmental compliance, permitting, or local individual or group issues meet the requirements set forth by regulatory agencies are adequate.
| Ur-Energy – Shirley Basin ISR Uranium Project |
|
|
| Amended Technical Report Summary – March 11, 2024 |
| Page 74 |
|
|
|
|
18.0 CAPITAL AND OPERATING COSTS
Capital Costs (CAPEX) and Operating Costs (OPEX) are based on the geological evaluation of the resource as described in Chapter 11.0 and the installation of conceptual production patterns, header houses, pipelines, powerlines, fences, roads, and other infrastructure to produce 80% of the resource as described in Chapter 13.1. The estimated costs for the Project are based on the costs for materials and services at the operating Lost Creek Mine. OPEX costs include the drilling and installation of the mine units as well as all operating costs such as chemicals, labor, utilities and maintenance. OPEX costs are most sensitive to wellfield costs – which may increase if well spacing needs to be reduced or additional injection/production wells are required. In addition, a shortage of drilling rigs and the increasing costs of well and piping materials (PVC, HDPE) could also lead to increased OPEX costs.
18.1 Capital Cost Estimation (CAPEX)
CAPEX costs were developed based on the current designs, quantities and unit costs. The cost estimates presented herein are based on personnel and capital equipment requirements, as well as wellfield layouts, process flow diagrams, tank and process equipment and buildings at URE’s Lost Creek Mine in Sweetwater County, Wyoming. The Project has pre-mining development and capital costs of $40.7 million, which are detailed on Table 15.
Table 15. Summary of CAPEX Cost Estimation
| Initial Capital ($ million) | |
| Rolling Stock | $5.14 |
| General Site Equipment & Utilities | $0.74 |
| Plant Equipment & Engineering | $10.27 |
| Plant and General Shop Buildings | $8.06 |
| Access Road | $0.23 |
| Total | $24.44 |
| Pre-Mining Development ($ million) | |
| Labor | $ 2.89 |
| Wellfield Drilling | $ 7.63 |
| Wellfield Construction | $ 5.45 |
| Operating Cost | $ 0.33 |
| Total | $16.30 |
| Sustaining Capital ($ million) | |
| Sustaining Capital | $9.22 |
|
| Total CAPEX $ 50.0 million |
After the start of mining, subsequent mine unit drilling and installation costs are considered in the OPEX category. The only items in the CAPEX category for the remainder of the mine life are in the sustaining capital category. These will include construction of the RO treatment system, replacement of pickup trucks, resin trailers, a backhoe, a forklift and routine replacement of hand tools, 2-way radios, computers and generators used in sampling. The sustaining capital estimate is based on purchases of the same equipment and/or vendor pricing. Since costs from Lost Creek Mine are current and wellfield and satellite plant designs at the Project are expected to be similar to Lost Creek Mine, no additional contingency was applied to the CAPEX costs for the purposes of this Report.
| Ur-Energy – Shirley Basin ISR Uranium Project |
|
|
| Amended Technical Report Summary – March 11, 2024 |
| Page 75 |
|
|
|
|
18.2 Operating Cost Estimation (OPEX)
The OPEX costs have been developed by evaluating and including each process unit operation and the associated required operating services (power, water, air, waste disposal), infrastructure (offices, shops and roads), salary and benefit burden, and environmental control (heat, air conditioning, monitoring). Also included are the wells to mine MUs 1, 2 and 3. The annual OPEX and the closure cost summary for the plant is provided in Table 16. Total OPEX costs, including selling, production and operating costs have been estimated at $145.5 million, or approximately $24.40 per pound. The costs are based on the current agreements, contracts and costs at the operating Lost Creek Mine and therefore have no contingency attached. The prices for the major items identified in this Report have been sourced in the U.S. Major cost categories considered when developing OPEX costs include wellfield, plant and site administration costs as detailed in Table 16.
18.2.1 Wellfield Development Costs
The first series of header houses will be brought online sequentially until the nominal plant throughput (approximately 5,500 to 6,000 gpm), or such other targeted production level as may be determined from time to time is attained. The remainder of MU1 and additional areas will be developed in such a way as to allow for plant capacity to be maintained.
The wellfield development costs include both wellfield drilling and wellfield construction activities and were estimated based on current wellfield designs including the number, location, depth and construction material specifications for wells and header houses and the hydraulic conveyance (piping) system associated with the wellfields. Additionally, trunk and feeder pipelines, electrical service, roads and wellfield fencing are included in the cost estimates. The wellfield development estimate is based on costs from vendors, contractors, labor wages and equipment rates used to drill and construct at the Lost Creek Mine. No contingency is included given that wellfield development is ongoing at Lost Creek Mine and all the costs are current. The estimated wellfield development cost of the Project is $103.5 million or $17.36 per pound and is contained annually in the Cash Flow Statement provided in Table 17.
18.3 Accuracy of the CAPEX and OPEX Estimates
The CAPEX and OPEX costs described herein are based on actual costs incurred by URE at the operating Lost Creek Mine; weather, labor, and general operating conditions at the Lost Creek Mine are similar enough to conditions at Shirley Basin that the costs are not expected to vary significantly between the sites. As such, no contingency was applied for this analysis. Given the advanced level of drilling data available and detailed planning completed to date, the accuracy of this analysis is estimated at +/- 10%.
| Ur-Energy – Shirley Basin ISR Uranium Project |
|
|
| Amended Technical Report Summary – March 11, 2024 |
| Page 76 |
|
|
|
|
18.4 Risk
There are a number of risks associated with the assumptions made to develop these estimates which are described in more detail within Chapter 22.3. The estimates included in this analysis are based on actual costs from operations at the Lost Creek Mine, which to some degree de-risks the estimates.
Table 16. Annual Operating Costs (OPEX) Summary
| Life of Mine Operating Costs |
| 2024 |
|
| 2025 |
|
| 2026 |
|
| 2027 |
|
| 2028 |
|
| 2029 |
|
| 2030 |
|
| 2031 |
|
| 2032 |
|
| 2033 |
|
| 2034 |
|
| 2035 |
|
| 2036 |
|
| 2037 |
|
| 2038 |
|
| 2039 |
|
| 2040 |
|
| Totals |
|
| $ / Pound |
| |||||||||||||||||||
|
|
| ($000s except cost per pound data) |
| |||||||||||||||||||||||||||||||||||||||||||||||||||||||||||||||||||||||||
| Salaries and Wages (Plant) |
| $ | - |
|
| $ | - |
|
| $ | (1,391.4 | ) |
| $ | (1,517.9 | ) |
| $ | (1,517.9 | ) |
| $ | (1,517.9 | ) |
| $ | (1,517.9 | ) |
| $ | (1,517.9 | ) |
| $ | (1,517.9 | ) |
| $ | (1,471.4 | ) |
| $ | (1,362.4 | ) |
| $ | (1,204.7 | ) |
| $ | (1,204.7 | ) |
| $ | (1,204.7 | ) |
| $ | (810.1 | ) |
| $ | (538.2 | ) |
| $ | (417.3 | ) |
| $ | (18,712.2 | ) |
| $ | (3.14 | ) |
| Salaries and Wages (Wellfield) |
| $ | - |
|
| $ | - |
|
| $ | (1,999.9 | ) |
| $ | (2,181.8 | ) |
| $ | (2,181.8 | ) |
| $ | (2,181.8 | ) |
| $ | (2,113.5 | ) |
| $ | (2,090.8 | ) |
| $ | (2,090.8 | ) |
| $ | (1,562.0 | ) |
| $ | (762.4 | ) |
| $ | (613.7 | ) |
| $ | (613.7 | ) |
| $ | (613.7 | ) |
| $ | (327.1 | ) |
| $ | (108.6 | ) |
| $ | (236.6 | ) |
| $ | (19,678.1 | ) |
| $ | (3.30 | ) |
| Wellfield costs (excludes closure related) |
| $ | - |
|
| $ | - |
|
| $ | (2,049.3 | ) |
| $ | (2,483.0 | ) |
| $ | (2,578.3 | ) |
| $ | (2,498.6 | ) |
| $ | (2,520.0 | ) |
| $ | (2,608.1 | ) |
| $ | (2,557.8 | ) |
| $ | (2,507.7 | ) |
| $ | (1,124.6 | ) |
| $ | (497.6 | ) |
| $ | (684.8 | ) |
| $ | (499.1 | ) |
| $ | (225.3 | ) |
| $ | - |
| $ | - |
| $ | (22,834.3 | ) |
| $ | (3.83 | ) | ||
| Processing Plant Costs (excludes closure related) |
| $ | - |
|
| $ | - |
|
| $ | (2,974.9 | ) |
| $ | (3,361.9 | ) |
| $ | (4,047.6 | ) |
| $ | (3,851.3 | ) |
| $ | (3,962.5 | ) |
| $ | (3,870.2 | ) |
| $ | (3,493.1 | ) |
| $ | (3,223.8 | ) |
| $ | (1,790.7 | ) |
| $ | (1,274.3 | ) |
| $ | (1,297.3 | ) |
| $ | (1,305.6 | ) |
| $ | (415.1 | ) |
| $ | (16.5 | ) |
| $ | (82.5 | ) |
| $ | (34,967.3 | ) |
| $ | (5.86 | ) |
| Product Shipping Costs & Conversion Facility Fees |
| $ | - |
|
| $ | - |
|
| $ | (332.7 | ) |
| $ | (349.9 | ) |
| $ | (344.9 | ) |
| $ | (296.1 | ) |
| $ | (303.3 | ) |
| $ | (296.1 | ) |
| $ | (220.1 | ) |
| $ | (183.5 | ) |
| $ | (51.3 | ) |
| $ | - |
| $ | - |
| $ | - |
| $ | - |
| $ | - |
|
| $ | - |
|
| $ | (2,378.0 | ) |
| $ | (0.40 | ) | ||||
| Land Holding & Surface Impact Costs |
| $ | (13.4 | ) |
| $ | (13.4 | ) |
| $ | (13.4 | ) |
| $ | (13.4 | ) |
| $ | (13.4 | ) |
| $ | (13.4 | ) |
| $ | (13.4 | ) |
| $ | (19.4 | ) |
| $ | (19.4 | ) |
| $ | (19.4 | ) |
| $ | (19.4 | ) |
| $ | (19.4 | ) |
| $ | (19.4 | ) |
| $ | (19.4 | ) |
| $ | (19.4 | ) |
| $ | (19.4 | ) |
| $ | (13.4 | ) |
| $ | (281.8 | ) |
| $ | (0.05 | ) |
| Wyoming URP Fees |
| $ | (120.0 | ) |
| $ | (120.0 | ) |
| $ | (120.0 | ) |
| $ | (120.0 | ) |
| $ | (120.0 | ) |
| $ | (120.0 | ) |
| $ | (120.0 | ) |
| $ | (120.0 | ) |
| $ | (120.0 | ) |
| $ | (120.0 | ) |
| $ | (120.0 | ) |
| $ | (120.0 | ) |
| $ | (120.0 | ) |
| $ | (120.0 | ) |
| $ | (120.0 | ) |
| $ | (120.0 | ) |
| $ | (120.0 | ) |
| $ | (2,040.0 | ) |
| $ | (0.34 | ) |
| Insurance & Bonding |
| $ | (2.3 | ) |
| $ | (1,731.6 | ) |
| $ | (940.7 | ) |
| $ | (1,567.8 | ) |
| $ | (1,265.3 | ) |
| $ | (709.8 | ) |
| $ | (740.5 | ) |
| $ | (592.6 | ) |
| $ | (803.7 | ) |
| $ | (376.9 | ) |
| $ | 431.8 |
| $ | 37.6 |
| $ | 428.8 |
| $ | 409.8 |
| $ | 417.8 |
| $ | 1,197.7 |
| $ | 1,061.3 |
| $ | (4,746.4 | ) |
| $ | (0.80 | ) | |||||||
| Subtotal |
| $ | (135.7 | ) |
| $ | (1,865.0 | ) |
| $ | (9,822.4 | ) |
| $ | (11,595.6 | ) |
| $ | (12,069.2 | ) |
| $ | (11,188.9 | ) |
| $ | (11,291.1 | ) |
| $ | (11,115.1 | ) |
| $ | (10,822.9 | ) |
| $ | (9,464.8 | ) |
| $ | (4,799.0 | ) |
| $ | (3,692.1 | ) |
| $ | (3,511.1 | ) |
| $ | (3,352.6 | ) |
| $ | (1,499.2 | ) |
| $ | 395.0 |
| $ | 191.5 |
| $ | (105,638.1 | ) |
| $ | (17.71 | ) | ||
|
|
|
|
|
|
|
|
|
|
|
|
|
|
|
|
|
|
|
|
|
|
|
|
|
|
|
|
|
|
|
|
|
|
|
|
|
|
|
|
|
|
|
|
|
|
|
|
|
|
|
|
|
|
|
|
|
|
|
|
|
|
|
|
|
|
|
|
|
|
|
|
|
|
|
|
|
|
| Closure costs (less wages) |
| $ | - |
| $ | - |
| $ | - |
| $ | (88.4 | ) |
| $ | (1,132.7 | ) |
| $ | (1,321.9 | ) |
| $ | (1,351.3 | ) |
| $ | (1,922.8 | ) |
| $ | (1,321.9 | ) |
| $ | (2,372.5 | ) |
| $ | (2,128.5 | ) |
| $ | (1,262.9 | ) |
| $ | (1,966.1 | ) |
| $ | (1,434.9 | ) |
| $ | (2,698.9 | ) |
| $ | (1,681.4 | ) |
| $ | (8,406.8 | ) |
| $ | (29,091.0 | ) |
| $ | (4.88 | ) | |||
| Home Office Support and Allocated Overhead |
| $ | (638.0 | ) |
| $ | (638.0 | ) |
| $ | (638.0 | ) |
| $ | (638.0 | ) |
| $ | (638.0 | ) |
| $ | (638.0 | ) |
| $ | (638.0 | ) |
| $ | (638.0 | ) |
| $ | (638.0 | ) |
| $ | (638.0 | ) |
| $ | (638.0 | ) |
| $ | (638.0 | ) |
| $ | (638.0 | ) |
| $ | (638.0 | ) |
| $ | (638.0 | ) |
| $ | (638.0 | ) |
| $ | (575.0 | ) |
| $ | (10,783.0 | ) |
| $ | (1.81 | ) |
| Subtotal |
| $ | (638.0 | ) |
| $ | (638.0 | ) |
| $ | (638.0 | ) |
| $ | (726.4 | ) |
| $ | (1,770.7 | ) |
| $ | (1,959.9 | ) |
| $ | (1,989.3 | ) |
| $ | (2,560.8 | ) |
| $ | (1,959.9 | ) |
| $ | (3,010.5 | ) |
| $ | (2,766.5 | ) |
| $ | (1,900.9 | ) |
| $ | (2,604.1 | ) |
| $ | (2,072.9 | ) |
| $ | (3,336.9 | ) |
| $ | (2,319.4 | ) |
| $ | (8,981.8 | ) |
| $ | (39,874.0 | ) |
| $ | (6.69 | ) |
|
|
|
|
|
|
|
|
|
|
|
|
|
|
|
|
|
|
|
|
|
|
|
|
|
|
|
|
|
|
|
|
|
|
|
|
|
|
|
|
|
|
|
|
|
|
|
|
|
|
|
|
|
|
|
|
|
|
|
|
|
|
|
|
|
|
|
|
|
|
|
|
|
|
|
|
|
|
| Total |
| $ | (773.7 | ) |
| $ | (2,503.0 | ) |
| $ | (10,460.4 | ) |
| $ | (12,322.0 | ) |
| $ | (13,839.8 | ) |
| $ | (13,148.7 | ) |
| $ | (13,280.5 | ) |
| $ | (13,675.8 | ) |
| $ | (12,782.8 | ) |
| $ | (12,475.3 | ) |
| $ | (7,565.5 | ) |
| $ | (5,593.0 | ) |
| $ | (6,115.3 | ) |
| $ | (5,425.5 | ) |
| $ | (4,836.2 | ) |
| $ | (1,924.4 | ) |
| $ | (8,790.3 | ) |
| $ | (145,512.1 | ) |
| $ | (24.40 | ) |
|
|
| 1. | For the purposes of this economic analysis, development activities and related costs are assumed to begin in year 2024 followed by operations and related costs. The actual timing on which URE makes a decision to commence construction will be dependent on a variety of market factors. |
|
|
| 2. | Wellfield operating costs include power, maintenance, chemicals and other wellfield operating costs. |
|
|
| 3. | Closure costs assume no salvage value for materials and equipment. |
|
|
| 4. | Land holding costs include 62 claims at $200 each annually. |
|
|
| 5. | Regulatory fees are now handled through the State of Wyoming Uranium Recovery Program at an assumed average rate of $120,000 per year. |
|
|
| 6. | Shipping costs are based on 35,000 pounds U3O8 per truckload and shipments from Lost Creek to Metropolis, Illinois. |
|
|
| 7. | Bonding requires a 2.5% premium to be paid and 30% collateral to be posted. The posted collateral is returned as closure work is completed and the bonding requirement is reduced. |
|
|
| 8. | Closure costs are based on WDEQ approved formulas and previously approved surety submittals. |
| Ur-Energy – Shirley Basin ISR Uranium Project |
|
|
| Amended Technical Report Summary – March 11, 2024 |
| Page 77 |
|
|
|
|
Table 17. Cash Flow Statement
| Description | 2024 | 2025 | 2026 | 2027 | 2028 | 2029 | 2030 | 2031 | 2032 | 2033 | 2034 | 2035 | 2036 | 2037 | 2038 | 2039 | 2040 | Totals | $ / Pound | |||||||||||||||||||||||||||||||||||||||||||||||||||||||||
| Pounds produced | - | 6,150 | 891,712 | 912,007 | 863,815 | 728,112 | 764,052 | 733,924 | 551,421 | 441,340 | 71,057 | - | - | - | - | - | - | 5,963,590 | ||||||||||||||||||||||||||||||||||||||||||||||||||||||||||
| Pounds sold | - | - | 800,000 | 900,000 | 800,000 | 800,000 | 700,000 | 800,000 | 500,000 | 500,000 | 163,590 | - | - | - | - | - | - | 5,963,590 | ||||||||||||||||||||||||||||||||||||||||||||||||||||||||||
| Average price per pound sold | $ | - | $ | - | $ | 86.21 | $ | 85.79 | $ | 84.91 | $ | 83.33 | $ | 82.46 | $ | 82.78 | $ | 83.53 | $ | 84.44 | $ | 85.40 | $ | - | $ | - | $ | - | $ | - | $ | - | $ | - | $ | 84.29 | ||||||||||||||||||||||||||||||||||||||||
| Sales | $ | - | $ | - | $ | 68,968.0 | $ | 77,211.0 | $ | 67,928.0 | $ | 66,664.0 | $ | 57,722.0 | $ | 66,224.0 | $ | 41,765.0 | $ | 42,220.0 | $ | 13,970.6 | $ | - | $ | - | $ | - | $ | - | $ | - | $ | - | $ | 502,672.6 | $ | 84.29 | ||||||||||||||||||||||||||||||||||||||
| Royalties | $ | - | $ | - | $ | - | $ | - | $ | - | $ | - | $ | - | $ | - | $ | (94.7 | ) | $ | (194.8 | ) | $ | (26.9 | ) | $ | - | $ | - | $ | - | $ | - | $ | - | $ | - | $ | (316.4 | ) | $ | (0.05 | ) | |||||||||||||||||||||||||||||||||
| Net sales | $ | - | $ | - | $ | 68,968.0 | $ | 77,211.0 | $ | 67,928.0 | $ | 66,664.0 | $ | 57,722.0 | $ | 66,224.0 | $ | 41,670.3 | $ | 42,025.2 | $ | 13,943.7 | $ | - | $ | - | $ | - | $ | - | $ | - | $ | - | $ | 502,356.2 | $ | 84.24 | ||||||||||||||||||||||||||||||||||||||
| Operating costs (see Table 12) | $ | (773.7 | ) | $ | (2,503.0 | ) | $ | (10,460.4 | ) | $ | (12,322.0 | ) | $ | (13,839.8 | ) | $ | (13,148.7 | ) | $ | (13,280.5 | ) | $ | (13,675.8 | ) | $ | (12,782.8 | ) | $ | (12,475.3 | ) | $ | (7,565.5 | ) | $ | (5,593.0 | ) | $ | (6,115.3 | ) | $ | (5,425.5 | ) | $ | (4,836.2 | ) | $ | (1,924.4 | ) | $ | (8,790.3 | ) | $ | (145,512.1 | ) | $ | (24.40 | ) | |||||||||||||||||||
| Wyoming severance tax | $ | - | $ | - | $ | (1,574.1 | ) | $ | (1,588.7 | ) | $ | (1,350.1 | ) | $ | (1,357.1 | ) | $ | (1,162.6 | ) | $ | (1,331.6 | ) | $ | (784.8 | ) | $ | (885.3 | ) | $ | (121.5 | ) | $ | - | $ | - | $ | - | $ | - | $ | - | $ | - | $ | (10,155.8 | ) | $ | (1.70 | ) | |||||||||||||||||||||||||||
| Carbon County ad valorem tax | $ | - | $ | - | $ | (2,521.5 | ) | $ | (2,544.9 | ) | $ | (2,162.8 | ) | $ | (2,173.9 | ) | $ | (1,862.4 | ) | $ | (2,133.1 | ) | $ | (1,257.3 | ) | $ | (1,418.2 | ) | $ | (194.7 | ) | $ | - | $ | - | $ | - | $ | - | $ | - | $ | - | $ | (16,268.9 | ) | $ | (2.73 | ) | |||||||||||||||||||||||||||
| Wellfield development | $ | - | $ | - | $ | (9,775.8 | ) | $ | (14,487.2 | ) | $ | (13,275.6 | ) | $ | (12,167.8 | ) | $ | (14,334.7 | ) | $ | (15,682.9 | ) | $ | (16,194.6 | ) | $ | (7,591.0 | ) | $ | - | $ | - | $ | - | $ | - | $ | - | $ | - | $ | - | $ | (103,509.6 | ) | $ | (17.36 | ) | ||||||||||||||||||||||||||||
| County property tax | $ | - | $ | (70.9 | ) | $ | (323.1 | ) | $ | (287.2 | ) | $ | (286.3 | ) | $ | (226.8 | ) | $ | (178.4 | ) | $ | (125.9 | ) | $ | (76.0 | ) | $ | (36.9 | ) | $ | (5.1 | ) | $ | (0.0 | ) | $ | (0.1 | ) | $ | (0.1 | ) | $ | (0.1 | ) | $ | (0.1 | ) | $ | (0.1 | ) | $ | (1,617.4 | ) | $ | (0.27 | ) | ||||||||||||||||||||
| Working capital changes | $ | - | $ | - | $ | (8,621.0 | ) | $ | 42.0 | $ | 8,579.0 | $ | (8,333.0 | ) | $ | 8,333.0 | $ | (8,278.0 | ) | $ | 8,278.0 | $ | (8,407.2 | ) | $ | 8,407.2 | $ | - | $ | - | $ | - | $ | - | $ | - | $ | - | $ | - | $ | - | ||||||||||||||||||||||||||||||||||
| Project cash flow | $ | (773.7 | ) | $ | (2,573.9 | ) | $ | 35,692.1 | $ | 46,023.0 | $ | 45,592.4 | $ | 29,256.6 | $ | 35,236.5 | $ | 24,996.7 | $ | 18,852.8 | $ | 11,211.2 | $ | 14,464.1 | $ | (5,593.0 | ) | $ | (6,115.4 | ) | $ | (5,425.6 | ) | $ | (4,836.3 | ) | $ | (1,924.5 | ) | $ | (8,790.5 | ) | $ | 225,292.4 | $ | 37.78 | ||||||||||||||||||||||||||||||
| Pre-mine development | $ | (2,078.8 | ) | $ | (12,251.0 | ) | $ | (1,969.0 | ) | $ | - | $ | - | $ | - | $ | - | $ | - | $ | - | $ | - | $ | - | $ | - | $ | - | $ | - | $ | - | $ | - | $ | - | $ | (16,298.8 | ) | $ | (2.73 | ) | |||||||||||||||||||||||||||||||||
| Initial capital | $ | (2,441 | ) | $ | (22,000 | ) | $ | - | $ | - | $ | - | $ | - | $ | - | $ | - | $ | - | $ | - | $ | - | $ | - | $ | - | $ | - | $ | - | $ | - | $ | - | $ | (24,440.6 | ) | $ | (4.10 | ) | ||||||||||||||||||||||||||||||||||
| Sustaining capital | $ | - | $ | (15.0 | ) | $ | (17.2 | ) | $ | (8,250.1 | ) | $ | (10.0 | ) | $ | (282.0 | ) | $ | (134.0 | ) | $ | (304.0 | ) | $ | (75.0 | ) | $ | (9.5 | ) | $ | (102.0 | ) | $ | (19.5 | ) | $ | - | $ | - | $ | - | $ | - | $ | - | $ | (9,218.3 | ) | $ | (1.55 | ) | |||||||||||||||||||||||||
| Net cash flow before tax | $ | (5,293.1 | ) | $ | (36,839.9 | ) | $ | 33,705.9 | $ | 37,772.8 | $ | 45,582.4 | $ | 28,974.6 | $ | 35,102.5 | $ | 24,692.7 | $ | 18,777.8 | $ | 11,201.7 | $ | 14,362.1 | $ | (5,612.5 | ) | $ | (6,115.4 | ) | $ | (5,425.6 | ) | $ | (4,836.3 | ) | $ | (1,924.5 | ) | $ | (8,790.5 | ) | $ | 175,334.7 | $ | 29.40 | ||||||||||||||||||||||||||||||
| Federal income tax | $ | - | $ | - | $ | - | $ | (7,632 | ) | $ | (8,335 | ) | $ | (4,847 | ) | $ | (6,134 | ) | $ | (3,948 | ) | $ | (2,706 | ) | $ | (2,229 | ) | $ | (2,931 | ) | $ | - | $ | - | $ | - | $ | - | $ | - | $ | - | $ | (38,762.5 | ) | $ | (6.50 | ) | ||||||||||||||||||||||||||||
| State income tax | $ | - | $ | - | $ | - | $ | (3,453 | ) | $ | (3,771 | ) | $ | (2,193 | ) | $ | (2,775 | ) | $ | (1,786 | ) | $ | (1,224 | ) | $ | (1,008 | ) | $ | (1,326 | ) | $ | - | $ | - | $ | - | $ | - | $ | - | $ | - | $ | (17,535.4 | ) | $ | (2.94 | ) | ||||||||||||||||||||||||||||
| Net cash flow after tax | $ | (5,293.1 | ) | $ | (36,839.9 | ) | $ | 33,705.9 | $ | 26,687.7 | $ | 33,476.8 | $ | 21,934.3 | $ | 26,193.2 | $ | 18,958.4 | $ | 14,847.5 | $ | 7,964.9 | $ | 10,105.9 | $ | (5,612.5 | ) | $ | (6,115.4 | ) | $ | (5,425.6 | ) | $ | (4,836.3 | ) | $ | (1,924.5 | ) | $ | (8,790.5 | ) | $ | 119,036.8 | $ | 19.96 | ||||||||||||||||||||||||||||||
|
|
| 1. | For the purposes of this economic analysis, development activities and related costs are assumed to begin in year 2024 followed by operations and related costs. The actual timing on which URE makes a decision to commence construction will be dependent on a variety of market factors. |
|
|
| 2. | Production is based on an 80% recovery of the under-pattern resource. |
|
|
| 3. | Uranium sales price is the annual average of the projections of Cantor Fitzgerald Canada Corporation, September 26, 2023; Pi Financial Corp., October 6, 2023, and Roth Capital Partners, October 10, 2023 averaged with UxC's Mid Price Scenario, Q4 2023 Uranium Market Outlook as further discussed in Chapter 16. |
|
|
| 4. | Wellfield development includes wellfield drilling and wellfield construction costs. |
|
|
| 5. | Working capital changes are primarily related to annual cash flow timing differences in accounts receivable and accounts payable and totals to zero. |
|
|
| 6. | The NPV and IRR calculations are based on Year 2025 to Year 2040. |
|
|
| 7. | Due to extensive drilling on the project prior to purchase, no exploration drilling is planned. |
| Ur-Energy – Shirley Basin ISR Uranium Project |
|
|
| Amended Technical Report Summary – March 11, 2024 |
| Page 78 |
|
|
|
|
19.0 ECONOMIC ANALYSIS
Cautionary Statement: This Preliminary Economic Assessment and Technical Report Summary is preliminary in nature and includes mineral resources. Mineral resources that are not mineral reserves do not have demonstrated economic viability. There is increased risk and uncertainty to commencing and conducting production without established mineral reserves that may result in economic and technical failure which may adversely impact future profitability. The estimated mineral recovery used in this Preliminary Economic Assessment and Technical Report Summary is based on site-specific laboratory recovery data as well as URE personnel and industry experience at similar facilities. There can be no assurance that recovery of mineral resources at this level will be achieved. There is no certainty that the preliminary economic assessment will be realized.
19.1 Assumptions
The economic assessment presented in this Report is based on geological evaluation and mapping of production areas, determining which areas are not viable for production activities due to hydrologic or topographic features and obtaining an 80% recovery of the remaining resources, as described in Chapter 16.3.1, within the FAB and Area 5 Resource Areas.
A cash flow statement has been developed based on the CAPEX, OPEX and closure cost estimates and the production schedule. The sales price for the produced uranium is assumed at a variable price per pound for the life of the Project ranging from $82.46 to $86.21 per pound. The sale price for the produced uranium is assumed to vary based on a calculation of a simple average of (a) the annual average of the projections of Cantor Fitzgerald Canada Corporation, September 26, 2023; Roth MKM, October 10, 2023; PI Financial Corp. October 6, 2023 and (b) UxC, LLC Q4 2023 (See Chapter 16). Uranium recovery from the mineral resource is assumed based on an estimated wellfield recovery factor of 80 percent of the resource, as described in Chapter 16.3.1. The production rate assumes an average solution uranium grade (head grade) of approximately 37 mg/L. The sales for the cash flow are developed by applying the recovery factor to the resource estimate for the Project. The total production over the life of the Project is estimated to be 5.96 million lbs. U3O8.
19.2 Cash Flow Forecast and Production Schedule
The NPV assumes cash flows take place in the middle of the periods and is calculated based on a discounted cash flow. The production estimates and OPEX distribution used to develop the cash flow are based on the production and restoration models developed by URE and incorporated in the cash flow (Table 17). The cash flow assumes no escalation, no debt interest or capital repayment. It also does not include depreciation. Assuming URE pursues the schedule shown in Chapter 13.2.4 above, the estimated payback is in the third quarter of 2027, with net cash flow before income tax over the life of the Project estimated to be $175.3 million and $119.0 million after tax. It is estimated that the Project has a before tax IRR of 83.7 percent and an NPV of $120.4 million applying an eight percent discount rate (Table 17). When income taxes are included in the calculation, the after-tax IRR is 69.0 percent and the after tax NPV is $83.2 million applying an eight percent discount rate. The estimated cost of uranium produced is $54.89 per pound including severance taxes plus all operating and capital costs. The NPV for three discount rates has been calculated and is presented in Table 18. The estimated IRR is also presented.
| Ur-Energy – Shirley Basin ISR Uranium Project |
|
|
| Amended Technical Report Summary – March 11, 2024 |
| Page 79 |
|
|
|
|
19.3 Taxation
The current Wyoming severance tax rate for uranium is 4.0 percent, but after the well head deduction it is approximately 2.0 percent of gross sales. The ad valorem tax rate for uranium is approximately eight percent, but after the well head deduction it is approximately 3.2 percent of gross sales. In aggregate and based on the taxable portion of the product, the total tax averages approximately 5.3 percent of gross sales. At the federal level, profit from mining ventures is taxable at corporate income tax rates. For mineral properties, depletion tax credits are available on a cost or percentage basis, whichever is greater.
Table 18. NPV Versus Discount Rate and IRR
| Discount Rates and IRR | Units | Before Income Tax | After Income Tax |
| 5% | US$ 000s | $138,809 | $95,674 |
| 8% | US$ 000s | $120,375 | $83,211 |
| 10% | US$ 000s | $109,456 | $75,669 |
|
|
| ||
| IRR | % | 83.7% | 69.0% |
The Project economic analysis includes tax estimates for state severance taxes, county ad valorem taxes and property taxes, all of which are directly attributable to the Project. Wyoming has no state income tax. Calculations are included for both before and after federal income tax estimates. Ur-Energy USA Inc. does not anticipate paying federal income taxes until the estimated tax losses carried forward are utilized. In addition, reclamation costs can be deducted in the early years of the Project, thus also extending the time before any possible tax liability.
| Ur-Energy – Shirley Basin ISR Uranium Project |
|
|
| Amended Technical Report Summary – March 11, 2024 |
| Page 80 |
|
|
|
|
20.0 ADJACENT PROPERTIES
Adjacent Properties refers to non-URE both historic and currently held mineral properties in close proximity to the Project. Several mineral properties adjacent to or in close proximity to the Project contain unconfirmed uranium resources. Additionally, there are several past producing properties in the Shirley Basin. The three distinct portions of the Shirley Basin can be identified as follows: East Shirley Basin, Central Shirley Basin and West Shirley Basin. All past production has taken place in the East Shirley Basin region. URE’s Project is in the northern portion of the East Shirley Basin area. The historical Petrotomics mine and mill complex, now in perpetual care with the U.S. Department of Energy, is immediately south of the Project. Uranium One Americas, Inc. (now owned by Uranium Energy Corporation) controls a large exploration project, consisting of unpatented mining claims and State of Wyoming leases, in the southern portion of this area.
Cameco controls the majority of the Central Shirley Basin area through unpatented mining claims and a State of Wyoming lease. On its website, Cameco identifies 4.4 million lbs. of Measured and Indicated Resources and 1.1 million lbs of Inferred Resources on this property (Cameco 2023). Uranium Energy Corporation also holds some unpatented mining claims in this area and controls a small exploration project in the West Shirley Basin, consisting of unpatented mining claims.
This Report addresses only property and deposits controlled by URE and not the described Adjacent Properties. The QP believes that any information available on resources on the Adjacent Properties would not necessarily be indicative of the mineralization present at the Project.
| Ur-Energy – Shirley Basin ISR Uranium Project |
|
|
| Amended Technical Report Summary – March 11, 2024 |
| Page 81 |
|
|
|
|
21.0 OTHER RELEVANT DATA AND INFORMATION
There is no other relevant data or information to include.
| Ur-Energy – Shirley Basin ISR Uranium Project |
|
|
| Amended Technical Report Summary – March 11, 2024 |
| Page 82 |
|
|
|
|
22.0 INTERPRETATION AND CONCLUSIONS
This independent Report for the Project has been prepared in accordance with the guidelines set forth in S-K 1300. Its objective is to disclose the mineral resources estimate and the potential viability of ISR operations at the Project.
22.1 Conclusions
The QP has weighed the potential benefits and risks presented in this Report and have found the Project to be potentially viable and meriting further evaluation and development.
22.2 Sensitivity Analysis
The Project is sensitive to changes in the price of uranium as shown in Figures 22 and 23. A five percent change in the estimated commodity price results in a $16.0 million change to the before tax NPV and $11.2 million to the after tax NPV at a discount rate of eight percent. This analysis is based on a variable commodity price per pound. The Project is also somewhat sensitive to changes in OPEX costs. A five percent variation in OPEX results in a $7.7 million variation in the before tax NPV and $4.0 million to the after tax NPV. The Project is least sensitive to changes in CAPEX. A five percent variation in CAPEX results in a $1.9 million variation in the before tax NPV and a $2.2 million variation in the after tax NPV.
Figure 22. Before Tax NPV Sensitivity to Price, OPEX and CAPEX

| Ur-Energy – Shirley Basin ISR Uranium Project |
|
|
| Amended Technical Report Summary – March 11, 2024 |
| Page 83 |
|
|
|
|
Figure 23. After Tax NPV Sensitivity to Price, OPEX and CAPEX

22.3 Risk Assessment
22.3.1 Resource and Recovery
This Report is based on the assumptions and information presented herein. The QP can provide no assurance that recovery of the resources presented herein will be achieved. Bench-scale tests have been performed on various core samples from the Project. The most significant potential risks to meeting the production results presented in this Report will be associated with the success of the wellfield operation and recovery of uranium from the targeted host sands. The estimated quantity of recovered uranium used in this Report is based primarily on the recovery data from site-specific, bench-scale testing of mineralized samples. The recovery factor of 80%, used herein, is relatively typical of industry experience for wellfield recovery. A potential problem that could occur in the wellfield recovery process is unknown or variable geochemical conditions resulting in uranium recovery rates from the mineralized zones that are significantly different from previous bench-scale tests.
The Upper Sand has approximately 20 ft. of hydraulic head above the top of the sand, which may present a challenge for recovery of a small portion of the resources in the planned Mine Unit 2 area. It should be noted that less than three percent of the overall resource base targeted for recovery is hosted within the Upper Sand. An alternate oxidant, such as hydrogen peroxide, which was approved in the permit and license, may need to be considered with shallower resource recovery within the Upper Sand. The costs associated with alternative oxidants are not currently included in this Report.
| Ur-Energy – Shirley Basin ISR Uranium Project |
|
|
| Amended Technical Report Summary – March 11, 2024 |
| Page 84 |
|
|
|
|
The proposed perimeter monitor well rings surrounding some of the planned mine units have monitor wells located on adjoining lands. As wellfield development progresses, adjustments to pattern layouts and/or resources under pattern may be required.
Other potential concerns are reduced hydraulic conductivity in the formation due to chemical precipitation during production, lower natural hydraulic conductivities than estimated, high flare and/or recovery of significant amounts of groundwater, the need for additional injection wells to increase uranium recovery rates, variability in the uranium concentration in the host sands and discontinuity of the mineralized zone confining layers. The risks associated with these potential issues have been minimized to the extent possible by extensive delineation and hydraulic studies of the site.
Adequate disposal capacity for wastewater is always a risk to be considered when planning a uranium ISR facility. Use of the three-stage RO facility and holding ponds, and the disposal of permeate into the historic pit lakes is planned to address the disposal of wastewater and brine at the Project. The Project may also dispose of sludge in the on-site 11e.(2) byproduct disposal facility.
Project development and operations may encounter occasional delays due to harsh weather conditions. However, the Project is close to paved roads maintained by the state of Wyoming throughout the winter, so delays are expected to be infrequent and short in duration. Also related to weather is the potential for extremely muddy conditions due to the high bentonite content of the soils. Main site access roads and secondary site roads will be graveled so they hold up to minesite traffic..
22.3.2 Markets and Contracts
The marketability of uranium and acceptance of uranium mining are subject to numerous factors beyond the control of URE. The price of uranium may experience volatile and significant price movements over short periods of time. Factors beyond URE’s control affect the market, including demand for nuclear power; changes in public acceptance of nuclear power generation; political and economic conditions in uranium mining, producing and consuming countries; costs and availability of financing of nuclear plants; changes in governmental regulations; global or regional consumption patterns; speculative activities and increased production due to new extraction developments and improved production methods; the future viability and acceptance of small modular reactors or micro-reactors and the related fuel requirements for this new technology; reprocessing of spent fuel and the re-enrichment of depleted uranium tails or waste; and global economics, including currency exchange rates, interest rates and expectations of inflation. Any future accidents, or threats of or incidents of war, civil unrest or terrorism, at nuclear facilities may also impact the conditions of uranium mining and the use and acceptance of nuclear energy.
Unlike other commodities, uranium does not trade on an open market. Contracts are negotiated privately by buyers and sellers. Changes in the price of uranium can have a significant impact on the economic performance of the Project as shown in Chapter 22.2
| Ur-Energy – Shirley Basin ISR Uranium Project |
|
|
| Amended Technical Report Summary – March 11, 2024 |
| Page 85 |
|
|
|
|
This Report assumes U3O8 production is sold at a variable price per pound for the life of the Project ranging from $82.46 to $86.21. The sale price for the produced uranium is assumed to vary based on a calculation of a simple average of (a) the annual average of the projections of Cantor Fitzgerald Canada Corporation, September 26, 2023; Roth MKM, October 10, 2023; PI Financial Corp. October 6, 2023 and (b) UxC, LLC Q4 2023 (See Chapter 16). The QP believes these estimates were appropriate for use in this Report, current to December 31, 2023. Review of continued strengthening in the spot and term markets toward year-end 2023 and in early 2024 reinforces that these price projections are reasonable.
22.3.3 Operations
Some operational risks such as reagents, power, labor and/or material cost fluctuations exist in the Project implementation and could impact the OPEX and Project economic performance. These potential risks are generally considered to be addressable either though wellfield modifications or plant optimization. The satellite plant risk is minimized in that it is only an IX plant used to capture the uranium on IX resin. Any issue with precipitation and drying can be dealt with at the Lost Creek Mine, which was constructed as a batch precipitation and drying operation, which allows for process variations and enhanced control. Furthermore, the Lost Creek Mine is a proven production facility with more than ten years of operation, so there is little risk that the Lost Creek plant cannot successfully process loaded IX resin from the Project.
The IX capture, trucking of resin and elution processes have been, and are being used at other ISR facilities in Wyoming and Texas. The process does not use any unusual methods and the reagents for the process are readily available from regional sources. Initial process optimization will be required to minimize the use of reagents, minimize loss of product and ensure proper product quality.
Health and safety programs will be implemented to control the risk of on-site and off-site exposures to radionuclides, operational incidents and/or process chemicals. Standard industry practices exist for this type of operation and novel approaches to risk control and management will not be required.
The continuing political and legal issues surrounding the 2015 decision to not list the greater sage-grouse as endangered and the BLM Resource Management Plans regarding the species are complex. At this time, it is unknown whether greater geographic restrictions related to the species will be introduced and implemented, but it is not anticipated any such restrictions would impede operations at the Project which is not in designated core area. This is particularly true because approved operations typically continue to have the right to mine when such additional regulatory controls are implemented. It is possible that additional stipulations may be introduced by state or federal agencies.
22.3.4 Social and/or Political
As with any uranium project in the USA, there will undoubtedly be some social/political/environmental opposition to development of the Project. The Shirley Basin is relatively remote. As such, there are very few people that could be directly impacted by the Project. In addition, the Project is the site of extensive historical uranium mining with significant long-term impacts. Wyoming is known to be friendly to mining and has a well-established, robust regulatory framework. The Shirley Basin permitting process concluded following three opportunities for public comment and received no substantive negative comments. The Project has strong local support, including from local ranchers. While ever present with permitting projects, social, political, or environmental opposition to the Project is not likely to be a major risk.
| Ur-Energy – Shirley Basin ISR Uranium Project |
|
|
| Amended Technical Report Summary – March 11, 2024 |
| Page 86 |
|
|
|
|
23.0 RECOMMENDATIONS
The QP finds the Project is potentially viable based on the assumptions contained herein. The Project is located in an area of extensive historical mining and the scale and quality of the ISR Mineral Resources indicate favorable conditions for future extraction from the Project. There is no certainty that the mineral recovery or the economic analyses presented in this Report will be realized. In order to realize the full potential benefits described in this Report, the following activities are recommended, at a minimum, and as market conditions warrant.
URE should continue with its work on advancing the project toward construction of facilities and installation of wellfields. The pre-mining development and capital costs to construct facilities and install wellfields, included in Table 15, are estimated to be $40.7 million. For the purpose of the economic analysis included in this Report, these activities and related costs are assumed to occur in 2024, 2025 and 2026. The costs for construction design and management are included in this amount.
URE should complete its pre-construction design, engineering work, and installation of the first monitoring ring followed soon after by construction of the satellite facility and the first wellfield. Satellite construction should include wastewater management processes and procedures with the goal of concentrating and minimizing RO brine production and maximizing permeate output.
URE has a history of innovative R&D projects that lower costs, improve operations, and minimize impacts of ISR operations. URE should continue evaluating opportunities to decrease costs and increase efficiencies, including related to its new injection well installation technology.
| Ur-Energy – Shirley Basin ISR Uranium Project |
|
|
| Amended Technical Report Summary – March 11, 2024 |
| Page 87 |
|
|
|
|
24.0 REFERENCES
Bailey, R.V. and Gregory, Robert W., The Shirley Basin Mine and the Development of the Roll-Front Model of Uranium Ore Deposits: A Historical Perspective, Wyoming State Geological Survey Memoir 6, 2011.
BLM, 2005, Record of Decision Implementation of a Wind Energy Development Program and Associate Land Use Plan Amendments. Department of the Interior Bureau of Land Management. Washington, D.C.
Cameco, 2023, 2023 Mineral Reserves and Resources https://s3-us-west-2.amazonaws.com/assets-us-west-2/annual/2023-mineral-reserves-and-resources.pdf. Available as of February 2024
Cantor Fitzgerald Canada Corporation 2023. Email communication regarding uranium price forecasts, September 26, 2023.
Dyman, Thaddeus S. and Condon, Steven M., U.S.G.S., Geologic Assessment of Undiscovered Oil and Gas Resources, Hanna, Laramie and Shirley Basins Province, Wyoming, 2005.
Harshman, E.N., USGS Professional Paper 745, Geology and Uranium Deposits, Shirley Basin Area, Wyoming, 1972.
Harshman, E.N., Formation of Uranium Ore Deposits, Proceedings of a Symposium, Athens, International Atomic Energy Agency, 1974, pp. 169-183.
Jacob, C.E. and E.P. Fisk, Report on Groundwater and Mine Drainage, Shirley Basin Operation, Carbon County, Wyoming, May 1961.
Melin, Robert E., Uranium Deposits in Shirley Basin, Wyoming, Utah Mining Corporation, February 21, 1961
PI Financial Corp., 2023, Mining sector update, October 6, 2023
Rosholt, John N. Jr., USGS Professional Paper 1084-A, Natural Radioactive Disequilibrium of the Uranium Series, 1959.
Roth MKM, 2023, URG: Uranium Forecast Update; Increasing PT, October 10, 2023
Rubin, Bruce, WGA Earth Science Bulletin, Uranium Roll Front Zonation in the Southern Powder River Basin, Wyoming, December 1970.
U.S. Census Bureau, 2024. https://data.census.gov available as of February 2024.
U.S. Department of Energy, 2022 Wyoming 80-Meter Wind Resource Map. https://windexchange.energy.gov/maps-data/142 as of February 2022.
U.S. Geological Survey, 2024, The U.S. Wind Turbine Database. https://eerscmap.usgs.gov/uswtdb/ as of February 2024.
UxC, LLC. 2023 Uranium Market Outlook Q4 2023. December 2023.
WWC Engineering 2022, Amended S-K 1300 Technical Report Summary Shirley Basin ISR Project Carbon County, Wyoming, USA. September 2022.
| Ur-Energy – Shirley Basin ISR Uranium Project |
|
|
| Amended Technical Report Summary – March 11, 2024 |
| Page 88 |
|
|
|
|
25.0 RELIANCE ON INFORMATION PROVIDED BY THE REGISTRANT
For this Report, the QP has relied on information provided by URE regarding property ownership, title and mineral rights in light of reviews by mineral title specialists retained from time to time by URE; regulatory status and environmental information including liabilities on the Project; capital expenditures and operating expenditures (including utilizing operational and financial analyses based upon URE’s operating Lost Creek Mine); and estimated commodity sales prices. Additionally, this Report was prepared by the QP with reliance on reports and information from others as cited throughout this Report and as referenced in Chapter 16.0 and Chapter 24.0.
| Ur-Energy – Shirley Basin ISR Uranium Project |
|
|
| Amended Technical Report Summary – March 11, 2024 |
| Page 89 |
|
|
|
|
26.0 DATE AND SIGNATURE PAGE
CERTIFICATE OF AUTHOR
Western Water Consultants, Inc., d/b/a WWC Engineering (WWC), of 1849 Terra Avenue, Sheridan, Wyoming, USA do hereby certify that:
|
| · | WWC is an independent, third-party engineering firm comprised of mining experts, such as professional geologists, professional mining engineers and certified environmental scientists. |
|
|
|
|
|
| · | WWC has read the definition of “qualified person” set out in S-K 1300 and certify that by reason of education, professional registration, and relevant work experience, WWC professionals fulfill the requirements to be a “qualified person” for the purposes of S-K 1300. |
Western Water Consultants, Inc., d/b/a WWC Engineering
(“Signed and Sealed”) Western Water Consultants, Inc.
March 11, 2024
| Ur-Energy – Shirley Basin ISR Uranium Project |
|
|
| Amended Technical Report Summary – March 11, 2024 |
| Page 90 |